电脑桌面
添加小米粒文库到电脑桌面
安装后可以在桌面快捷访问

分析报告中国民用航空局VIP免费

分析报告中国民用航空局_第1页
1/9
分析报告中国民用航空局_第2页
2/9
分析报告中国民用航空局_第3页
3/9
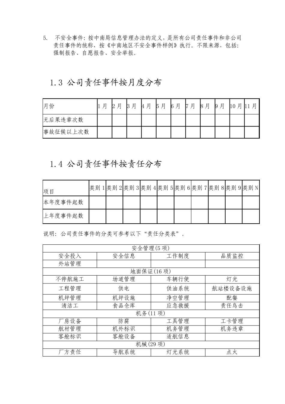
XXXX 年度安全信息分析报告 单位名称: 报告日期: 目 录 1. 不安全事件信息分析 2. 各类监管信息分析 3. 飞行品质监控信息分析(适用运输航空公司) 4. 下年度安全工作建议 (注:鉴于分析报告在 12 月上旬完成,分析报告时间范围限定在 1-11月) 第一部分 不安全事件信息分析 1.1 最近三年不安全事件及生产量变化趋势 1. 最近3 年公司责任飞行事故及地面事故(次数); 2. 最近3 年公司责任事故征候(次数); 3. 最近3 年公司责任不安全事件(次数); 4. 最近3 年QAR 严重超限事件(适应运输航空公司); 5. 最近3 年生产量(航空公司为飞行小时,其余飞行架次); 6. 最近3 年事故征候万时/次率。 1.2 不安全事件统计 不安全事件 公司责任事件 项目 非公司责任事件 责任事故征候以上无后果违章 其它责任事件 本年度事件起数 上年度事件起数 同比 定义: 1. 无后果违章:未构成事故征候的公司人为责任不安全事件; 2. 事故征候:按民用航空器飞行事故征候(民用航空行业标准MH2001-2004)执行; 3. 责任事故征候以上:包括公司责任的飞行事故、航空地面事故、事故征候; 4. 公司责任事件:是公司责任事故征候以上事件、无后果违章及其它责任事件的统称; 5. 不安全事件:按中南局信息管理办法的定义,是所有公司责任事件和非公司责任事件的统称,按《中南地区不安全事件样例》执行。不限来源,包括:强制报告、自愿报告、安全举报。 1.3 公司责任事件按月度分布 月份 1 月 2 月 3 月 4 月 5 月 6 月 7 月 8 月 9 月 10 月 11 月无后果违章次数 事故征候以上次数 1.4 公司责任事件按责任分布 项目 类别 1 类别 2 类别 3 类别 4 类别 5 类别 6 类别 7 类别 8 类别 9 类别 N本年度事件起数 上年度事件起数 说明:公司责任事件的分类可参考以下“责任分类表”。 安全管理(5 项) 安全投入 安全信息 工作制度 品质监控 外站管理 地面保证(16 项) 不停航施工 场道管理 车辆行使 灯光 工程管理 供电 供油系统 航站楼设备设施 机坪管理 机坪设施 净空管理 配餐 清洁工 食品仓库 应急救援 责任鸟击 机务(11 项) 厂房设备 防腐 工具管理 工卡管理 航材管理 机外标识 机务管理 机务违章 客舱标识 客舱设备 适航信息 机械(29 项) 厂方责任 导航系统 灯光系统 点火 电器/电子部件和多功能组...

1、当您付费下载文档后,您只拥有了使用权限,并不意味着购买了版权,文档只能用于自身使用,不得用于其他商业用途(如 [转卖]进行直接盈利或[编辑后售卖]进行间接盈利)。
2、本站所有内容均由合作方或网友上传,本站不对文档的完整性、权威性及其观点立场正确性做任何保证或承诺!文档内容仅供研究参考,付费前请自行鉴别。
3、如文档内容存在违规,或者侵犯商业秘密、侵犯著作权等,请点击“违规举报”。

碎片内容

分析报告中国民用航空局

您可能关注的文档

确认删除?
VIP
微信客服
  • 扫码咨询
会员Q群
  • 会员专属群点击这里加入QQ群
客服邮箱
回到顶部