电脑桌面
添加小米粒文库到电脑桌面
安装后可以在桌面快捷访问

切割工艺培训VIP免费

切割工艺培训_第1页
1/7
切割工艺培训_第2页
2/7
切割工艺培训_第3页
3/7
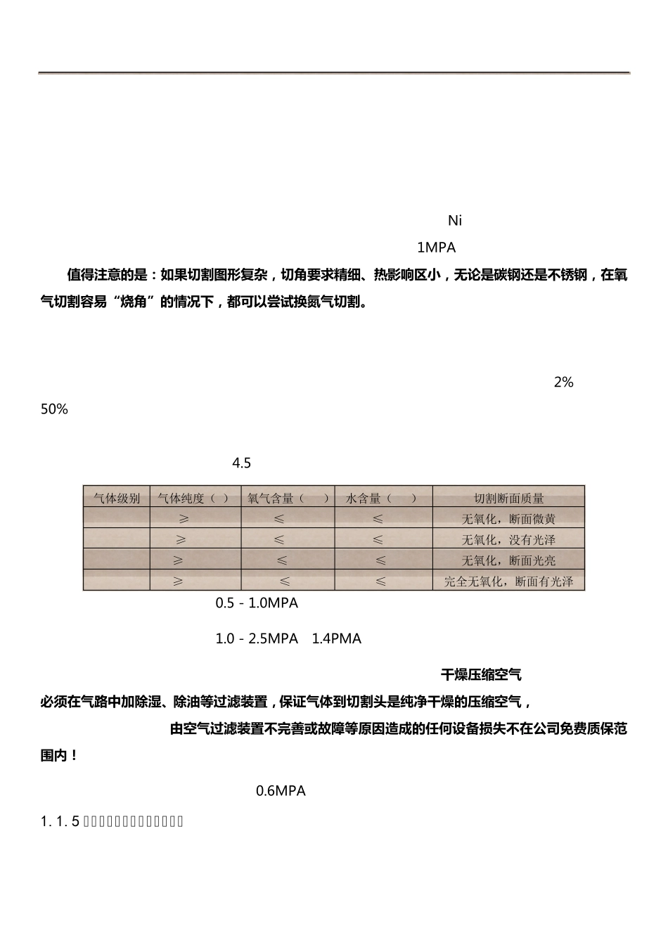
光纤激光器切割简明工艺说明 1.1 影响激光切割质量的因素 1.1.1 直接参数 使用激光切割机过程中,直接影响切割质量的可调参数有: 1、速度 2、加速度 3、起始切割功率,最大切割功率。 4、喷嘴到板材上表面距离 5、焦点相对板材位置 6、辅助气体压力及纯度 7、喷嘴口径 1.1.2 外围因素 与切割质量相关的外围因素有: 1、材料种类,厚度,元素均匀度以及物理、化学特性等。 2、材料上下表面有无杂质(生锈、覆膜等) 3、切割图形复杂程度 4、切割路径合理程度。 5、板材在切割过程中的稳定度 1.1.3 焦点位置调整对切割质量的影响 当焦点处于最佳位置时,效率最高,体现在:保证切缝质量情况下,切速高、辅助气压低,稳定度高,一致性好。 一般来说,光束焦点在板材上下表面之间。喷嘴与工件表面间距一般为 0.5-1.5m m 左右。 1.1.4 辅助气体种类和压力对切割质量的影响 为保护切割头内光学件免受污染并吹除切缝熔渣,都需要使用辅助气体。切碳钢主要用氧气,不锈钢为保证切面不被氧化,一般用高压氮气。 碳钢主要用氧气切割,氧气助燃,切缝融化迅速,温度非常高、因此当切割尖锐角、直径小于板厚的孔时,狭小区域内集中过多热量,切缝质量的一致性就较难保证。氮气不辅助燃烧,并有冷却作用,正适合解决这类加工难题,能够提高产品质量。 氮气切割时,它的保护作用能够产生优质的无氧化断面,这就满足了不锈钢焊接零件对切割断面的高要求,而且氮气切割时的小喷嘴口径加高气压也容易克服上述质量缺陷。因此氮气适合加工有焊接要求或者高附加值的不锈钢零件(如图形复杂且对切角有较高要求的碳钢也需要用氮气切割)。 只是氮气的购买价格和使用压力都比氧气大很多,因此使用成本比氧气高出几倍,从成本因素考虑,如对不锈钢切割断面要求不高,不是焊接件(焊接不锈钢时氧化层严重影响焊接质量,特别是氩弧焊),则可采用氧气切割,但不锈钢含高合金元素的比例较大(如 Ni),融化物粘度大,流动性差,用较低压力的氧气切割切缝底部容易挂渣,因此,建议用约 1MPA 的较高氧气压力切割不锈钢。 值 得 注 意 的 是 : 如 果 切 割 图 形 复 杂 , 切 角 要 求 精 细 、 热 影 响 区 小 , 无 论 是 碳 钢 还 是 不 锈 钢 , 在 氧气 切 割 容 易 “烧角 ”的 情况下, 都可以尝试换氮气 切 割 。 气压大小也是极为重要的因素。当高速切薄型材料时,需要较...

1、当您付费下载文档后,您只拥有了使用权限,并不意味着购买了版权,文档只能用于自身使用,不得用于其他商业用途(如 [转卖]进行直接盈利或[编辑后售卖]进行间接盈利)。
2、本站所有内容均由合作方或网友上传,本站不对文档的完整性、权威性及其观点立场正确性做任何保证或承诺!文档内容仅供研究参考,付费前请自行鉴别。
3、如文档内容存在违规,或者侵犯商业秘密、侵犯著作权等,请点击“违规举报”。

碎片内容

切割工艺培训

您可能关注的文档

确认删除?
VIP
微信客服
  • 扫码咨询
会员Q群
  • 会员专属群点击这里加入QQ群
客服邮箱
回到顶部