电脑桌面
添加小米粒文库到电脑桌面
安装后可以在桌面快捷访问

切纸机常见问题及保养VIP免费

切纸机常见问题及保养_第1页
1/11
切纸机常见问题及保养_第2页
2/11
切纸机常见问题及保养_第3页
3/11
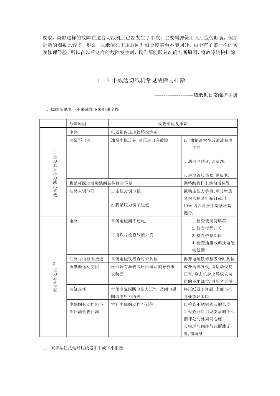
切 纸 机 常 见 故 障 与 排 除 --------------切 纸 机 日 常 维 护 手 册 申 威 达 切 纸 机 、 绅 乐 切 纸 机 常 见 故 障 与 排 除 汇 总 以 下 分 两 部 : ( 一 ) 绅 乐 切 纸 机 故 障 问 题 解 决 一 、 卸 刀 、 磨 刀 及 装 刀  解 决 办 法 : 如 果 机 器 切 不 透 , 就 需 要 磨 刀 , 首 先 , 把 刀 落 下 一 半 , 然 后 关 机 把 装 刀 螺 丝 全 部 松开 , 然 后 拿 出 卸 刀 手 柄 装 上 去 , 再 把 所 有 螺 丝 都 拆 掉 , 把 刀 拿 下 送 到 专 业 的 磨 刀 处去 磨 刀 , 磨 完 后 按 照 卸 刀 程 序 再 把 刀 装 上 去 , 一 般 磨 过 的 刀 都 要 比 原 来 的 刀 窄 , 这时 就 要 把 刀 调 低 一 些 , 首 先 拿 一 张 A 3 的 纸 放 在 刀 下 , 再 把 刀 落 到 最 低 关 掉 电 源 ,把 上 刀 螺 丝 松 开 , 在 刀 架 的 上 部 有 三 个 调 刀 螺 丝 , 拿 一 个 内 六 角 向 下 压 , 直 到 刀 下的 纸 裁 透 就 可 以 。 二 、 切 纸 斜  解 决 办 法 : 首 先 看 哪 边 斜 , 然 后 把 宽 的 一 边 推 纸 器 的 调 正 螺 丝 向 前 顶 。 如 果 是 手 动 的 机 器 就 把标尺杆下 方的 螺 丝 松 开 调 整标尺杆调 好后 把 螺 丝 固定好就 可 以 了。 三 、 不 压 纸  解 决 办 法 : 首 先 看 台面是 不 是 有 杂物或书本挡住红外墙, 如 果 有 请拿 开 , 检查压 纸 器 上 下 限传感器 是 否错位, 如 果 位置不 对, 调 整传感器 , 如 果 一 切 正 常 , 就 需 要 检查压 纸 电 机和压 纸 码盘和码盘传感器 ,如 有 问 题 ,需 更换配件请和经销商联系安排 技术员上 门。 四、 不 下 刀  解 决 办 法 : 检查切 纸 传感器 是 否移位, 如 果 位置不 对请调 整传感器 , 如 果 下 刀 跳闸, 请检查方桥, 是 方桥短路的 话, 就 要 更换方桥, 否则就 要 换主板或电 源 板。 要 使裁 切 的 纸 边 平整, 就 要 保证切 纸 机 刀 片刃...

1、当您付费下载文档后,您只拥有了使用权限,并不意味着购买了版权,文档只能用于自身使用,不得用于其他商业用途(如 [转卖]进行直接盈利或[编辑后售卖]进行间接盈利)。
2、本站所有内容均由合作方或网友上传,本站不对文档的完整性、权威性及其观点立场正确性做任何保证或承诺!文档内容仅供研究参考,付费前请自行鉴别。
3、如文档内容存在违规,或者侵犯商业秘密、侵犯著作权等,请点击“违规举报”。

碎片内容

切纸机常见问题及保养

您可能关注的文档

确认删除?
VIP
微信客服
  • 扫码咨询
会员Q群
  • 会员专属群点击这里加入QQ群
客服邮箱
回到顶部