电脑桌面
添加小米粒文库到电脑桌面
安装后可以在桌面快捷访问

土木工程施工组织设计课程设计VIP免费

土木工程施工组织设计课程设计_第1页
1/12
土木工程施工组织设计课程设计_第2页
2/12
土木工程施工组织设计课程设计_第3页
3/12
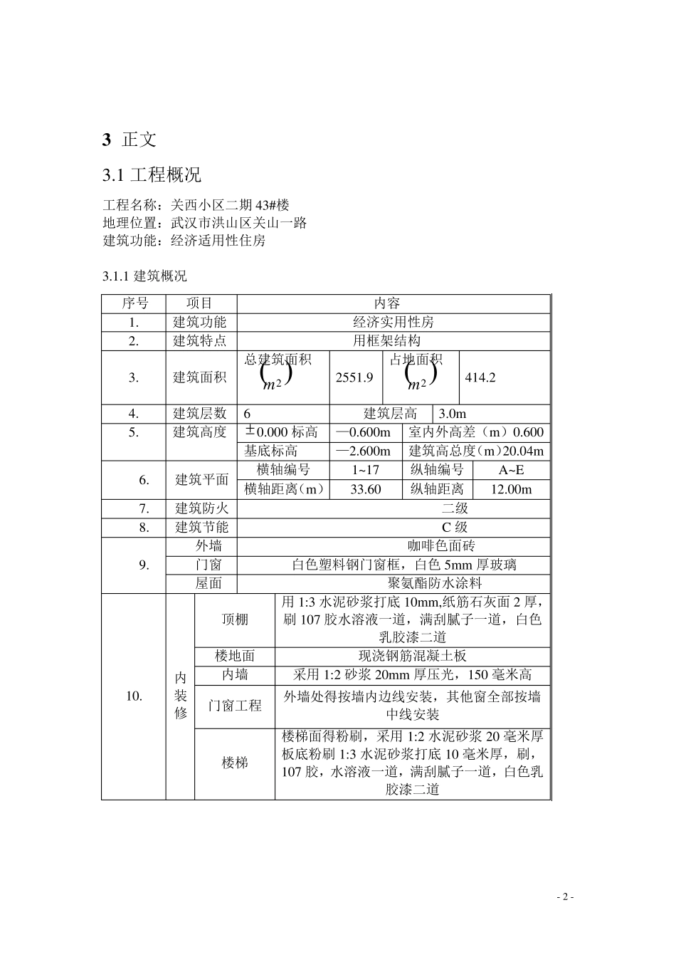
- 1 - 目录 1 封面------------------------------------------------------------0 2 目录------------------------------------------------------------1 3 正文--------------------------------------------------------2 3 .1 工程概况---------------------------------------------2 3 .2 施工方案-------------------------------------------------4 3 .3 进度计划(横道图)--------------------------------------5 3 .4 资源需求量----------------------------------------------6 3 .5 准备工作-------------------------------------------------7 3.6 施工图布置----------------------------------------------8 3.7 保证工程质量措施-------------------------------------9 3.8 成 品 保 护 ------------------------------------------------1 0 3.9 安 全 生 产措施-------------------------------------------1 0 3.10 节约技术措施------------------------------------------1 1 4 总结-------------------------------------------------------------1 2 - 2 - 3 正文 3.1 工程概况 工程名称:关西小区二期43#楼 地理位置:武汉市洪山区关山一路 建筑功能:经济适用性住房 3.1.1 建筑概况 序号 项目 内容 1. 建筑功能 经济实用性房 2. 建筑特点 用框架结构 3. 建筑面积 总建筑面积  2m 2551.9 占地面积  2m 414.2 4. 建筑层数 6 建筑层高 3.0m 5. 建筑高度  0.000 标高 —0.600m 室内外高差(m)0.600 基底标高 —2.600m 建筑高总度(m)20.04m 6. 建筑平面 横轴编号 1~17 纵轴编号 A~E 横轴距离(m) 33.60 纵轴距离 12.00m 7. 建筑防火 二级 8. 建筑节能 C 级 9. 外墙 咖啡色面砖 门窗 白色塑料钢门窗框,白色 5mm 厚玻璃 屋面 聚氨酯防水涂料 10. 内装修 顶棚 用1:3 水泥砂浆打底 10mm,纸筋石灰面2 厚,刷 107 胶水溶液一道,满刮腻子一道,白色乳胶漆二道 楼地面 现浇钢筋混凝土板 内墙 采用1:2 砂浆 20mm 厚压光,150 毫米高 门窗工程 外墙处得按墙内边线安装,其他窗全部按墙中线安装 楼梯 楼梯面得粉刷,采用1:2 水泥砂浆 20 毫米厚板底粉刷 1:3 水泥砂浆打底 10 毫米厚,刷,107 胶,水溶液一道,满刮腻子一道,白色乳胶漆二道 - 3 - 3.1....

1、当您付费下载文档后,您只拥有了使用权限,并不意味着购买了版权,文档只能用于自身使用,不得用于其他商业用途(如 [转卖]进行直接盈利或[编辑后售卖]进行间接盈利)。
2、本站所有内容均由合作方或网友上传,本站不对文档的完整性、权威性及其观点立场正确性做任何保证或承诺!文档内容仅供研究参考,付费前请自行鉴别。
3、如文档内容存在违规,或者侵犯商业秘密、侵犯著作权等,请点击“违规举报”。

碎片内容

土木工程施工组织设计课程设计

您可能关注的文档

确认删除?
VIP
微信客服
  • 扫码咨询
会员Q群
  • 会员专属群点击这里加入QQ群
客服邮箱
回到顶部