电脑桌面
添加小米粒文库到电脑桌面
安装后可以在桌面快捷访问

基坑开挖风险评估报告VIP专享VIP免费

基坑开挖风险评估报告_第1页
1/10
基坑开挖风险评估报告_第2页
2/10
基坑开挖风险评估报告_第3页
3/10
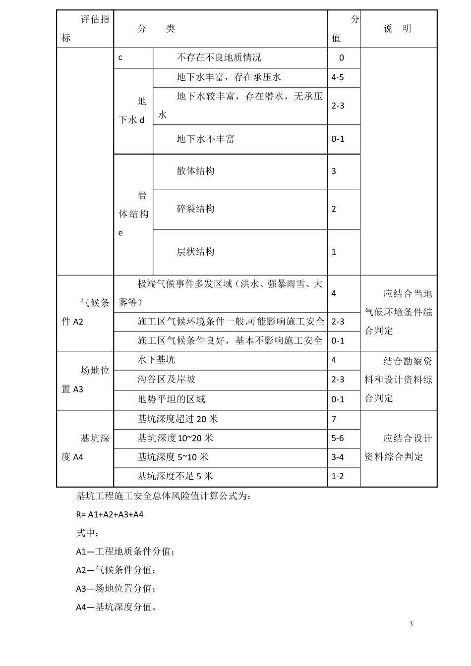
1 基坑开挖风险评估报告 1.1 评估目的 本次预评估的目的是在对《XXX 合同段施工组织设计》、《XXX 合同段施工图》等项目建设资料进行研究的基础上,根据同类工程建设过程中发生的相关安全事故特点,辨识该项目基坑开挖工程施工过程中各项作业活动、作业环境、施工设备、危险物品等所潜在的风险,并对其进行定性、定量分析,以求明确各类危险源的种类及危害程度,进而从安全技术和组织管理等方面提出可行的安全对策措施,提高工程项目施工期间的安全度,实现安全生产。 1.2 总则 1、 为指导基坑工程施工安全风险评估工作,有效控制施工安全风险,减少重特大生产安全事故的发生,降低人员伤亡和经济损失,保障公路基坑工程建设的安全 2、 本《指南》适用于 XXX 合同段基坑工程的施工安全风险评估工作。 1.3 评估内容 基坑开挖施工安全风险评估为总体风险评估。总体风险评估指开工前根据基坑的工程地质条件、场地位置等危险环境与致险因子,评估基坑工程整体风险,确定其安全风险等级。 1.4 评估依据 建设项目相关文件 《XXX 合同段施工图设计》 《XXX 合同段项目前期策划书》 《XXX 合同段项目施工组织设计》 《XXX 合同段招标文件(项目专用本)》 1.5 评估过程和方法 1.5.1 准备阶段 (1)成立专项评估小组,明确职责分工,其中小组负责人应当具有 5 年以上工程管理经验; 2 (2)明确评估对象和范围,收集国内外相关法律和标准,了解同类工程的事故情况; (3)现场查勘评估对象的地理、水文、气象条件,收集工程建设有关资料。 1.5.2 展开总体风险评估 基坑工程施工安全总体风险评估,是指开工前根据基坑工程的工程地质条件、场地环境等危险环境与致险因子,确定基坑工程整体风险及其安全风险等级。 1.5.3 确定专项评估范围。 总体风险评估中,对于Ⅲ级(高度风险)及以上等级的深基坑工程,应组织开展专项风险评估。其他风险等级的高边坡或基坑工程,视情况确定是否开展专项风险评估,确定风险控制措施。 1.6 总体风险评估方法 1.6.1 深基坑工程总体评估 基坑工程施工安全总体风险评估主要考虑工程地质条件、气候条件、场地位置、基坑深度等四个评估指标。各评估指标的分类、赋值标准见表《基坑工程总体风险评估指标体系》 基坑工程总体风险评估指标体系 评估指标 分 类 分值 说 明 工程地质条件A1=(a+b+c+d+e) 地层岩性a 膨胀土、冻土、湿陷性黄土、软土等特殊性土 4 应结合勘察...

1、当您付费下载文档后,您只拥有了使用权限,并不意味着购买了版权,文档只能用于自身使用,不得用于其他商业用途(如 [转卖]进行直接盈利或[编辑后售卖]进行间接盈利)。
2、本站所有内容均由合作方或网友上传,本站不对文档的完整性、权威性及其观点立场正确性做任何保证或承诺!文档内容仅供研究参考,付费前请自行鉴别。
3、如文档内容存在违规,或者侵犯商业秘密、侵犯著作权等,请点击“违规举报”。

碎片内容

基坑开挖风险评估报告

确认删除?
VIP
微信客服
  • 扫码咨询
会员Q群
  • 会员专属群点击这里加入QQ群
客服邮箱
回到顶部