电脑桌面
添加小米粒文库到电脑桌面
安装后可以在桌面快捷访问

基坑换填方案VIP免费

基坑换填方案_第1页
1/8
基坑换填方案_第2页
2/8
基坑换填方案_第3页
3/8
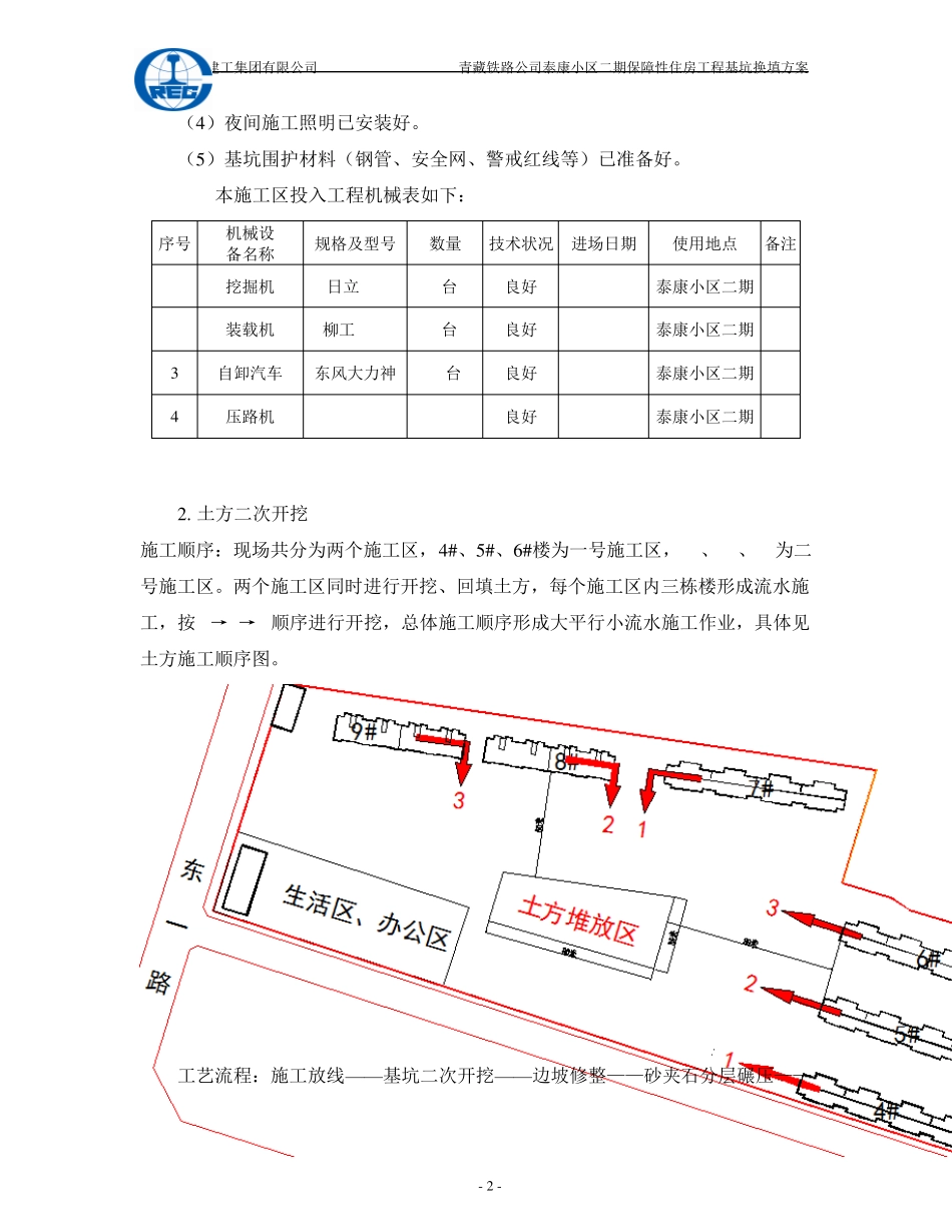
中铁建工集团有限公司 青藏铁路公司泰康小区二期保障性住房工程基坑换填方案 - 1 - 青藏铁路公司泰康小区二期保障性住房工程 基坑换填方案 施工单位:中铁建工集团有限公司西北分公司 编 制 人: 审 核 人: 编制日期: 中 国 中 铁 建 工 集 团 有 限 公 司 CHINA RAILWAY CONSTRUCTION ENGINEERING GROUP CORPORATION LIMITED 中铁建工集团有限公司 青藏铁路公司泰康小区二期保障性住房工程基坑换填方案 - 1 - 基坑换填方案 一、工程概况 青藏铁路公司泰康小区二期保障性住房工程共有6 栋多层砖混住宅楼,总建筑面积约 3.3 万㎡。基底相对标高-2.8m ,因开挖后发现地基土与设计不符,根据甲方、监理、勘察、设计、施工等相关单位对基坑现场勘测,确定对地基土进行二次开挖、换填砂夹石,为保证换填质量满足设计及规范要求,特编制基坑换填方案。 二、编制依据 1、青藏铁路公司泰康小区二期保障性住房工程设计施工图 2、青藏铁路公司泰康小区二期保障性住房工程地基处理记录 3、青藏铁路公司泰康小区二期保障性住房工程地基处理会议纪要 4、青藏铁路公司泰康小区二期保障性住房工程图纸会审 5、青藏铁路公司泰康小区二期保障性住房工程设计修改单 6、青藏铁路公司泰康小区二期保障性住房工程土方开挖施工方案 三、土方施工指导思想 1、为满足地基承载力要求,六栋楼基坑从相对标高-2.8 米再下挖 1 米换填砂夹石垫层,基础四周外扩1 米。 2、换填的砂夹石垫层压实系数控制在0.95,干密度2.1g/cm ³。 3、地基下部 有杂 填土部 位,根据地基处理记录,对地基下部 有杂 填土的部 分 ,全 部 挖出 ,然 后用 砂夹石回 填。 三、土方开挖 1. 土方开挖准 备 工作 ( 1) 实验 室 根据砂厂 自 然 砂砾 石及地基处理要求出 具 最 佳 砂夹石配 合 比 。 ( 2) 对所 有基坑放 出 二次换填开挖线 。 ( 3) 为保证碾 压质量,现场需 要配 备 直 径 60 水 龙 带 800 米,并 保证至 少 两 条水 龙 带 24 小时 不间 断 现场供 水 。 中铁建工集团有限公司 青藏铁路公司泰康小区二期保障性住房工程基坑换填方案 - 2 - (4 )夜间施工照明已安装好。 (5 )基坑围护材料(钢管、安全网、警戒红线等)已准备好。 (6)本施工区投入工程机械表如下: 序号 机械设 备名称 规格及型号 数量 技术状况 进场日期 使...

1、当您付费下载文档后,您只拥有了使用权限,并不意味着购买了版权,文档只能用于自身使用,不得用于其他商业用途(如 [转卖]进行直接盈利或[编辑后售卖]进行间接盈利)。
2、本站所有内容均由合作方或网友上传,本站不对文档的完整性、权威性及其观点立场正确性做任何保证或承诺!文档内容仅供研究参考,付费前请自行鉴别。
3、如文档内容存在违规,或者侵犯商业秘密、侵犯著作权等,请点击“违规举报”。

碎片内容

基坑换填方案

您可能关注的文档

确认删除?
VIP
微信客服
  • 扫码咨询
会员Q群
  • 会员专属群点击这里加入QQ群
客服邮箱
回到顶部