模板工程施工方案、第一节、编制说明:模板工程施工前,应根据结构施工图,施工总平面及施工设备和材料供应等现场条件,编制模板工程施工设...
目录第一章 工程概况及特点...........................................................................................................
下载后可任意编辑合同编号: [2024]009 号合同类别: 合作类鸿远足浴汗蒸项目合作协议书 合作内容: 鸿远足浴汗蒸项目 签订日期: ...
下载后可任意编辑房产转让合同甲方(出售方): 乙方(买受方): 根据《中华人民共和国合同法》、《中华人民共和国城市房地产管理法》及...
下载后可任意编辑西安中治实业有限公司 西安中治字 [2024]001 号 行政管理制度编制: 综合办审核: 总裁办审批: 总 裁 发布:201...
I 前言本通信标准参考性技术文件主要收集了与定义IMT-DS FDD(WCDMA)系统的目标和系统结构的基本文档相关的术语、定义和缩略语。本文基于...
电子商务案例分析报告美团网电子商务案例分析班级:姓名:学号:2016年6月美团网案例分析一、美团网的背景描述(一)发展历程1.企业创立美...
第1页共15页编号:时间:2021年x月x日书山有路勤为径,学海无涯苦作舟页码:第1页共15页目录一、编制依据…………………………………………...
消防安全户籍化管理档案消防安全户籍化管理档案单位名称单位名称北京德合信国际商城有限公司动物园站商城北京德合信国际商城有限公司动物园...
消防安全户籍化管理档案消防安全户籍化管理档案单位名称单位名称北京德合信国际商城有限公司动物园站商城北京德合信国际商城有限公司动物园...
收货一、岗位职责和任职资格:一)主管1、岗位职责1)向店长负责、主持收货部日常工作2)负责收货区进出的商品及有关单据的审核、把关,...
电脑职务说明一、资讯部职务说明(一)、资讯部经理1.职称:资讯部经理2.所在部门:资讯部3.基本职能:(1)代表资讯部向总经理(店长)汇报...
001海洋环境学院一、学院简介海洋环境学院成立于1946年,是学校历史最悠久的学院之一。学院现辖海洋学系、海洋气象学系、物理海洋研究所、...
部门绩效考核手册目录第一章总则.........................................................1第二章部门考核内容...........................
001简历※个人基本情况性别:男出生年月:1964年8月政治面貌:中共党员学历:双大专毕业时间:1992年12月技术职称:建筑经济师(1998年11月...
贝发(上海)有限公司筹备组策划说明贝发(上海)有限公司是贝发集团负责礼品业务的专业子公司,是贝发集体上海战略的核心内容,是贝发集团...
原料厂岗位责任制编号:QX-SQE-ZY-1202-001-2011(1)目录一、原料厂厂长岗位职责····························...
卷内文书目录编号内容页码1卷内文书目录12三级消防单位基本情况表23单位方位图34单位平面图45三级消防单位责任状56灭火、应急疏散预案67专...
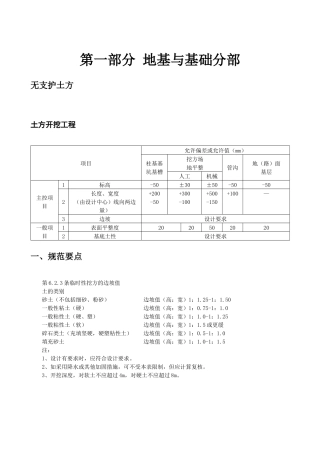
第一部分地基与基础分部无支护土方土方开挖工程项目允许偏差或允许值(mm)柱基基坑基槽挖方场地平整管沟地(路)面基层人工机械主控项目1...
1目的明确各部门职责,规范各部门运作。2各部门职责规定2.1市场部部门本职:市场开拓、销售计划、产品销售、订单/合同评审、订单/合同跟进...

