第1页共8页编号:时间:2021年x月x日书山有路勤为径,学海无涯苦作舟页码:第1页共8页一、概况井底变电所长期运行,为了保证在以后的运行中...
第1页共8页编号:时间:2021年x月x日书山有路勤为径,学海无涯苦作舟页码:第1页共8页一、概况井底变电所长期运行,为了保证在以后的运行中...
鄂尔多斯市昊华精煤有限责任公司高家梁煤矿2-2中煤大巷胶带机变电所安装工程施工组织设计(措施)施工单位:编制日期:二00九年七月二十日...
第1页共13页编号:时间:2021年x月x日书山有路勤为径,学海无涯苦作舟页码:第1页共13页更多资料请访问.(.....)更多企业学院:...../Shop...
调试负责人:唐剑峰安全员:苏兵高压:王志伟保护:苏兵陈鹏220kV芳东变电站安全技术措施新疆送变电工程公司一.编制依据《电力建设安全健...
第1页共18页编号:时间:2021年x月x日书山有路勤为径,学海无涯苦作舟页码:第1页共18页河东矿井下+560及上仓皮带供电变电所安装技术措施一...
广东石油化工学院课程设计说明书设计题目:某机修厂电加工车间变电所设计班级:姓名:学号:摘要第2页共23页编号:时间:2021年x月x日书山...
第1页共48页编号:时间:2021年x月x日书山有路勤为径,学海无涯苦作舟页码:第1页共48页目录一、工程概况及特点…………………………………...
第1页共69页编号:时间:2021年x月x日书山有路勤为径,学海无涯苦作舟页码:第1页共69页南水北调东线一期工程***站工程设备安装施工组织设...
本科毕业设计(论文)题目:机械加工车间低压配电系统及车间变电所设计学生姓名学号教学院系专业年级指导教师职称单位辅导教师职称单位完成...
第1页共8页编号:时间:2021年x月x日书山有路勤为径,学海无涯苦作舟页码:第1页共8页中煤第五建设有限公司第一工程处李村项目部主井、风井...
课题名某牵引变电所E电气主接线的设计方1110-樊伟※※※※※※※※※※2011级※※牵引供电课程设计※※※※※※※※※※※※石家庄铁道大学...
第1页共92页编号:时间:2021年x月x日书山有路勤为径,学海无涯苦作舟页码:第1页共92页南水北调东线一期工程***站工程设备安装施工组织设...
货物技术规格、参数与要求货物技术规格、参数与要求货物技术规格、参数与要求总则1.说明本总则是招标文件的重要组成部分,投标人所提供的设...
摘要:本次设计是关于标准件厂冷镦车间低压配电系统及车间变电所的设计。最先从车间的布局考虑,参考了现在很多工厂的平面设计图对各部分的...
第1页共8页编号:时间:2021年x月x日书山有路勤为径,学海无涯苦作舟页码:第1页共8页变压器、变电所安装施工技术交底施工单位名称中铁二局...
洛阳理工学院供配电课程设计(论文)新开源2﹟车间专用变电所10KV电气一次设计摘要本设计的题目为“某工厂10kV车间变电所电气部分设计”。设...
第1页共13页100mm控制室400mm编号:时间:2021年x月x日书山有路勤为径,学海无涯苦作舟页码:第1页共13页室外标准(外观整理)一.地面标准...
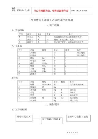
第1页共5页编号:时间:2021年x月x日书山有路勤为径,学海无涯苦作舟页码:第1页共5页变电所施工测量工艺流程及注意事项一、施工准备1、劳...
第1页共25页编号:时间:2021年x月x日书山有路勤为径,学海无涯苦作舟页码:第1页共25页++东兴石油企业有限公司炼油改扩建工程总变电所搅拌...

