机械制造技术基础课程设计说明书年产量为8000件的摇臂轴座的机械加工工艺规程设计内容摘要本次课程设计课题是摇臂轴座(195柴油机)加工工...
摇臂钻床维护保养指导书一、操作者要求:1.操作工必须具有初中以上文化程度。2.操作工必须经培训,取得内部培训上岗证方可操作设备。3.操作...
机械制造技术基础课程设计说明书设计题目:“气门摇杆支座”零件的机械加工工艺规程设计及铣上端面夹具设计院系:机械学院专业:机械设计制...
1昆山登云科技职业学院《机械制造技术》课程设计设计题目:设计“摇臂支架”零件的机械加工工艺规程及工艺装备(生产纲领:5000件)班级:设...
电气设备故障分析与排除——高级电工实训报告湖州职业技术学院自动化0801徐瑞敏电气设备故障分析与排除——高级电工实训报告电气设备故障分...
01摘要本课程设计是机械加工中常用的Z3040摇臂钻床传统电气控制系统的设计,旨在解决传统继电器—接触器电气控制系统存在的线路复杂、可靠性...
机械制造课程设计气门摇臂轴支座姓名:吴富伟学号:201003050909班级:10级机械工程及自动化3班指导教师:闵洁日期:2013年5月课程设计学生...
摇臂钻床的电气控制1授课日期教师姓名田淑珍学时10学时培训班第期培训班性质维修电工取证授课地点电工实训室教学科目电控项目名称摇臂钻床...
目录前言....................................................11、设计任务...............................................12、设计思...
威尔帝“王者’’摇臂说明书尊敬的用户:欢迎使用本公司生产的“王者”mini伸缩摇臂。本产品是由铝镁合金打造,采用CNC精密数控加工而成。...
中北大学大学生创新创业训练项目申报书项目名称FSAE悬挂系统摇臂,减震器的设计与匹配项目负责人王键所属单位机电工程学院车辆与动力工程系...
目录第一章前言…………………………………………………………………………11.1研究的意义……………………………………………………………...
序言机械制造技术基础课程设计是在学完了机械制造基础和大部分专业课,并进行了生产实习的基础上进行的又一个实践教学环节。这次设计我们能...
目录机械制造技术课程设计任务书..........................................................1第1章气门摇臂轴支座的机械加工工艺规程设计...
机械制造技术课程设计任务书题目:设计气门摇臂轴支座零件的机械加工工艺规程及钻Ф18通孔和Ф16通孔工序的专用夹具内容:(1)零件——毛...
第1页共7页编号:时间:2021年x月x日书山有路勤为径,学海无涯苦作舟页码:第1页共7页更换采煤机滚筒及摇臂安全技术措施由于采煤机左行星头...
目录机械制造技术课程设计任务书..........................................................1第1章气门摇臂轴支座的机械加工工艺规程设计...
基于PLC的摇臂钻床电气控制系统设计摘要本设计是研究机械加工中常用的Z3040摇臂钻床传统电气控制系统的改造问题,旨在解决传统继电器—接触...
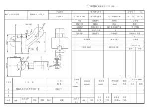
第1页共47页编号:时间:2021年x月x日书山有路勤为径,学海无涯苦作舟页码:第1页共47页气门摇臂轴支座的机械加工工艺及夹具设计第2页共47...
第1页共48页编号:时间:2021年x月x日书山有路勤为径,学海无涯苦作舟页码:第1页共48页气门摇臂轴支座的机械加工工艺及夹具设计第2页共48...

