起重设备操作规程行车操作规程1、开车前应认真检查设备机械、电源部分和防护保险部分是否完好。2、起吊前应检查起吊工具是否安全、可靠。3...
目录一.编制依据.....................................................................................................................
起重安全知识资料汇编1.起重机械法规与标准12.起重作业的安全管理与危险性预防............................................................
1主题内容与适用范围本规程规定了轧钢厂起重设备的使用、维护、检修及管理方面的内容。本标准适用于轧钢厂起重设备的使用、维护、检修。2轧...
1主题内容与适用范围本规程规定了轧钢厂起重设备的使用、维护、检修及管理方面的内容。本标准适用于轧钢厂起重设备的使用、维护、检修。2轧...
起重设备操作规程行车操作规程1、开车前应认真检查设备机械、电源部分和防护保险部分是否完好。2、起吊前应检查起吊工具是否安全、可靠。3...
电梯、起重机械制造资格审办程序一、办理条件:1、具有独立的法人资格;2、技术人员、技术工人、检测人员满足生产制造要求;3、具有保证该...
1H412020起重技术在机电设备安装工程中,起重技术是一项极为重要的技术,随着我国工程建设向标准化、工厂化、模块化、大型化、集成化方向发...
1总则:1.1为了做好大型起重设备的安全管理,保证施工生产正常进行,预防机械事故的发生,特制定本制度。1.2大型起重设备的使用必须严格执...
保定多田冷却设备综合厂房起重吊装方案施工;河北建立集团一、编制根据:本方案编制参考了?建筑施工手册?、?建筑安装工程施工技术操作规程?...
第一章编制依据及工程概况第一节编制依据1.1.1河南恒升起重股份有限公司年产280台冶金用高智能起重装备项目工程施工图纸。1.1.2国家现行的...
第一章编制依据及工程概况第一节编制依据1.1.1河南恒升起重股份有限公司年产280台冶金用高智能起重装备项目工程施工图纸。1.1.2国家现行的...
附表1:表1-1建筑起重机械责任主体自查表施工总包企业(使用单位)名称(盖章):填报日期:年月日项目名称项目所在地点建设单位项目负责人...
螺旋起重器设计一、螺旋起重器(千斤顶)简介螺旋起重器是一种简单的起重装置,用手推动手柄即可升起重物。它一般由底座、螺杆、螺母、托杯...
第1页共28页编号:时间:2021年x月x日书山有路勤为径,学海无涯苦作舟页码:第1页共28页起重作业管理制度1范围本制度规定了起重机械设备安...
第1页共4页本文格式为Word版下载后可任意编辑和复制建筑施工起重机械设备安全管理合同本页是关于建筑施工起重机械设备平安管理合同的范本,...
2000吨全回转起重船租赁意向合同出租方:(简称甲方)承租方:(简称乙方)根据相关法律规定,经过甲乙双方平等友好协商,签订本合同。第一...
第1页共34页本文格式为Word版下载后可任意编辑和复制5篇实用起重设备租赁合同范本设备租赁合同是指当事人一方将特定设备交给另一方使用,另...
起重及机械设施专篇图1:汽车起重机工作时解除安全装置工作。图2:汽车吊支腿未垫枕木或钢板。图3:汽车吊支腿下部垫板使用模板、木条等随意支...
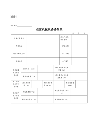
附件1备案编号起重机械设备备案表年月日设备产权单位法人代表及联系电话单位地址营业执照设备名称及型号出厂日期制造单位出厂编号塔式起重...

