中国国际电子商务网证书方式VPN连接中国国际电子商务中心在进行VPN连接之前,需要先连接公网,可以通过拨号或宽带进行INTERNET的连接,必须...
辽宁CA电子认证业务规则V2.2辽宁数字证书认证管理有限公司2009年4月辽宁CA电子认证业务规则辽宁数字证书认证管理有限公司版权所有版权声明...
北京信安世纪科技有限公司中国结算CA系统对外服务接口开发使用文档北京信安世纪科技有限公司1北京信安世纪科技有限公司目录1基本功能.........
第1页共55页编号:时间:2021年x月x日书山有路勤为径,学海无涯苦作舟页码:第1页共55页WindowsCA证书服务器配置(一)——Microsoft证书服务...
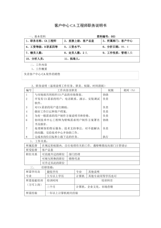
第1页共3页编号:时间:2021年x月x日书山有路勤为径,学海无涯苦作舟页码:第1页共3页客户中心CA工程师职务说明书一、基本资料资料编号:00...
第1页共5页编号:时间:2021年x月x日书山有路勤为径,学海无涯苦作舟页码:第1页共5页客户中心工程师职务说明书一、基本资料资料编号:0031...
第1页共5页编号:时间:2021年x月x日书山有路勤为径,学海无涯苦作舟页码:第1页共5页同花顺统一认证版客户端CA证书使用指南同花顺统一认证...
第1页共8页编号:时间:2021年x月x日书山有路勤为径,学海无涯苦作舟页码:第1页共8页绍兴市人民政府办公室CA应用整合服务系统及电子政务外...
第1页共3页编号:时间:2021年x月x日书山有路勤为径,学海无涯苦作舟页码:第1页共3页客户中心CA工程师职务说明书一、基本资料资料编号:00...
第1页共8页编号:时间:2021年x月x日书山有路勤为径,学海无涯苦作舟页码:第1页共8页图解数字电视CA原理与破解先声明一下,以下内容纯粹是...
WindowsCA证书服务器配置(一)——Microsoft证书服务安装安装准备:插入WindowsServer2003系统安装光盘添加IIS组件:点击‘确定’,安装完毕...
绍兴市人民政府办公室CA应用整合服务系统及电子政务外网远程访问VPE设备供货项目征求意见经绍兴市政府采购管理部门批准,绍兴市公共资源交...
同花顺统一认证版客户端CA证书使用指南同花顺统一认证版CA证书为客户提供了更加安全可靠的网上交易系统登录认证方式,客户申请CA证书后,只...
中国结算CA系统对外服务接口开发使用文档北京信安世纪科技有限公司目录1基本功能..........................................................
客户中心CA工程师职务说明书一、基本资料资料编号:0031、职务名称:CA工程师2、直接上级:客户总监3、所属部门:客户中心4、工资等级:B职...
客户中心工程师职务说明书一、基本资料资料编号:0031、职务名称:工程师2、直接上级:客户总监3、所属部门:客户中心4、工资等级:B职系四...
WindowsServer2008上使用IIS搭建WEB服务器、客户端的数字证书应用(一)一、什么是数字证书及作用?数字证书就是互联网通讯中标志(证明)...
第四节博星卓越CA认证子系统CA认证介绍:数字证书简称证书,是PKI的核心元素,由认证机构服务者签发,它是数字签名的技术基础保障;符合X。...
目录北京天威诚信电子商务服务有限公司数字证书操作手册天威诚信数字认证中心iTruschinaCo.,Ltd北京天威诚信电子商务服务有限公司iTrusChin...
中国国际电子商务网证书方式VPN连接中国国际电子商务中心在进行VPN连接之前,需要先连接公网,可以通过拨号或宽带进行INTERNET的连接,必须...

