目录一序言...........................................................................................................................
1/7“CA6140车床”拨叉零件的机械加工工艺规程一、零件的分析1.零件图样分析1.1零件的作用该零件是CA6140拨叉(见图1)它位于车床变速机构...
一、细胞内游离CA2+浓度([CA2+]i)的测定按经典方法,以钙离子敏感的荧光探针Fura-2/AM或Fluo-3/AM来检测细胞内[CA2+]i。Fura-2的结构类似于...
PluronicF-127(F127)美国MolecularProbesInc.产品。Ultima型共聚焦激光扫描显微镜为美国MERIDIANInstrumentsInc产品。1.光源:Ultima型50Mw...
李建李建李建李建2011.12中南大学中南大学中南大学中南大学主要内容主要内容一、CRTSII型板水泥乳化沥青砂浆试验二、CRTSI型板水泥乳化沥青...
河北联通CA证书助手v1.0使用手册2015/5/201引言1.1编写目的编写本用使用册目的是充分叙述本软件所能实现的功能及其运行环境,以便使用者了...
李建李建李建李建2010.10中南大学中南大学中南大学中南大学主要内容主要内容一、CRTSII型板水泥乳化沥青砂浆试验二、CRTSI型板水泥乳化沥青...
CA6140车床传动系统1第一页,共五十三页。本次课的内容提要一、CA6140车床传动系统图二、主运动传动链三、车螺纹传动链四、纵向和横向进给...
CA6140车床传动系统1第一页,共三十六页。本次课的内容提要一、CA6140车床传动系统图二、主运动传动链三、车螺纹传动链四、纵向和横向进给...
下载后可任意编辑探究CA体系的电子商务探究CA体系的电子商务随着互联网的不断进展,电子商务在全球贸易市场上异军突起,并已经深化到经济社...
第1页共35页编号:时间:2021年x月x日书山有路勤为径,学海无涯苦作舟页码:第1页共35页第四节博星卓越CA认证子系统CA认证介绍:数字证书简...
认证中心(CA)要点课件目录CONTENTS•CA的应用与发展趋势01认证中心(CA)概述CA的定义与作用总结词认证中心(CA)是一个权威的、可信赖的第三...
无锡市地方税务局网上办税CA认证宣传手册1.CA认证及电子签名认证证书的概念CA(CertifiCAteAuthority)是一种身份认证,它可以对网上身份的合...
第1页共5页编号:时间:2021年x月x日书山有路勤为径,学海无涯苦作舟页码:第1页共5页无锡市地方税务局网上办税CA认证宣传手册1.CA认证及电...
图解数字电视CA原理与破解先声明一下,以下内容纯粹是技术方面的探讨交流,希望能给做CA的厂家提供一些关于安全方面的建议,共同学习共同进...
中国国际电子商务网证书方式VPN连接中国国际电子商务中心在进行VPN连接之前,需要先连接公网,可以通过拨号或宽带进行INTERNET的连接,必须...
辽宁CA电子认证业务规则V2.2辽宁数字证书认证管理有限公司2009年4月辽宁CA电子认证业务规则辽宁数字证书认证管理有限公司版权所有版权声明...
北京信安世纪科技有限公司中国结算CA系统对外服务接口开发使用文档北京信安世纪科技有限公司1北京信安世纪科技有限公司目录1基本功能.........
第1页共55页编号:时间:2021年x月x日书山有路勤为径,学海无涯苦作舟页码:第1页共55页WindowsCA证书服务器配置(一)——Microsoft证书服务...
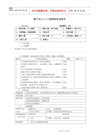
第1页共3页编号:时间:2021年x月x日书山有路勤为径,学海无涯苦作舟页码:第1页共3页客户中心CA工程师职务说明书一、基本资料资料编号:00...

