国网湖北省电力有限公司输变电工程概算编制细则为了合理确定公司输变电工程造价,规范工程概算费用计取标准, 实施工程造价精益化管控,结...
建设项目基本情况工程名称西安兴隆 110KV 输变电工程建设单位西安供电局法人代表罗检仔联系人帅蓉通讯地址陕西省西安市环城东路 159 号...
目 录第一章 编制依据编制依据 《滇南外送通道输变电工程架空线路工程施工招标书》 《~ 架空送电线路施工及验收规范( )》 《普通混...
扬州北 500kV 变电站工程安全管理总体策划 江苏省电力公司电力经济技术研究院二〇一×年××月扬州北 500kV 变电站工程安全管理总体策...
皖电东送淮南~上海 1000kV 输变电工程(淮南、皖南站) 环境影响报告书补充报告简本建设单位:国 家 电 网 公 司环评单位:北京国电...
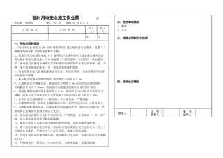
临时用电安全施工作业票 表 1工程名称 锦峰苑 施工一队 组 2008 年 11 月 4 日工 作 地 点工 作 时 间技工(人)民工(人...
$number{01}输变电工程质量通病防治工作要求及技术措施课件目录• 输变电工程质量通病防治工作概述• 输变电工程质量通病类型及原因分析...
输变配电工程项目安全管理制度特别说明:《输变配工程项目安全管理制度》是输变配工程项目施工安全管理的工作标准和管理规范,也是对工程项...
you福 建 省 电 力 有 限 公 司 企 业 标 准Q/FJGQ/FJG20029—2004输变电建设项目文件归档与档案整理规定Code for power tr...
输变电工程安全文明施工实施细则第一章 总 则第一条 为贯彻“安全第一、预防为主”的工作方针,落实国家电网公司安全生产工作要求,规范...
冀北电力有限公司输变电工程质量管理专业评价细则(征求意见稿)第一章 总则第一条 为深入贯彻落实国家电网公司质量各类管理办法和规定,...
目 录施工组织设计..................................................................................................- 1 -1.施工...
江苏省电力公司 110 千伏输变电工程达标投产考核办法(试行)第一条 为实现省公司“一强三优”的战略目标,贯彻基建管理以“安全为基础...
国家电网公司输变电工程人身伤亡事故情况摘编(2005-2017)国网基建部2018年1月25日编制说明本摘编汇总了国家电网公司系统2005年至2017年,...
66千伏玉龙输变电工程创优规划范文大全阜新沙海66千伏变电站新建工程设计创优汇报阜新电业局设计室1阜新沙海66千伏变电站新建工程设计创优...
66千伏玉龙输变电工程创优规划范文大全双峰66kv变电所新建工程建设创优规划双峰66kv变电所新建工程业主项目部二〇一三年四月1批准:审核:...
输变电工程质量监督检查大纲前言为贯彻落实《建设工程质量管理条例>和电力建设工程质量安全管理有关规定,进一步加强电力工程质量监督管理...
模糊层次分析法在输变电工程环境影响综合评价中的应用摘要:从环境友好型建设、科学性环境管理等理念出发,以生态环境、自然环境和社会环境...
输变配电工程项目安全管理制度10.10劳务分包队伍的行政负责人是安全施工第一责任者,对本单位安全施工负全责,必须上岗到位,不准擅离职守...
输变电工程初步设计文件评审内容深度规定中国南方电网有限责任公司2015年8月目录I1范围....................................................

