电脑桌面
添加小米粒文库到电脑桌面
安装后可以在桌面快捷访问

07输变电工程安全施工作业票VIP免费

07输变电工程安全施工作业票_第1页
1/28
07输变电工程安全施工作业票_第2页
2/28
07输变电工程安全施工作业票_第3页
3/28
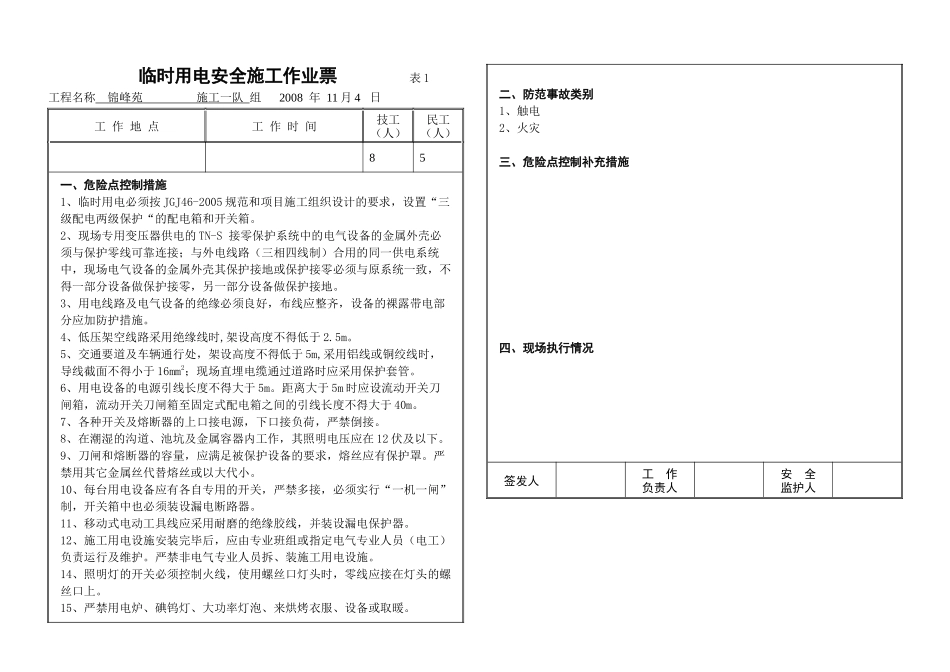
临时用电安全施工作业票 表 1工程名称 锦峰苑 施工一队 组 2008 年 11 月 4 日工 作 地 点工 作 时 间技工(人)民工(人)85一、危险点控制措施1、临时用电必须按 JGJ46-2005 规范和项目施工组织设计的要求,设置“三级配电两级保护“的配电箱和开关箱。2、现场专用变压器供电的 TN-S 接零保护系统中的电气设备的金属外壳必须与保护零线可靠连接;与外电线路(三相四线制)合用的同一供电系统中,现场电气设备的金属外壳其保护接地或保护接零必须与原系统一致,不得一部分设备做保护接零,另一部分设备做保护接地。3、用电线路及电气设备的绝缘必须良好,布线应整齐,设备的裸露带电部分应加防护措施。4、低压架空线路采用绝缘线时,架设高度不得低于 2.5m。5、交通要道及车辆通行处,架设高度不得低于 5m,采用铝线或铜绞线时,导线截面不得小于 16mm2;现场直埋电缆通过道路时应采用保护套管。6、用电设备的电源引线长度不得大于 5m。距离大于 5m 时应设流动开关刀闸箱,流动开关刀闸箱至固定式配电箱之间的引线长度不得大于 40m。7、各种开关及熔断器的上口接电源,下口接负荷,严禁倒接。8、在潮湿的沟道、池坑及金属容器内工作,其照明电压应在 12 伏及以下。9、刀闸和熔断器的容量,应满足被保护设备的要求,熔丝应有保护罩。严禁用其它金属丝代替熔丝或以大代小。10、每台用电设备应有各自专用的开关,严禁多接,必须实行“一机一闸”制,开关箱中也必须装设漏电断路器。11、移动式电动工具线应采用耐磨的绝缘胶线,并装设漏电保护器。12、施工用电设施安装完毕后,应由专业班组或指定电气专业人员(电工)负责运行及维护。严禁非电气专业人员拆、装施工用电设施。14、照明灯的开关必须控制火线,使用螺丝口灯头时,零线应接在灯头的螺丝口上。15、严禁用电炉、碘钨灯、大功率灯泡、来烘烤衣服、设备或取暖。二、防范事故类别1、触电2、火灾三、危险点控制补充措施四、现场执行情况签发人工 作负责人安 全监护人构架吊装安全施工作业票 表 2工程名称 施工一队 队/班组 年 月 日工 作 地 点工 作 时 间技工(人)民工(人)一、危险点控制措施1、凡进入施工现场的人员必须正确佩戴安全帽、穿好工作服,严禁穿拖鞋、凉鞋、高跟鞋。严禁酒后进入施工现场。2、高处作业人员必须正确使用安全带,特殊高处作业还应使用速差保护器、攀登自锁器和水平安全绳,且应衣着灵便,穿软底鞋,较小的工具材料应...

1、当您付费下载文档后,您只拥有了使用权限,并不意味着购买了版权,文档只能用于自身使用,不得用于其他商业用途(如 [转卖]进行直接盈利或[编辑后售卖]进行间接盈利)。
2、本站所有内容均由合作方或网友上传,本站不对文档的完整性、权威性及其观点立场正确性做任何保证或承诺!文档内容仅供研究参考,付费前请自行鉴别。
3、如文档内容存在违规,或者侵犯商业秘密、侵犯著作权等,请点击“违规举报”。

碎片内容

07输变电工程安全施工作业票

您可能关注的文档

确认删除?
VIP
微信客服
  • 扫码咨询
会员Q群
  • 会员专属群点击这里加入QQ群
客服邮箱
回到顶部