电脑桌面
添加小米粒文库到电脑桌面
安装后可以在桌面快捷访问

皖电东送淮南~上海1000kV输变电工程VIP免费

皖电东送淮南~上海1000kV输变电工程_第1页
1/8
皖电东送淮南~上海1000kV输变电工程_第2页
2/8
皖电东送淮南~上海1000kV输变电工程_第3页
3/8
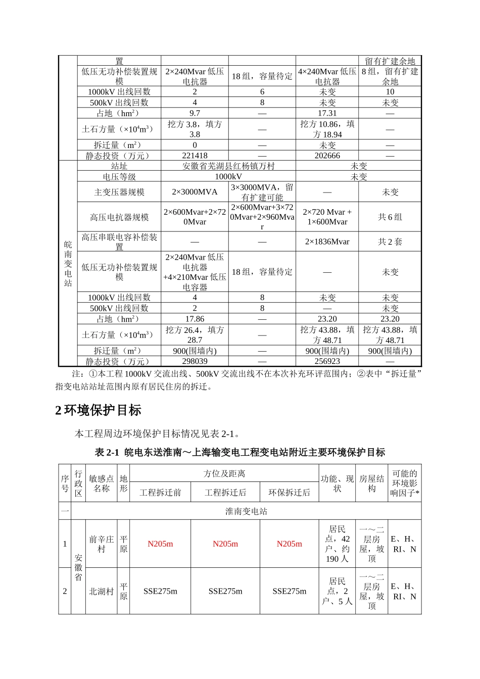
皖电东送淮南~上海 1000kV 输变电工程(淮南、皖南站) 环境影响报告书补充报告简本建设单位:国 家 电 网 公 司环评单位:北京国电华北电力工程有限公司2010 年 3 月1.工程概况2007 年 9 月 26 日国家发展改革委办公厅印发了《国家发展改革委办公厅关于国家电网公司开展跨区联网工程及“上大压小”配套电网工程项目前期工作的通知》(发改办能源[2007]2340 号文),要求国家电网公司加快包括皖电东送淮南~上海输变电工程在内的跨区联网工程及“上大压小”配套电网工程的前期工作。2006 年根据国家电网公司的委托,由中国电力工程顾问集团华东电力设计院牵头完成皖电东送淮南~上海输变电工程(原名淮南~皖南~浙北~上海百万伏级交流输变电工程、淮南~皖南~浙北~上海 1000kV 交流输变电工程)的设计与环评工作。2006 年12 月原国家环境保护总局以环审[2006]672 号对工程进行批复。2008 年 12 月,本工程 1000kV 变电站建设规模发生了一定变化,输电线路不变。2009 年 8 月 10 日环保部以环审[2009]327 号对《关于皖电东送淮南~上海输变电工程环境影响报告书补充报告》进行了批复。2010 年 2 月,本工程补充可研对淮南变电站和皖南变电站的建设规模进一步调整,由北京国电华北电力工程有限公司和中南电力设计院负责本次补充环评工作。,本期工程淮南变建设规模为 3000MWA 主变一台、高压电抗器 2×720Mvar、高压串联电容补偿装置 2×1836Mvar、1000kV 出线 2 回、500kV 出线 4 回;本期工程皖南变建设 规 模 为 高 压 电 抗 器 2×720Mvar+1×600Mvar 、 高 压 串 联 电 容 补 偿 装 置2×1836Mvar、1000kV 出线 4 回,没有主变和 500kV 出线。1000kV 淮南变电站位于安徽省淮南市潘集区平圩镇李桥村,1000kV 皖南变电站位于安徽省芜湖县红杨镇万村。本工程的项目组成见表 1-1。表 1-1 本工程的基本组成项目名称皖电东送淮南~上海 1000kV 输变电工程(淮南、皖南站)(补充)建设及运营管理单位国家电网公司工程设计单位北京国电华北电力工程有限公司、中国电力工程顾问集团中南电力设计院建设地点安徽省淮南市和芜湖县建设性质新建项目原设计本次调整本期终期本期终期淮南变电站站址安徽省淮南市潘集区平圩镇李桥村未变电压等级1000kV未变主变压器规模2×3000MVA3×3000MVA,留有扩建余地1×3000MVA未变高压电抗器规模2×720Mvar6×720Mvar未变8×720Mvar,留...

1、当您付费下载文档后,您只拥有了使用权限,并不意味着购买了版权,文档只能用于自身使用,不得用于其他商业用途(如 [转卖]进行直接盈利或[编辑后售卖]进行间接盈利)。
2、本站所有内容均由合作方或网友上传,本站不对文档的完整性、权威性及其观点立场正确性做任何保证或承诺!文档内容仅供研究参考,付费前请自行鉴别。
3、如文档内容存在违规,或者侵犯商业秘密、侵犯著作权等,请点击“违规举报”。

碎片内容

皖电东送淮南~上海1000kV输变电工程

您可能关注的文档

确认删除?
VIP
微信客服
  • 扫码咨询
会员Q群
  • 会员专属群点击这里加入QQ群
客服邮箱
回到顶部