第1页共8页编号:时间:2021年x月x日书山有路勤为径,学海无涯苦作舟页码:第1页共8页机组控制系统热控施工方案华能榆社电厂二期×机组控制...
第1页共18页编号:时间:2021年x月x日书山有路勤为径,学海无涯苦作舟页码:第1页共18页化工仪表、电力热控系列培训资料(六)同位素料位计...
第1页共137页编号:时间:2021年x月x日书山有路勤为径,学海无涯苦作舟页码:第1页共137页山西漳山发电有限责任公司热控培训技术文档漳山发...
第1页共9页编号:时间:2021年x月x日书山有路勤为径,学海无涯苦作舟页码:第1页共9页更多资料请访问.(.....)热控一班岗位安全责任1.班组...
热控专业3月份安全情况汇报部门:设备部热控专业xx年3月份一、本月不安全事件情况(人身轻伤、障碍、异常、未遂和违章)不安全事件起数:(...
第1页共140页编号:时间:2021年x月x日书山有路勤为径,学海无涯苦作舟页码:第1页共140页山西漳山发电有限责任公司热控培训技术文档漳山发...
更多资料请访问.(.....)热控一班岗位安全责任1.班组长安全职责1.1安全和健康负责,对所管辖设备的安全、可靠运行负责。1.2负责制订和组织...
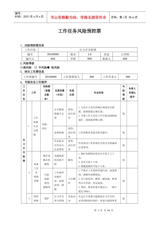
第1页共64页编号:时间:2021年x月x日书山有路勤为径,学海无涯苦作舟页码:第1页共64页工作任务风险预控票1.风险预控票信息工作任务压力开...
山西漳山发电有限责任公司热控培训技术文档漳山发电有限责任公司热控专业2004-11序言为了提高热控技术人员的工作能力和技术水平,确保机组...
广西贺州电厂一期工程B标段热控专业施工组织设计第一章编制依据1.《华润贺州电厂2×1000MW机组工程B标段施工组织总设计》2.中南电力设计...
QBxx发电有限责任公司企业标准热控专业定期工作制度xx发电有限责任公司目录1.………………………………………………………………………热控...
第1页共20页编号:时间:2021年x月x日书山有路勤为径,学海无涯苦作舟页码:第1页共20页热控专业施工组织设计编制依据《山西柳林发电厂一期...
第1页共10页编号:时间:2021年x月x日书山有路勤为径,学海无涯苦作舟页码:第1页共10页第一章热控概况第一节编制依据1.设计院热控部分初设...
第1页共10页编号:时间:2021年x月x日书山有路勤为径,学海无涯苦作舟页码:第1页共10页第一章热控概况第一节编制依据1.设计院热控部分初设...
第1页共42页编号:时间:2021年x月x日书山有路勤为径,学海无涯苦作舟页码:第1页共42页红河发电公司危险点危险源手册设备部编制热控专业20...
山西漳山发电有限责任公司热控培训技术文档漳山发电有限责任公司热控专业2004-11序言为了提高热控技术人员的工作能力和技术水平,确保机组...
发电有限公司危险源辨识、风险评价表(热控部分)作业活动:热控系统控制柜检修部门:序号作业步骤(内容)危险源可能造成的伤害评价风险级...
火力发电厂安全性综合评价标准目录2.5热控……………………………………………………………………………………2.5.1热工控制系统性能…...
检修作业文件包600MW发电机组#1机组热控电动执行机构检修作业文件包(B标段)批准:审定:审核:编写:国电蚌埠发电有限公司2010年4月国电...
发电有限公司危险源辨识、风险评价表(热控部分)作业活动:热控系统控制柜检修部门:序号作业步骤(内容)危险源可能造成的伤害评价风险级...

