第1页共3页本文格式为Word版下载后可任意编辑和复制工程造价司法鉴定申请书本文是工程造价司法鉴定申请书的范本,针对工程造价司法鉴定申请...
第1页共2页本文格式为Word版下载后可任意编辑和复制工程造价鉴定申请书有关工程造价鉴定申请书,工程造价鉴定申请书怎么写,工程造价鉴定申请...
第1页共7页本文格式为Word版下载后可任意编辑和复制工程造价方面的开题报告它计价简洁、真实,由于是直接利用与工程量清单相配套的企业清单...
第1页共7页本文格式为Word版下载后可任意编辑和复制有关工程造价方面的开题报告它计价简洁、真实,由于是直接利用与工程量清单相配套的企业...
全过程工程造价咨询投标方案目录第一章项目整体服务设想................................23第一节工程量清单编制...........................
1专题一:工程造价管理相关法律法规与制度专题一工程造价管理相关法律法规与制度一、建筑法及相关条例二、招标投标法及其实施条例三、政府...
陕西建设工程造价员试题整理理论部分(共30分)一、判断题(共5分,每题0.5分)1、单位工程是指能独立发挥生产能力,并且有独立设计的施工...
助理工程师论文浅谈减低工程造价的途径工程造价管理也称投资控制,是根本建立管理中最根底的管理工作。随着我国经济开展程度的进步,为与国...
GF—2015—0212合同编号:建设工程造价咨询合同(示范文本)住房城乡建设部制定国家工商行政管理总局说明为了指导建设工程造价咨询合同当事...
公路工程造价文件的编制与审查(路面、桥涵工程)一、大纲要求1、工程量的计算和审查2、临时工程和辅助工程的计算二、内容讲解4.2路面[案...
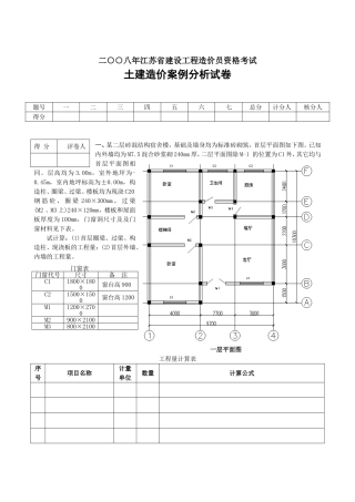
二○○八年江苏省建设工程造价员资格考试土建造价案例分析试卷题号一二三四五六七总分计分人核分人得分一、某二层砖混结构宿舍楼,基础及墙...
工程造价专业调查报告建设单位对工程造价的控制就是在满足项目合理的质量标准的前提下,在投资决策阶段、设计阶段和建设项目实施阶段中把工...
工程造价专业求职简历范文个人基本情况(略)专业简介为进一步提高学生的综合素质,培养其可持续发展能力,增强其就业竞争力。高职教育要实...
1.5造价控制方案目实施周期较长,根据以往建设经验,在项目实施过程中,由于施工组织设计、工程变更、索赔、工程计量方式的差别以及工程实...
工程造价毕业简历个人概况姓名xxx出生年月1986年7月毕业院校唐山学院学历大专联系电话xxx性别女政治面貌团员专业工程造价管理手机xxx电子邮...
江苏省建设工程造价咨询合同项目名称:建设地点:合同编号:咨询类型:江苏省住房和城乡建设厅制定江苏省工商行政管理局第一部分建设工程造...
建筑工程造价专业毕业自我鉴定在房校两年的理论,让我学会坚强,对建筑工程造价专业有了更深的认识。体育委员和足球裁判的工作,让我学会了...
建设工程造价咨询合同建设工程造价咨询合同(示范文本)第一部分建设工程造价咨询合同______________(以下简称委托人)与________________(...
建设工程造价的构成建设项目总投资包含的内容:设备及工器具购置费直接费工程费用间接费建筑安装工程费利润税金建设用地费用建设投资工程建...
工程造价咨询服务投标方案(最新可编辑Word完整版)目录一、工程造价咨询服务方案...........................41.人员配备.....................

