A FS自适应前照灯系统(Ad a ptive F r ont-L og h t System)一、功能根据车辆得行驶状况、路状以及天气来适时得调节前照...
毕业设计题 目:汽车前照灯齿轮轴注塑工艺分析及模具设计改进副 标 题:前 言模具是现代工业生产中的重要工艺装备之一,模具工业是国民...
基于复眼透镜的汽车前照灯光学系统设计随着汽车造型趋向于流线型、运动型的扁平化发展,车灯对于汽车造型的适应也要逐步跟进,同时目前在中...
每 当 我 看 到 很 多 人 想 买 汽 车 灯 具 , 但 又 无 从 下 手 , 单 从 网 上 查 询 , 信 息 量 都...
投射式汽车前照灯反射器椭圆曲面的设计
精品文档---下载后可任意编辑LED 汽车前照灯热管理技术讨论的开题报告题目:LED 汽车前照灯热管理技术讨论的开题报告一、选题背景和意义...
精品文档---下载后可任意编辑HID 汽车前照灯电子镇流器数字控制 IP 核讨论的开题报告在汽车电子系统中,HID(高强度气体放电)前照灯成...
GB4599(1994)汽车前照灯配光性能
- 1 - AFS 专论1·AFS 自适应前照灯系统简介 AFS(Adaptive Front Lighting System) 自适应前照灯系统简介 AFS 是指能自动改...
哈 尔 滨 理 工 大 学 课 程 设 计 题 目:捷达轿车前照灯故障诊断与维修 院 系: 机械学院、车辆工程 姓 名: 指导教师...
目 录 一、概述 ………………………………………… 二、测量原理 …………………………………… 三、主要技术参数 ……………………...
课题汽车前照灯线路的故障检测教学目标知识目标1、掌握前照灯电路的分析方法2、掌握线路故障的分析方法能力目标1、能连接前照灯的控制电路2...
LED汽车前照灯设计
LED 在汽车照明系统中的应用 1 引言 在20 世纪80 年代中期,LED 开始被用于汽车中央高位刹车灯(CHMSL)。进入90 年代,汽车仪表LCD...
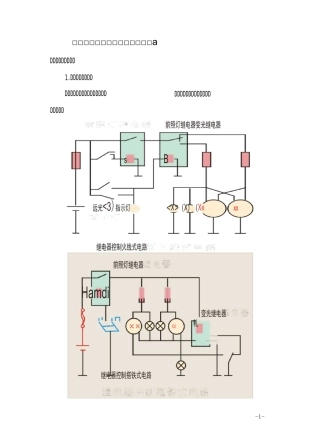
-1-□□□□□□□□□□□□□□aDDDDDDDDD1.DDDDDDDDDDDDDDDDDDDDDDDDDDDDDDDDDDDDDDDDDsBXX前照灯继电器变光继电器继电器控制火线式电路...
目次 第1 部分:前照灯……………………………………........................... 第2 部分:辅助照明灯……………………………..........
- 83 - 机 动 车 检 测 培 训 教 材 ( 原 理 篇 ) 第 八 章 前 照 灯 检 测 前 照 灯 是 汽 车 在 夜 ...
项目四前照灯的检查与调整分解课件REPORTING目录•前照灯检查的重要性•前照灯检查的步骤•前照灯调整的方法•前照灯常见故障及排除方法•...
前照灯控制电路的故障诊疗与排除一、前照灯控制电路1.前照灯电路的构成前照灯控制电路重要由灯光开关、变光开关、前照灯继电器及前照灯构成...
第1页共50页编号:时间:2021年x月x日书山有路勤为径,学海无涯苦作舟页码:第1页共50页汽车大灯改装全攻略(下篇)高级改装4.1安装汽车LED...

