太原市妇幼保健院迁建工程基坑支护、降水及土方开挖专项施工方案编制:审核:审批:中铁十七局集团有限公司2016年5月15日目录第一章工程概...
地铁广场降水专项施工方案编制人:审核人:审批人:地铁广场工程项目部目录一、编制依据5二、工程概况错误!未定义书签。三、工程地下水情...
虎林排水系统新建工程项目基坑降水专项施工方案上海建工二建集团有限公司1ShanghaiConstructionNo.2(Group)Co.,Ltd虎林排水系统新建工程...
第1页共14页编号:时间:2021年x月x日书山有路勤为径,学海无涯苦作舟页码:第1页共14页基坑降水、护壁方案设计第一部分前言1.工程概况佳木...
河南银鸽实业投资股份有限公司科技研发中心工程基坑降水施工方案河南银鸽实业投资股份有限公司科技研发中心工程基坑降水施工方案编制人:审...
一期1#、2#、3#、4#及南侧商业基坑支护工程西安国力置业有限公司户县沣京名苑住宅项目一期1#、2#、3#、4#楼及南侧商业基坑支护工程施工组织...
井点降水监理施行细那么工程名称新江湾佳苑〔二、三〕编制人周璋华总监理工程师孙克斌上海百通工程理咨询二00八年四月一、工程的特点本工程...
1页脚内容1中国移动河南公司开封分公司生产指挥调度楼土方开挖、基坑支护及降水专项施工方案编制人:审批人:1页脚内容2审核人:中城建第六...
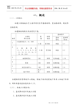
第1页共40页编号:时间:2021年x月x日书山有路勤为径,学海无涯苦作舟页码:第1页共40页一、概述(一)、工程概述:拟建工程场地位于上海市...
第1页共57页编号:时间:2021年x月x日书山有路勤为径,学海无涯苦作舟页码:第1页共57页目录1`-一、编制依据................................
1、编制依据1.1、建设单位提供的图纸及有关文件1.1.1、施工图图纸名称出图日期北京市朝阳区孙河乡西甸村F地块二类居住用地项目结构设计图纸...
虎林排水系统新建工程项目基坑降水专项施工方案上海建工二建集团有限公司1ShanghaiConstructionNo.2(Group)Co.,Ltd虎林排水系统新建工程...
目录1、编制依据...............................................................11.1、工程建设文件.....................................
邯郸市御景苑1#楼工程基坑支护设计、降水与土方开挖施工方案BUCG编制单位:北京城建御景苑项目部编制日期:2010年4月1日编制人:审核人:审...
0张掖市科技企业孵化园2#科技孵化楼基坑土方开挖、支护、降水专项施工方案张掖市科技企业孵化园2#科技孵化楼基坑土方开挖、支护、降水专项...
0中环名邸项目基坑降水专项施工方案编制人:审核人:审批人:歌山建设集团有限公司中环名邸项目基坑降水专项施工方案歌山建设集团有限公司2...
目录一.编制依据.....................................................................................................................
目录一、工程概况.....................................................................................................................
喜之郎西部生产基地建设项目工程基坑降水、支护和土方开挖专项施工方案115#建筑(水源水泵房)基坑降水、支护和土方开挖专项施工方案编制人...
1四川省第四建筑工程公司XXX项目目录1.编制依据................................................................12.工程概述..............

