双向作用筒式液力减振器的性能讨论减振器是汽车悬架的不可或缺的部分,在压缩和伸张两个行程内均能起作用的减振器,称为双向作用式减振器;...
无锡信仁通用机械有限公司 Wuxi Xinren Universal Machinery Co.,Ltd 零件目录 Spare parts list D125-32 型 筒式柴油打桩锤 ...
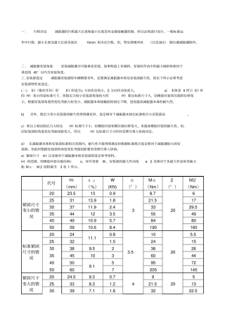
一 . 行程决定减振器的行程最大长度和最小长度没有金属接触器控制,所以必须进行设计。一般标准运作中行程,最小长度及最大长度各流出10m...
新建上海到昆明铁路客运专线(江西段)工程 HKJX-3标 PHC桩试桩总结 中交隧道工程有限公司 1 附件三: PHC管桩试桩施工工艺总结报告...
筒式节流阀设计
MG-250/320 型筒式钢球磨煤机施工工法1.前言筒式钢球磨煤机是热电厂锅炉生产蒸汽、热水的重要设备之一,随着国民经济及生产水平的提高,对...
第1页共6页编号:时间:2021年x月x日书山有路勤为径,学海无涯苦作舟页码:第1页共6页MG-250/320型筒式钢球磨煤机施工工法1.前言筒式钢球磨...
第1页共19页编号:时间:2021年x月x日书山有路勤为径,学海无涯苦作舟页码:第1页共19页前言传感器技术在当代科技领域占有十分重要的地位。...
前言传感器技术在当代科技领域占有十分重要的地位。所谓传感器就是能够规定的被测量并按一定规律转换成可用于输出信号的器件或装置。传感器...
永磁筒式磁选机简介太钢岚县矿业公司选矿部太钢岚县矿业公司选矿部编写人编写人::主要内容1.磁选的定义2.常见弱磁选设备简介3.永磁筒式磁选...

