电脑桌面
添加小米粒文库到电脑桌面
安装后可以在桌面快捷访问

筒式减振器安装角度

筒式减振器安装角度_第1页
1/4
筒式减振器安装角度_第2页
2/4
筒式减振器安装角度_第3页
3/4
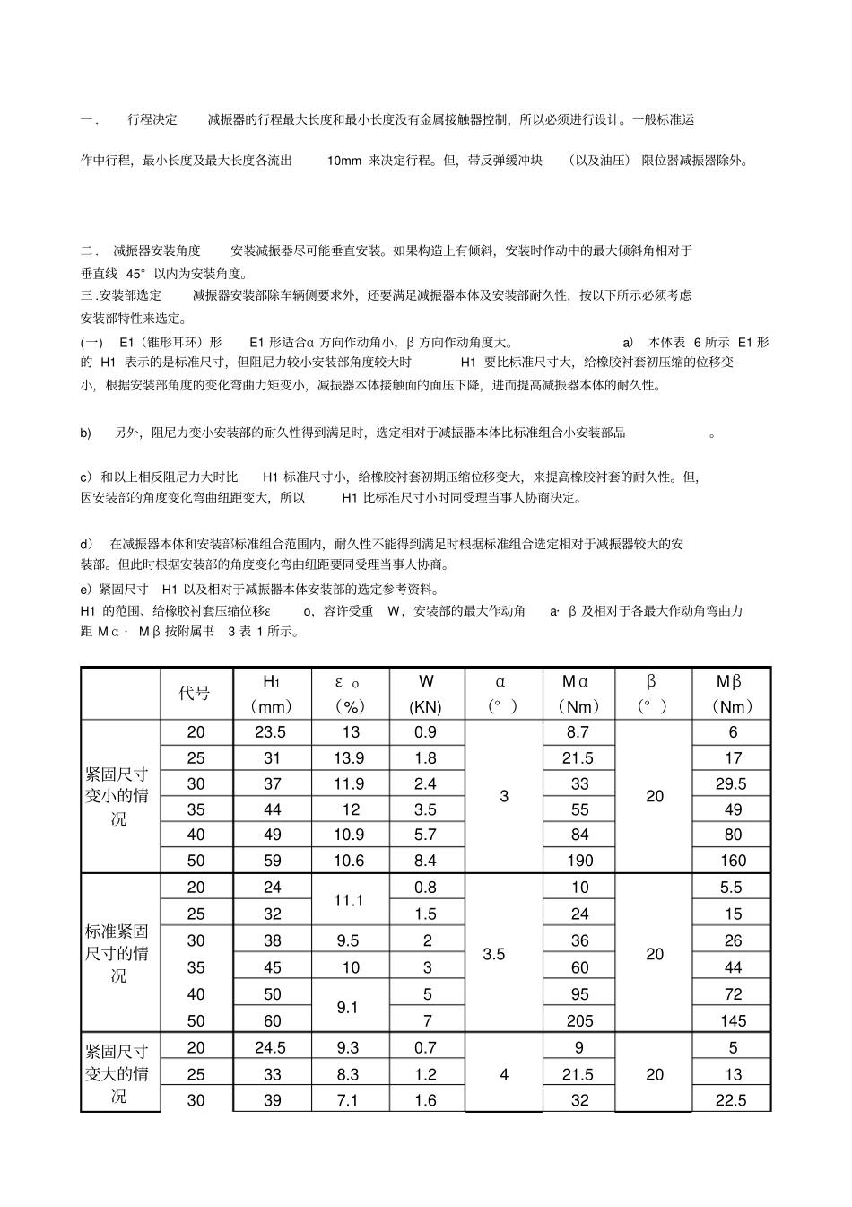
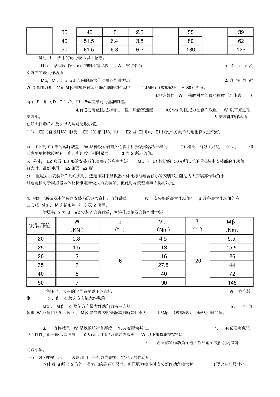
一 . 行程决定减振器的行程最大长度和最小长度没有金属接触器控制,所以必须进行设计。一般标准运作中行程,最小长度及最大长度各流出10mm 来决定行程。但,带反弹缓冲块(以及油压) 限位器减振器除外。二 . 减振器安装角度安装减振器尽可能垂直安装。如果构造上有倾斜,安装时作动中的最大倾斜角相对于垂直线 45° 以内为安装角度。三 .安装部选定减振器安装部除车辆侧要求外,还要满足减振器本体及安装部耐久性,按以下所示必须考虑安装部特性来选定。(一) E1(锥形耳环)形E1 形适合α 方向作动角小,β 方向作动角度大。a) 本体表 6 所示 E1 形的 H1 表示的是标准尺寸,但阻尼力较小安装部角度较大时H1 要比标准尺寸大,给橡胶衬套初压缩的位移变小,根据安装部角度的变化弯曲力矩变小,减振器本体接触面的面压下降,进而提高减振器本体的耐久性。b) 另外,阻尼力变小安装部的耐久性得到满足时,选定相对于减振器本体比标准组合小安装部品。c)和以上相反阻尼力大时比H1 标准尺寸小,给橡胶衬套初期压缩位移变大,来提高橡胶衬套的耐久性。但,因安装部的角度变化弯曲纽距变大,所以H1 比标准尺寸小时同受理当事人协商决定。d) 在减振器本体和安装部标准组合范围内,耐久性不能得到满足时根据标准组合选定相对于减振器较大的安装部。但此时根据安装部的角度变化弯曲纽距要同受理当事人协商。e)紧固尺寸H1 以及相对于减振器本体安装部的选定参考资料。H1 的范围、给橡胶衬套压缩位移εo,容许受重W,安装部的最大作动角a· β 及相对于各最大作动角弯曲力距 M α ·M β 按附属书3 表 1 所示。代号H1ε οW αM αβMβ(mm)(%)(KN) (° )(Nm)(° )(Nm)紧固尺寸变小的情况20 23.5 13 0.9 3 8.7 20 6 25 31 13.9 1.8 21.5 17 30 37 11.9 2.4 33 29.5 35 44 12 3.5 55 49 40 49 10.9 5.7 84 80 50 59 10.6 8.4 190 160 标准紧固尺寸的情况20 24 11.1 0.8 3.5 10 20 5.5 25 32 1.5 24 15 30 38 9.5 2 36 26 35 45 10 3 60 44 40 50 9.1 5 95 72 50 60 7 205 145 紧固尺寸变大的情况20 24.5 9.3 0.7 4 9 20 5 25 33 8.3 1.2 21.5 13 30 39 7.1 1.6 32 22.5 35 46 8 2.5 55 39 40 51.5 6.4 3.8 80 62 50 61.5 6.8 6.2 180 125 备注 1. 表中的记号表示以下意思。H1:...

1、当您付费下载文档后,您只拥有了使用权限,并不意味着购买了版权,文档只能用于自身使用,不得用于其他商业用途(如 [转卖]进行直接盈利或[编辑后售卖]进行间接盈利)。
2、本站所有内容均由合作方或网友上传,本站不对文档的完整性、权威性及其观点立场正确性做任何保证或承诺!文档内容仅供研究参考,付费前请自行鉴别。
3、如文档内容存在违规,或者侵犯商业秘密、侵犯著作权等,请点击“违规举报”。

碎片内容

筒式减振器安装角度

确认删除?
VIP
微信客服
  • 扫码咨询
会员Q群
  • 会员专属群点击这里加入QQ群
客服邮箱
回到顶部