消防系统调试方案一、工程范围1、消防、自动喷水系统:包括室外消火栓、地上室内消火栓、地下室内消火栓、车库喷淋系统及设备安装,按施工...
GST5000调试步骤一、检查线路1、总线线路(包括探头、手报、消火栓按钮、声光、模块等等现场设备的Z1/Z2信号线):此线路无极性。首先保证...
1山东钢铁日照精品钢基地干熄焦发电工程汽轮机调试方案编制:李濛编制单位:21、施用范围:本方案施用于青岛产25MW型汽轮发电机组的调试。2...
汽动给水泵调试方案汽动给水泵启动调试方案目录1、系统概述及主要设备规范2、编制依据3、调试范围4、试运行组织与分工5、调试程序与工艺6、...
×××污水处理系统调试阶段总结报告一、污水系统相关的运行参数情况系统名称设计进水水量(m3/d)设计进水TN(mg/L)设计进水PH设计进水氨...
南京百润化工有限公司污水处理站调试方案(初稿)二〇一〇年四月五日XXXX有限公司污水处理站运行调试方案2目录概述..........................
赤道几内亚马拉博市污水提升泵站调试方案编制审核批准陕西建工集团设备安装工程有限公司2012-8-18目录1、工程概况...........................
实用标准文案精彩文档永大日立电梯调试资料(内部资料)实用标准文案精彩文档第一章、调试作业顺序调试作业步骤检修运行前的调试连接线的检...
水轮机调速器现场调试及试验大纲一.充水前试验*导叶关闭规律(拐点和分段关闭时间T1、T2)、模拟(仿真)甩负荷试验、静特性试验*安全措施...
1/5水泵调试方案一、工程概况调试内容包括:CO2压缩站循环水站、全场加压泵站、污、废水处理站、2#空压站循环水站、蒸发循环水站共27台水泵...
水泵试运行调试记录表GB50242-2002工程名称广厦·中州国际消防系统安装工程子分部工程名称室内给水系统分项工程名称自动喷水灭火系统设备名...
水处理机电设备单机调试方案[精编版]说明本施工组织设计方案主要内容包括:施工组织措施、施工进度计划及人员配置计划、调试技术措施、环保...
百度文库-让每个人平等地提升自我1第一步执行器与阀门的安装:1.在拿到气缸后首先检查气缸型号是否正确,检查气缸为开状态还是关状态,通常...
实用标准文案精彩文档柴油发电机吊装方案一、工程概况本工程位于1#教学楼西侧发电机房有一台柴油发电机,发电机常载功率为300KW,燃油消耗...
1目录1.概况22.电气调试流程图23.电气调试准备24.电气设备单体试验35.继电保护整定116.系统操作试验117.PLC系统调试118.整流所送电179.整流...
污水处理厂工程总承包项目1调试及试运行1施工准备工作...................................................................................
发放编号:文件编号:河北安丰钢铁2×100MW机组发电工程EH油及调节保安系统调试措施迪尔集团有限公司2017年7月河北安丰钢铁2×100MW机组发...
东菱伺服调试步骤及注意事项课件目录•调试准备•调试步骤•安全注意事项•常见问题及解决方案调试准备了解设备参数01了解伺服电机的型号、...
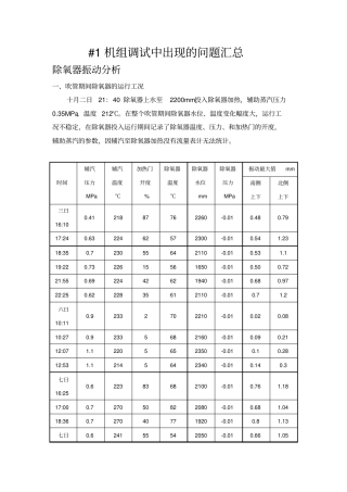
#1机组调试中出现的问题汇总除氧器振动分析一、吹管期间除氧器的运行工况十月二日21:40除氧器上水至2200mm,投入除氧器加热,辅助蒸汽压力0...
2017年广西中等职业学校教师职业技能大赛《机电一体化设备组装与调试》赛项比赛规程一、比赛内容参赛工作组根据赛场提供的有关资料和工作任...

