第1页共15页编号:时间:2021年x月x日书山有路勤为径,学海无涯苦作舟页码:第1页共15页汽油机电控燃油喷射系统执行机构的检修第2页共15页...
汽油机供系精•汽油机供给系概述•汽油机供给系的部件•汽油机供给系的原理•汽油机供给系的调试与优化•汽油机供给系的发展趋势和挑战•汽...
编号淮安信息职业技术学院毕业论文题目缸内直喷电控汽油机技术分析、故障诊断与检修学生姓名陆野学号82107023系部汽车工程系专业汽车检测与...
合肥工业大学本科毕业论文摘要大阳CG125汽油机的单片机控制系统是准确控制汽油机点火时刻、节气门开度等的关键部件。然而,点火系统在火花...
四缸直列汽油机曲轴设计系统本文以VC++6.0编程软件为工具,以Pro/ENGINEER二次开发接口应用程序Pro/TOOLKIT为手段,采用动态链接库DLL方式...
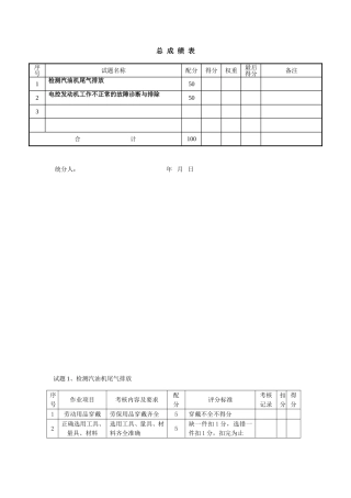
总成绩表统分人:年月日试题1、检测汽油机尾气排放序号作业项目考核内容及要求配分评分标准考核记录扣分得分1劳动用品穿戴劳保用品穿戴齐全...
汽油机缸内直喷技术2automobile●engine主要内容•引言•一、汽油机缸内直喷技术的发展•二、汽油机缸内直喷技术的工作原理•三、大众FSI发...
授课内容授课内容::内燃机内燃机重点重点::汽油机的四个冲程工作汽油机的四个冲程工作过程的介绍。过程的介绍。难点难点::理解汽油机与柴油...
题目:汽油机有害排放物的危害与控制措施一、研究的基本内容与拟解决的主要问题(或研究的主要内容及预期目标):1.1本文研究的基本内容:...
开题报告一、研究的基本内容与拟解决的主要问题(或研究的主要内容及预期目标):1.1本文研究的基本内容:为了保护生态平衡和人类健康,国...

