电脑桌面
添加小米粒文库到电脑桌面
安装后可以在桌面快捷访问

检测汽油机尾气排放总成绩表VIP免费

检测汽油机尾气排放总成绩表_第1页
1/3
检测汽油机尾气排放总成绩表_第2页
2/3
检测汽油机尾气排放总成绩表_第3页
3/3
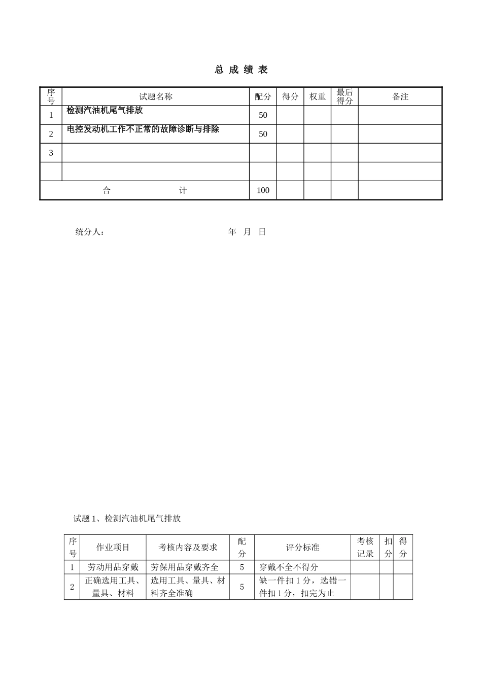
总成绩表统分人:年月日试题1、检测汽油机尾气排放序号作业项目考核内容及要求配分评分标准考核记录扣分得分1劳动用品穿戴劳保用品穿戴齐全5穿戴不全不得分2正确选用工具、量具、材料选用工具、量具、材料齐全准确5缺一件扣1分,选错一件扣1分,扣完为止序号试题名称配分得分权重最后得分备注1检测汽油机尾气排放502电控发动机工作不正常的故障诊断与排除503合计1003准备检测前准备10准备不充分一次扣2.5分,扣完为止准备失误扣5分4检测连接尾气分析仪10连接方法不正确扣10分测量尾气排放20测量方法不正确扣10分,不会测量不得分测量结果不正确扣10分5分析查阅维修手册,对读取的数值进行分析20分析不正确扣10分不会分析扣20分6正确使用工具、用具工具、用具使用正确10一种工具、用具使用不正确扣2分,扣完为止损坏丢失一件工具、用具不得分7操作规程操作规程执行情况15违反操作规程不得分8清理现场清理、擦洗并回收工具、用具5少收一件工具、用具扣1分,扣完为止9分数总计100否定项说明:出现重大安全事故按0分计。评分人:年月日核分人:年月日试题2、电控发动机工作不正常的故障诊断与排除序号作业项目考核要求配分评分标准考核记录扣分得分1劳动用品穿戴劳保用品穿戴齐全5穿戴不全不得分2正确选用工具、量具、材料选用工具、量具、材料齐全准确5缺一件扣1分,选错一件扣1分,扣完为止3根据故障现象,分析故障原因运用正确方法确认故障,分析产生故障的原因,说出至少3种主要故障原因20故障确认不准确扣5分,分析原因不相关扣5分,每少说1项扣5分,扣完为止。4诊断故障用正确的方法诊断故障20诊断方法错误扣5-10分,诊断步骤每错一步扣5分,诊断结果错误不得分。5排除故障运用正确方法排除故障20不能排除扣10分自制一处故障扣10分6验证排除效果按照要求验证排除效果5验证方法不当扣5分,不进行验证扣5分7正确使用工具、用具工具、用具使用正确10一种工具、用具使用不正确扣1分,扣完为止损坏丢失一件工具、用具不得分8操作规程操作规程执行情况10违反操作规程不得分9清理现场清理、擦洗并回收工具、用具5少收一件工具、用具扣1分,扣完为止未回收不得分10分数总计100否定项说明:出现重大安全事故按0分计。评分人:年月日核分人:年月日

1、当您付费下载文档后,您只拥有了使用权限,并不意味着购买了版权,文档只能用于自身使用,不得用于其他商业用途(如 [转卖]进行直接盈利或[编辑后售卖]进行间接盈利)。
2、本站所有内容均由合作方或网友上传,本站不对文档的完整性、权威性及其观点立场正确性做任何保证或承诺!文档内容仅供研究参考,付费前请自行鉴别。
3、如文档内容存在违规,或者侵犯商业秘密、侵犯著作权等,请点击“违规举报”。

碎片内容

检测汽油机尾气排放总成绩表

文章天下+ 关注
实名认证
内容提供者

各种文档应有尽有

相关文档

确认删除?
VIP
微信客服
  • 扫码咨询
会员Q群
  • 会员专属群点击这里加入QQ群
客服邮箱
回到顶部