第1页共8页编号:时间:2021年x月x日书山有路勤为径,学海无涯苦作舟页码:第1页共8页天津广播电视大学开放教育“土木工程”专业(本科)社...
第1页共7页编号:时间:2021年x月x日书山有路勤为径,学海无涯苦作舟页码:第1页共7页钢筋应力计工艺说明一、说明在建筑工程的强震观测及...
第1页共48页编号:时间:2021年x月x日书山有路勤为径,学海无涯苦作舟页码:第1页共48页前言工程质量牵涉千家万户,不能掉以轻心。当前,在...
目录第一章编制说明...................................................................................................................
第1页共99页编号:时间:2021年x月x日书山有路勤为径,学海无涯苦作舟页码:第1页共99页钢筋电渣压力焊作业指导书中国新兴建设开发总公司中...
第1页共67页编号:时间:2021年x月x日书山有路勤为径,学海无涯苦作舟页码:第1页共67页1承台钢筋绑扎施工工艺1.1执行标准《混凝土结构工程...
第1页共35页编号:时间:2021年x月x日书山有路勤为径,学海无涯苦作舟页码:第1页共35页目录(一)材料知识1.钢筋的分类2.钢筋的性能3....
第1页共12页编号:时间:2021年x月x日书山有路勤为径,学海无涯苦作舟页码:第1页共12页一、工程概况本工程钢筋用量大,钢筋规格比较多。为...
第1页共80页编号:时间:2021年x月x日书山有路勤为径,学海无涯苦作舟页码:第1页共80页表4.3.3班组(日)安全活动记录班组名称:钢筋工班...
第1页共7页编号:时间:2021年x月x日书山有路勤为径,学海无涯苦作舟页码:第1页共7页工程名称汉水名城二期南区11#、14#、16#、19#楼交底部...
第1页共40页编号:时间:2021年x月x日书山有路勤为径,学海无涯苦作舟页码:第1页共40页目录1、编制依据....................................
第1页共17页编号:时间:2021年x月x日书山有路勤为径,学海无涯苦作舟页码:第1页共17页本表由施工单位填写技术交底记录表C2-1编号01-06-C2...
第1页共5页编号:时间:2021年x月x日书山有路勤为径,学海无涯苦作舟页码:第1页共5页锥螺纹钢筋接头工艺标准1范围本工艺标准适用于工业与...
第1页共9页编号:时间:2021年x月x日书山有路勤为径,学海无涯苦作舟页码:第1页共9页钢筋制作与绑扎工程作业指导书中建三局(广州)一公司...
第1页共6页编号:时间:2021年x月x日书山有路勤为径,学海无涯苦作舟页码:第1页共6页锥螺纹钢筋接头工艺标准1范围本工艺标准适用于工业与...
第1页共7页编号:时间:2021年x月x日书山有路勤为径,学海无涯苦作舟页码:第1页共7页现浇框架结构钢筋绑扎1范围本工艺标准适用于多层工业...
第6页共6页编号:时间:2021年x月x日书山有路勤为径,学海无涯苦作舟页码:第6页共6页
第1页共8页编号:时间:2021年x月x日书山有路勤为径,学海无涯苦作舟页码:第1页共8页工程名称钱江疗养院改造项目工程交底部位工程编号日期...
第1页共6页编号:时间:2021年x月x日书山有路勤为径,学海无涯苦作舟页码:第1页共6页锥螺纹钢筋接头工艺标准1范围本工艺标准适用于工业与...
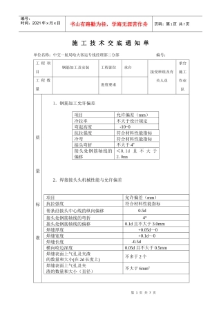
第1页共7页编号:时间:2021年x月x日书山有路勤为径,学海无涯苦作舟页码:第1页共7页施工技术交底通知单单位名称:中交一航局哈大客运专线...

