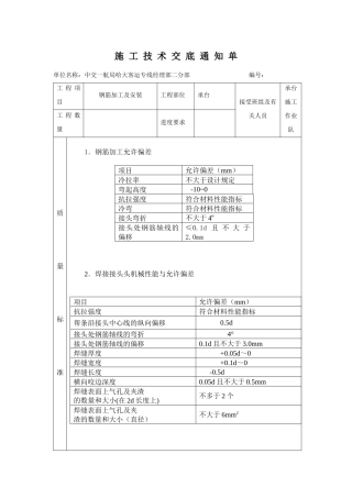
施工技术交底通知单单位名称:中交一航局哈大客运专线经理部二分部编号:工程项目钢筋加工及安装工程部位承台接受班组及有关人员承台施工作...
标准墙钢筋施工工艺控制流程及控制要点一、工艺流程放控制线→清理插筋→找正插筋→绑扎墙体主筋→绑扎洞口加筋→放置拉结钢筋→清理现场二...
钢筋挤压套筒接头工艺试验方案二〇一〇年十月目录一概述.................................................................................
1承台钢筋绑扎施工工艺1.1执行标准《混凝土结构工程施工质量验收规范》(GB50204—2002)(2010版);《混凝土结构设计规范》(GB50010—20...
钢筋安装及预埋件施工作业指导书第一节总则1.1本作业指导书根据《水工砼施工规范》(SDJ207-82)编制,适用于水利水电工程钢筋砼施工中的钢...
钢筋套筒冷挤压连接施工技术简介摘要钢筋套筒冷挤压连接是钢筋混凝土结构施工中钢筋连接的一项新技术。目前在我国已建和在建工程中都得到了...
中级钢筋工试题(带答案)
工程名称交底部位工程编号日期交底内容:钢筋闪光对焊工艺标准1范围本工艺标准适用于工业与民用建筑热轧钢筋的连续闪光焊,预热闪光焊、闪...
第1页共45页编号:时间:2021年x月x日书山有路勤为径,学海无涯苦作舟页码:第1页共45页隐蔽工程验收记录质控(建)表4.1.5.3共页第页工程...
工程名称汉水名城二期南区11#、14#、16#、19#楼交底部位结构层梁、板工程编号02日期2011.11.5交底内容:钢筋闪光对焊工艺标准1范围本工艺标...
钢筋Ф22搭接焊工艺试验报告编号:编制:技术人员:批准:单位:日期:表B-1焊接工艺试验报告目录序号报告名称报告编号页数1焊接工艺试验报...
第1页共45页编号:时间:2021年x月x日书山有路勤为径,学海无涯苦作舟页码:第1页共45页手工计算钢筋公式手工计算钢筋公式第一章梁第一节框...
第1页共44页编号:时间:2021年x月x日书山有路勤为径,学海无涯苦作舟页码:第1页共44页线材、钢筋基本知识1.1钢铁行业的产业链介绍钢铁工...
第1页共38页编号:时间:2021年x月x日书山有路勤为径,学海无涯苦作舟页码:第1页共38页只要你学习或者从事建筑,不管是什么专业绝对能用到...
编号:XK05-001建筑用钢筋产品生产许可证实施细则(一)(钢筋混凝土用热轧钢筋部分)2011年1月19日公布2011年3月1日实施国家质量监督检验...
第一篇、钢筋算量基本方法第一章梁第一节框架梁一、首跨钢筋的计算1、上部贯通筋上部贯通筋(上通长筋1)长度=通跨净跨长+首尾端支座锚固...
建筑施工之钢筋安装9-7-1钢筋现场绑扎9-7-1-1准备工作1.核对成品钢筋的钢号、直径、形状、尺寸和数量等是否与料单料牌相符。如有错漏,应...
编号:XK05-001建筑用钢筋产品生产许可证实施细则(一)(钢筋混凝土用热轧钢筋部分)2011年1月19日公布2011年3月1日实施国家质量监督检验...
第1页共17页编号:时间:2021年x月x日书山有路勤为径,学海无涯苦作舟页码:第1页共17页【建筑工程钢筋识图入门】——建工、监理、造价的同...
第1页共8页编号:时间:2021年x月x日书山有路勤为径,学海无涯苦作舟页码:第1页共8页《混凝土结构工程施工质量验收规范》(GB50204—2002)...

