钢筋施工方案培训资料高科 绿水东城•3-4 号楼钢筋工程施工方案XX工程公司年 月 日目 录一、编制依据..................................
编号:ZJJS 楼承板发放号:*********** **工程钢筋桁架楼承板工程施工方案编制人:申报人:审批人:编制部门:*************项目部一、编...
钢筋机械使用安全交底交底内容: (一)一般规定1.钢筋加工机械以电动机、液压为动力,以卷扬机为辅机者,应按有关规定执行。2.机械的安...
钢筋机具安全培训1、切断机待运转正常后方可断料手与刀口距离不得少于 15CM。2、切长料时,操作配合好动作一致,切短料时,不得用手垂直接...
钢筋施工万案1. 编制依据2.1总体简介2.2主体部分:2.3材料要求3.钢筋搭接及锚固、接头方式、保护层垫块、机械设备配置3.1钢筋搭接及锚固长...
钢筋施工方案和技术措施一、钢筋工程概况1.筏板钢筋(III 级钢)筏板钢筋表板厚(毫米)配筋(钢筋直径@间距)722@150、 22@2、 25@130...
钢筋施工方案1. 工程概述本工程主要使用 HPB3、HPB3E、HRB335E、HRB4E 四种强度的钢筋,在钢筋构造方面执行新版16G101 图集,同时为减...
钢筋施工方案1、编制依据序号名称编 号1《混凝土结构设计法律规范》GB510-20252《建筑抗震设计法律规范》GB511-20253《混凝土结构工程施工...
钢筋施工方案1、编制依据1.1 图纸与施组111 图纸1121.2.2 specific 文件 n标段四(715)项目施工组织设计1. 2 法律规范、规程、标准...
1.编制依据1.1 施工图序号图纸类别图纸编号工程号出图日期1建筑施工图建-01建〜-2911-42025.072结构施工图结-01结〜-252025.071.2 施工组...
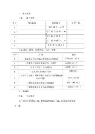
1. 编制依据1.1.施工图纸序号图纸名称图纸编号出图日期1BJC 联-G-1〜752BJC 新 S-站-G-1 〜53BJC 新 S-废-G-1 〜84BJC 新 S-油-G...
1.1.1 钢筋施工方案本工程钢筋全部采纳现场预制加工,现场配备钢筋施工机械两套,包括 GT-40 型钢筋直螺纹滚丝机、切断机、弯曲机、调直...
1、当为梁侧面构造钢筋时,其搭接与锚固长度可取为 15d;当为梁侧面受扭钢筋时,其搭接长度为“锚固长度” 锚固长度与方式同框架梁下部钢...
第一章工程概况1.1 工程概况结构形式基础主楼:筏板承台下桩基辅楼:独立承台下桩基主体结构主楼:现浇钢筋混凝土框架-抗震墙结构辅楼:现...
一.编制依据二.工程概况1.结构概况2.主要部位钢筋类型3.施工准备(1) .技术准备由专业负责人组织班组学习钢筋混凝土施工及验收法律规范,钢...
个人收集了温度哦供大家学习==============================专业收集==================================================================...
1. 编制依据1.1 施工图序号图纸类别图纸编号工程号出图日期1建筑施工图建-01建〜-2911-42025.072结构施工图结-01结〜-252025.071.2 施工...
钢筋施工工艺第 1 章概述略第 2章 材料机具及作业条件第 1 节材料机具1 钢筋应有出厂合格证按规定作力学性能复试当加工过程中发生脆...
古渡家园(二期)公租>J9#楼、/、钢筋施工——钢筋工程施工方案编制审核批准西安建工第一建筑有限公司西安建工第一建筑有限公司方案.1.古...
钢筋锚固心、法总诀钢筋锚固插多深,置。直弯机械三锚分,侧中部。直锚查表按砼号,乘以直径哪类筋,度等级及钢筋直径。直锚不够弯锚拐,角...

