电脑桌面
添加小米粒文库到电脑桌面
安装后可以在桌面快捷访问

钢筋施工方案和技术措施

钢筋施工方案和技术措施_第1页
1/40
钢筋施工方案和技术措施_第2页
2/40
钢筋施工方案和技术措施_第3页
3/40
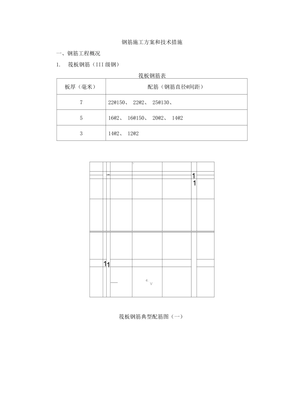
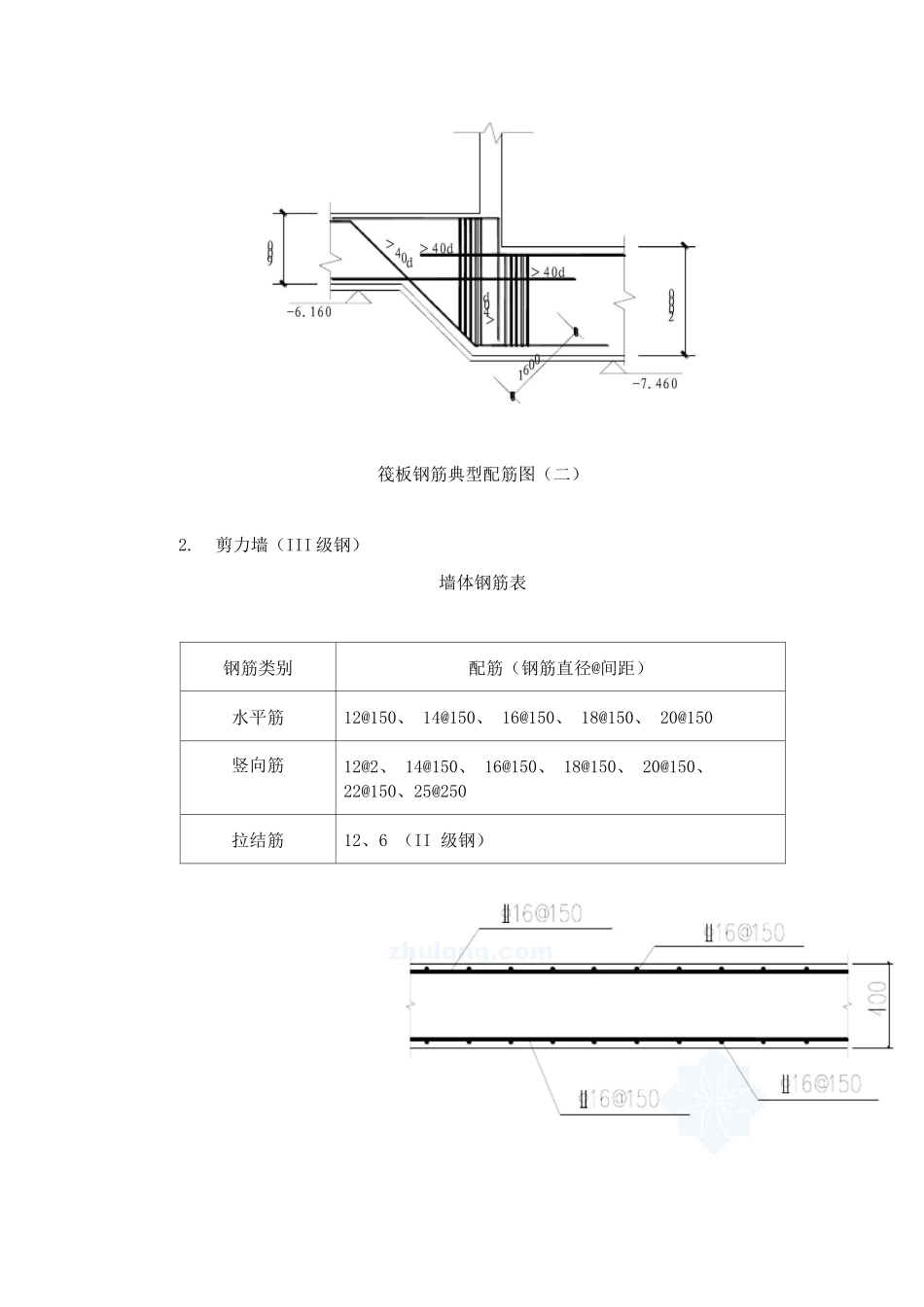
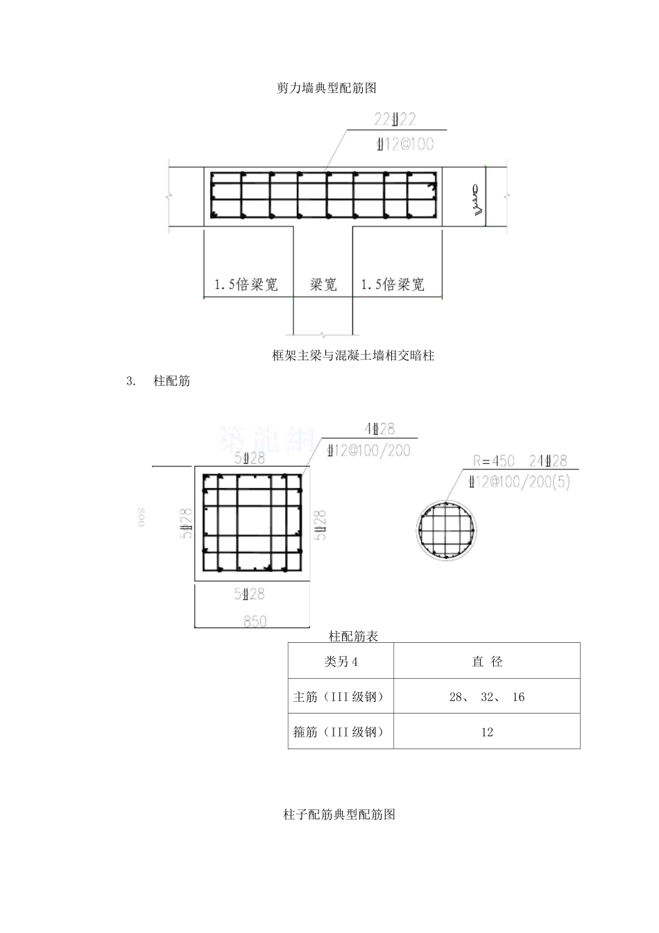
钢筋施工方案和技术措施一、钢筋工程概况1.筏板钢筋(III 级钢)筏板钢筋表板厚(毫米)配筋(钢筋直径@间距)722@150、 22@2、 25@130、516@2、 16@150、 20@2、 14@2314@2、 12@2Vn1111—4『V筏板钢筋典型配筋图(一)筏板钢筋典型配筋图(二)2.剪力墙(III 级钢)墙体钢筋表钢筋类别配筋(钢筋直径@间距)水平筋12@150、 14@150、 16@150、 18@150、 20@150竖向筋12@2、 14@150、 16@150、 18@150、 20@150、 22@150、25@250拉结筋12、6 (II 级钢)框架主梁与混凝土墙相交暗柱3.柱配筋柱配筋表类另 4直 径主筋(III 级钢)28、 32、 16箍筋(III 级钢)12柱子配筋典型配筋图soo剪力墙典型配筋图4.板配筋楼板配筋(钢筋直径@间距):I 级钢:8@2、10@2III 级钢:12@125、12@180、12@2、16@180、16@25.梁配筋梁配筋表钢筋类别钢筋直径主筋(I 级钢)18、 20、 25、 32箍筋(I 级钢)12、102楼板配典型筋图基础梁配筋示意图6.后浇带钢筋的设置后浇带部位的构件钢筋拉通不截断,且增设不少于 15%的附加钢筋,伸入后浇带两侧各 10mm。底板后浇带加强钢筋做法二、钢筋的原材料控制钢筋工程是结构工程质量中的重要一环,首先要严把材质、加工、连接、安装的质量关,施工过程中要跟踪检查,确保钢筋工程的质量。(一)钢筋的进场检查1. 进场钢筋应有出厂质量证明书或厂方试验报告单。2. 外观检查:钢筋表面及每捆(盘)钢筋均有标识,钢筋表面不得有裂纹、折痕和锈蚀现象。3.按现行国家标准的规定抽取试样作力学性能的试验,合格后方可使用。并作好见证取样送检工作。(二)钢筋的质量控制钢筋质量控制图三、钢筋加工、钢筋连接和钢筋锚固搭接1. 施工放样依据结构施工图、法律规范要求、施工方案及有关洽商并综合考虑各种节点的施工,确定弯曲调整值、弯钩增加长度、箍筋调整值等参数,保证下料长度准确。2. 钢筋加工钢筋加工全部在现场加工场加工,严格按法律规范操作,严格控制钢筋除锈、调直、切断、成型每道工序,加工成型后经验收通过方可使用。3. 钢筋连接型式的选择当钢筋直径>22mm 时,采纳直螺纹机械连接接头。当受力钢筋直径< 22mm 时,采纳绑扎连接接头。4. 钢筋直螺纹连接(1)施工准备1)由厂家根据其工艺要求对操作人员进行技术交底和技术培训,经考核合格发给上岗证后方可上岗操作。2)钢筋应先调直再加工,切端面要与钢筋轴线垂直,端头弯曲、马蹄严重的要切去,但不得用气割下料。(2)...

1、当您付费下载文档后,您只拥有了使用权限,并不意味着购买了版权,文档只能用于自身使用,不得用于其他商业用途(如 [转卖]进行直接盈利或[编辑后售卖]进行间接盈利)。
2、本站所有内容均由合作方或网友上传,本站不对文档的完整性、权威性及其观点立场正确性做任何保证或承诺!文档内容仅供研究参考,付费前请自行鉴别。
3、如文档内容存在违规,或者侵犯商业秘密、侵犯著作权等,请点击“违规举报”。

碎片内容

钢筋施工方案和技术措施

您可能关注的文档

确认删除?
VIP
微信客服
  • 扫码咨询
会员Q群
  • 会员专属群点击这里加入QQ群
客服邮箱
回到顶部