公路工程质量检验评定标准容----------------------- -----------------------日期:公路工程质量检验评定标准(JTGF80/1-2024)1 总则1.0....
儿童感觉统合能力进展评定量表一:量表分类:中小学心理健康综合测评二:量表名称:儿童感觉统合能力进展评定量表三:编号:GJTH四:测验介...
附件 1:市供热行业安全生产标准化企业评定标准序号评定项目评定容参照依据查证实物和打分方法应得分扣分理由实得分一资质许可设置 1 项...
顺义区供热企业安全生产标准化评定标准安全生产标准化自/复评汇总表序号考评容应得分拥有总数量抽查数量抽查不合格数抽查不合格率实得分备...
VOLKSWAGEN AG德国××大众汽车集团供应商质量能力评定准则质量管理体系-要求潜在供应商评价过程审核,产品审核验证(D/TLD-零件)经全面修...
国食药监械〔2024〕239 号附件 3体外诊断试剂生产企业质量管理体系考核评定标准(试行)国家食品药品监督管理局说 明一、制定依据依据《...
道路交通事故受伤人员伤残评定标准 - 交通事故伤残鉴定标准2005-09-02道路交通事故受伤人员伤残评定标准 (2024 年 12 月 1 日)[...
杨陵区人民政府,管委会各工作部门、各直属机构,各金融单位:现将《杨凌示范区企业诚信等级综合评定办法(修订本)》予以印发,请遵照执行...
企业绩效营运评定第一章绪论1.1 讨论动机比率分析自从十九世纪末提出以来,一直为企管实务中推断公司营运绩效良窳的重要工具之一。适当的...
企业安全生产标准化十三、绩效评定和持续改进xxxxx序号目 录1安全标准化绩效评定管理制度2年度安全生产工作总结报告3年度安全生产标准化绩...
方正春元科技进展有限公司任职资格评定指导手册目 录1定义..............................................................................
仓储物流企业安全生产标准化评定标准考评说明1.本评定标准适用于仓储物流企业,不适用车站和码头、危险物品经营和储存、运输等企业。2.本评...
仓储物流企业安全生产标准化评定标准自评/评审单位:自评/评审时间:从年月日 到年月日自评/评审组组长: 自评/评审组主要成员:考评类目...
人身保险伤残评定标准(行业标准)(中保协发〔2024〕88 号)说明:本标准对功能和残疾进行了分类和分级,将人身保险伤残程度划分为一至十...
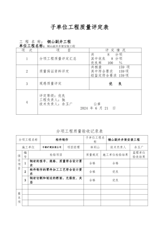
子单位工程质量评定表工 程 名 称: 铜山副井工程单位工程名称:铜山副井井架安装工程项 次项 目评 定 情 况1分项工程质量评定汇...
中国农业银行客户信用等级评定办法中国农业银行文件农银发[2024] 135 号关于印发《中国农业银行客户信用等级评定办法》的通知各省、自...
旅游随笔成绩评定表编号姓名作品名学院成绩总分(100)切合主题(30)文笔流畅(20)语言优美(20)富有新意(20)情感真切(10)
“测量圆筒体积〞不确定度评定1、概述根据……,在环境温度为 20℃下,用千分尺与游标卡尺分别测量圆筒的直径D 和高度 H,各对圆筒的不...
一、编制依据与说明1、《建筑工程施工质量验收统一标准》(GB50300-2001);2、《电力建设施工质量验收与评定规程 第 1 部分 土建工程...
水利水电工程表 5.1 压力钢管单元工程安装质量验收评定表单位工程名称单元工程量分部工程名称安装单位单元工程名称、部位评定日期年 月...

