单 位 工 程 质 量 评 定 表单位工程名称:1#消防给水管线 施工单位:中国湖南建设集团公司开工日期:2024 年 7 月 19 日 ...
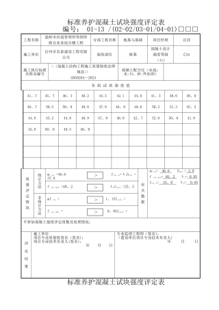
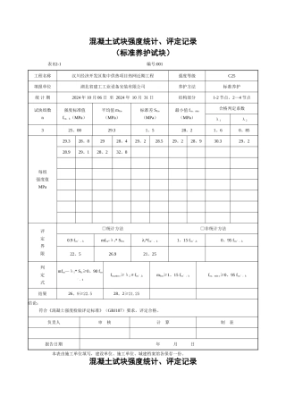
质量验收与评定围表工程编号工 程 名 称验收单位质量控制点质量验评与签证表编号单位工程子单位工程分部工程子分部工程分项工程检 验 ...
加拿大猪场现场评定报告----------------------- -----------------------日期:项目背景加拿大的养猪在国与出口市场中正在迅速进展,这是...
分项工程质量检验批判定表汇编----------------------- -----------------------日期:巷道基岩掘进分项工程质量检验批判定表工程名称: ...
分项工程质量检验评定表汇编----------------------- -----------------------日期:分项工程质量检验评定表工程编号分项工炉7.1表性质 ...
水利水电工程施工质量评定表填表说明与示例(试行)填表基本规定《水利水电工程施工质量评定表》(试行)(以下简称《评定表》)是检验与评...
中华人民国行业标准 YBP YB /T4253—2024冶金设备工程安装质量评定标准2024—05—18 发布 2024—08—01 日实施中国人民国工业和信息...
冶金企业安全生产标准化评定标准(炼铁)考评说明1.本标准适用于炼铁企业开展安全生产标准化自评、申请、外部评审与各级安全监管部门监督审...
冶金企业安全生产标准化评定标准(铁合金)考评说明1.本评定标准适用于铁合金企业开展安全生产标准化自评、申请、外部评审与安全监管部门监...
国家安全监管总局关于印发冶金企业安全生产标准化评定标准(焦化)的通知安监总管四〔2024〕11 号各省、自治区、直辖市与生产建设兵团安全...
冶金企业安全生产标准化评定标准(烧结球团)考 评 说 明1.本评定标准所称烧结球团企业包括钢铁联合企业中的烧结球团单元及独立烧结球团...
冶金企业安全生产标准化评定标准(煤气)考 评 说 明1.本评定标准所指煤气包括冶金企业中的煤气(含天然气),适用于冶金企业(不包括炼...
附件 2:冶金企业安全生产标准化评定标准(焦化)考 评 说 明1.本标准仅适用于钢铁联合企业中的焦化企业开展安全生产标准化自评、申请...
冶金企业安全生产标准化评定标准(轧钢)考评说明1.本评定标准所指的轧钢企业包括钢铁联合企业中的轧钢单元与独立轧钢生产企业,适用于轧钢...
省农村水利工程施工质量评定表目 次第一单位工程渠系工程质量评定表 4第 1 分部渠道工程质量评定表 5表 1 渠道开挖单元工程质量评定...
内部审核员评定及授权法律规范文件编号: NW403101 生效日期: 2000.3.20受控编号:密级:秘密版次:Ver2.1修改状态:总页数7正文5附录2...
兽医师评定个人述职报告尊敬的各位专家、学者:我名 XX,男,1976 年 3 月 6 日出生,现年 36 岁,韶山市杨林乡人,中共党员,本科...
公路工程质量检验评定标准概述----------------------- -----------------------日期:公路工程质量检验评定标准(JTGF80/1-2024)1 总则1....
第一部分 工程质量评定表目录 总评表 1 建设项目质量检验评定表 总评表 2 合同段工程工程质量检验评定表 总评表 3 单位工程质量...
公路工程质量检验评定标准本----------------------- -----------------------日期:公路工程质量检验评定标准(1) 前 言 1994 年 3...

