电脑桌面
添加小米粒文库到电脑桌面
安装后可以在桌面快捷访问

单位分部分项划分办法与评定方法

单位分部分项划分办法与评定方法_第1页
1/11
单位分部分项划分办法与评定方法_第2页
2/11
单位分部分项划分办法与评定方法_第3页
3/11
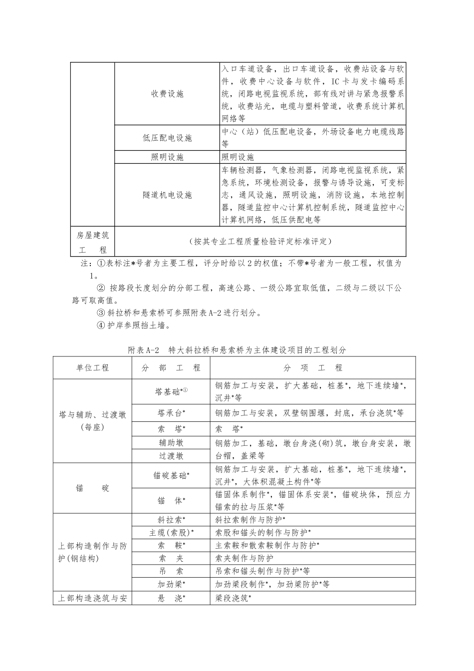
单位、分部与分项工程的划分附表 A-1 一般建设项目的工程划分单位工程分 部 工 程分 项 工 程路基工程(每 10km或每标段)路基土石方工程*①(1~3km 路段)②土方路基*,石方路基*,软土地基*,土工合成材料处治层*等排水工程(1~3km 路段)管节预制,管道基础与管节安装*,检查(雨水)井砌筑*,土沟,浆砌排水沟*,盲沟,跌水,急流槽*,水簸箕,排水泵站等小桥与符合小桥标准的通道*,人行天桥,渡槽(每座)基础与下部构造*,上部构造预制、安装或浇筑*,桥面*,栏杆,人行道等涵洞、通道(1~3km 路段)基础与下部构造*,主要构件预制、安装或浇筑*,填土,总体等砌 筑 防 护 工 程 (1 ~ 3km 路段)挡土墙*,墙背填土,抗滑桩*,锚喷防护*,锥、护坡,导流工程,石笼防护等大型挡土墙*,组合式挡土墙*(每处)基础*,墙身*,墙背填土,构件预制*,构件安装*,筋带,锚杆、拉杆,总体*等路面工程(每 10km或每标段)路面工程(1~3km 路段)*底基层,基层*,面层*,垫层,联结层,路缘石,人行道,路肩,路面边缘排水系统等桥梁工程③(特大、大、中桥)基础与下部构造*(每桥或每墩、台)扩大基础,桩基*,地下连续墙*,承台,沉井*,桩的制作*,钢筋加工与安装,墩台身(砌体)浇筑*,墩台身安装,墩台帽*,组合桥台*,台背填土,支座垫石和挡块等上部构造预制和安装*主要构件预制 *,其他构件预制,钢筋加工与安装,预应力筋的加工和拉*,梁板安装,悬臂拼装*,顶推施工梁*,拱圈节段预制,拱的安装,转体施工拱*,劲性骨架拱肋安装*,钢管拱肋制作*,钢管拱肋安装*,吊杆制作和安装*,钢梁制作*,钢梁安装,钢梁防护*等上部构造现场浇筑*钢筋加工与安装,预应力筋的加工和拉*,主要构件浇筑*,其他构件浇筑,悬臂浇筑*,劲性骨架混凝土拱*,钢管混凝土拱*等总体、桥面系和附属工程桥梁总体*,桥面防水层施工,桥面铺装*,钢桥面铺装*,支座安装,搭板,伸缩缝安装,大型伸缩缝安装*,栏杆安装,混凝土护栏,人行道铺设,灯柱安装等防护工程护坡,护岸*④,导流工程*,石笼防护,砌石工程等引道工程路基*,路面*,挡土墙*,小桥*,涵洞*,护栏等互通立交工 程桥梁工程*(每座)桥梁总体,基础与下部构造*,上部构造预制、安装或浇筑*,支座安装,支座垫石,桥面铺装*,护栏,人行道等主线路基路面工程*(1~3km 路段)见路基、路面等分项工程匝道工程(每条)路基*,路面*,通道*,护坡,挡土墙*,护栏等隧道工程总体隧道总体*等明洞明洞浇...

1、当您付费下载文档后,您只拥有了使用权限,并不意味着购买了版权,文档只能用于自身使用,不得用于其他商业用途(如 [转卖]进行直接盈利或[编辑后售卖]进行间接盈利)。
2、本站所有内容均由合作方或网友上传,本站不对文档的完整性、权威性及其观点立场正确性做任何保证或承诺!文档内容仅供研究参考,付费前请自行鉴别。
3、如文档内容存在违规,或者侵犯商业秘密、侵犯著作权等,请点击“违规举报”。

碎片内容

单位分部分项划分办法与评定方法

确认删除?
VIP
微信客服
  • 扫码咨询
会员Q群
  • 会员专属群点击这里加入QQ群
客服邮箱
回到顶部