第1页共9页编号:时间:2021年x月x日书山有路勤为径,学海无涯苦作舟页码:第1页共9页中华人民共和国行业标准钢筋机械连接技术规程JGJ10720...
第1页共70页编号:时间:2021年x月x日书山有路勤为径,学海无涯苦作舟页码:第1页共70页施工技术交底1.1.6.2交底工程名称晨光·雅园3#楼交...
第1页共13页编号:时间:2021年x月x日书山有路勤为径,学海无涯苦作舟页码:第1页共13页怎么用笔记本连接外接显示器,实现双屏操作呢?时间...
神经网络在电子元器件无铅微连接润湿特性研究中的应用摘要人工神经网络是20世纪50.60年代产生、80年代以来发展起来的一种处理复杂非线性问...
第1页共11页编号:时间:2021年x月x日书山有路勤为径,学海无涯苦作舟页码:第1页共11页3.6高强度螺栓连接施工工艺标准3.6.1总则3.6.1.1适...
目录一、编制依据.....................................................................................................................
第1页共11页编号:时间:2021年x月x日书山有路勤为径,学海无涯苦作舟页码:第1页共11页九珑湾·广视花园B区R1#、R6#、R7#、R8#楼工程钢筋...
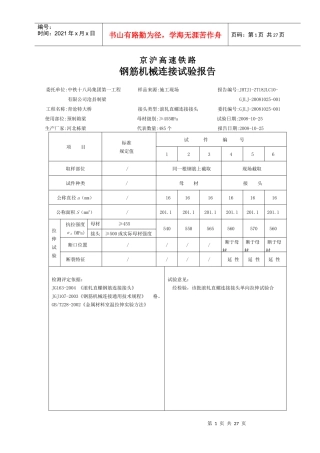
第1页共27页编号:时间:2021年x月x日书山有路勤为径,学海无涯苦作舟页码:第1页共27页京沪高速铁路钢筋机械连接试验报告委托单位:中铁十...
第1页共47页编号:时间:2021年x月x日书山有路勤为径,学海无涯苦作舟页码:第1页共47页第2页共47页第1页共47页编号:时间:2021年x月x日书...
第1页共28页编号:时间:2021年x月x日书山有路勤为径,学海无涯苦作舟页码:第1页共28页PE管道与PPR连接,黑色部分是PE变径弯头前面接PE管...
本科毕业设计题目:连接板冲压工艺与模具设计学院:机械自动化专业:模具设计与制造学号:学生姓名:指导教师:日期:武汉科技大学本科毕业设计摘...
第1页共13页编号:时间:2021年x月x日书山有路勤为径,学海无涯苦作舟页码:第1页共13页钢筋机械连接作业指导书1总则1.1本作业指导书是以《...
青海华电大通发电有限公司青海华电大通发电有限公司2*32*3000MW0MW机组机组烟气脱硝技改工程炉内空预器与省煤器连烟气脱硝技改工程炉内空预...
第1页共18页编号:时间:2021年x月x日书山有路勤为径,学海无涯苦作舟页码:第1页共18页中华人民共和国行业标准钢筋机械连接技术规程JGJ107...
更多资料请访问.(.....)更多企业学院:...../Shop/《中小企业管理全能版》183套讲座+89700份资料...../Shop/40.shtml《总经理、高层管理...
目录施工组织设计................................................2第一章施工组织设计编制的依据..............................21.1编...
连接管路敷设安装工程检验批质量验收记录表单位(子单位)工程名称分部(子分部)工程名称验收部位施工单位项目经理分包单位分包项目经理施...
连接件落料冲孔复合模设计1.1模具市场发展趋势模具,是工业生产的基础工艺装备,在电子、汽车、电机、电器、仪表、家电和通讯等产品中,60...
目录一、编制依据.....................................................................................................................
连接套筒质量记录表工程名称北京新机场工作区市政交通工程006标段钢筋规格HRB400EC28抽检数量5工程部位F4-93墩柱生产日期2017/8代表数量70...


