大六角高强度螺栓连接工艺1范围本工艺适用于钢构造安装工程大六角高强度螺栓连接的施工技术。22施工准备2.1材料:螺栓、螺母、垫圈均应附有...
【安装工程中各种管道常用连接方式现场图片及说明】PPR与PE管道连接PE管道与PPR连接,黑色部分是PE变径弯头前面接PE管道,黄色的部分后接管...
如何解决电力中的铜铝连接在电力系统中,需要消耗大量的导电材料,许多设备的接线端是铜材料,而架空导线多为铝材料,因此用铝材料制作的导...
政根底设施工程监理细那么工程名称:东莞****路—广深高速公路******连接线路灯箱变工程建设单位:东莞****工程理承包单位:深圳****建立实...
政根底设施工程政监—23.2监理细那么工程名称:东莞五环路—广深高速公路望牛墩连接线路灯箱变工程建设单位:东莞城建工程理承包单位:深圳...
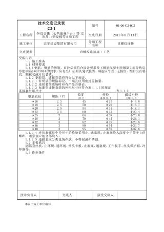
剥肋滚压直螺纹钢筋连接工程分项工程质量技术交底卡GD2301003施工工程名称分部工程交底部位日年月日交底内容一、施工机具钢筋剥肋滚压直螺...
冀宁线站场和阀室与干线连接法兰碳纤维包敷改造施工组织方案编写:钟严东审核:金旭批准:张勇四川德源石油天然气工程有限公司2011年5月20...
钢筋机械连接作业指导书1、目的明确钢筋机械连接作业的工艺流程、操作要点和相应的工艺标准,指导、规范钢筋机械连接作业施工。2、适用的条...
第1页共15页编号:时间:2021年x月x日书山有路勤为径,学海无涯苦作舟页码:第1页共15页单选编译程序是___B_____的软件。A.对目标程序装配...
第1页共17页编号:时间:2021年x月x日书山有路勤为径,学海无涯苦作舟页码:第1页共17页PE管概念性能优势产品特点连接步骤特性本文编者...
电渣压力焊、直螺纹机械连接工程施工合同编号:发包方:(以下简称甲方)承包方:(以下简称乙方)甲方将建业花园2号院钢筋直镖纹、电渣压...
2连接板冲压工艺2.1工件工艺性分析图2.1所示为零件三视图,图2.2所示为零件三维图。图2.1零件三视图图2.2零件三维图材料为310不锈钢(奥氏...
电力联接产品什么是行业研究报告行业研究是通过深入研究某一行业发展动态、规模结构、竞争格局以及综合经济信息等,为企业自身发展或行业投...
钢筋机械连接试验报告委托单位:中铁十八局集团第一工程样品来源:施工现场报告编号:JHTJ1-ZT18JLC10-有限公司沧县制梁GJLJ-20081025-001工程...
施工技术交底1.1.6.2交底工程名称晨光·雅园3#楼交底时间2010、施工单位新疆众旺达建筑安装工程有限公司二分公司工种钢筋机械连接(主体)...
阀门阀体、阀座连接焊标准目次第一部分:阀门阀体、阀座焊接过程控制要求1阀门阀体、阀座连接焊一般规定2焊接及补焊前的准备3焊接4焊前预热...
主设备部分一、实践操作题1).使用SATT开通配置为5/3/2的RBS2202基站,且为一套传输。2).使用OMT对RBS2202基站配置为7/8/5进行开通调测,采...
实验项目名称:网络通信线路的连接与制作实验学时:2一、实验目的和要求1.了解LAN中常用的几种传输介质、连接器的性能及各自特点。2.学习...
SR-GT-1钢筋机械连接变形测量仪产品手册Handbookformechanicalsplicingofsteelreinforcingbarstester目录1公司简介..........................
1、工字形截面梁拼接连接的对接焊缝条件:已知图4.2.3所示工字形截面梁,钢材为Q235BF,采用E43型焊条手工电弧焊,Ⅲ级质量检验,用引弧...

