1 工 余 安 健 环 知 识 培 训 材 料 1、 风 险 的 特 征 ? 答 :( 1) 不 确 定 性 。 ( 2) 客 观 性...
3.21.6机械加工余量标准25EQY—19-19991. 主题内容与适用范围本标准规定了磨削加工的加工余量。本标准适用于磨削各类材料时的加工余量。2...
下载后可任意编辑外贸公司工作总结与多金属采矿场工余安全生产提升计划汇编外贸公司工作总结一、1-5 月份外贸出口总体情况随着金融危机的...
附录一、加工余量表铸件机械加工余量123表磨孔余量45附录二、切削用量表67891011121314
机械加工余量标准最新版机械加工余量标准25EQY—19-19991.主题内容与适用范围本标准规定了磨削加工的加工余量。本标准适用于磨削各类材料...
标准文档实用文案机械加工余量和锻件尺寸公差的确定(一)主要参数及影响因素1.锻件重量(G1)根据锻件图的尺寸计算锻件的重量。对于杆部...
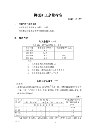
机械加工余量标准25EQY—19-19991.主题容与适用围本标准规定了磨削加工的加工余量。本标准适用于磨削各类材料时的加工余量。2.技术容加工...
工余时间安全告知书课件$number{01}目•工余时间安全风险识别与评估•工余时间安全防护措施•工余时间安全告知书的签署与落01什么是工余时...
表7-1模具常用加工方法的加工余量、加工精度、表面粗糙度制造方法本道工序经济加工余量(单面)/mm经济加工精度表面粗糙度Ra/μm刨削半精刨...

