电脑桌面
添加小米粒文库到电脑桌面
安装后可以在桌面快捷访问

机械加工余量标准VIP免费

机械加工余量标准_第1页
1/19
机械加工余量标准_第2页
2/19
机械加工余量标准_第3页
3/19
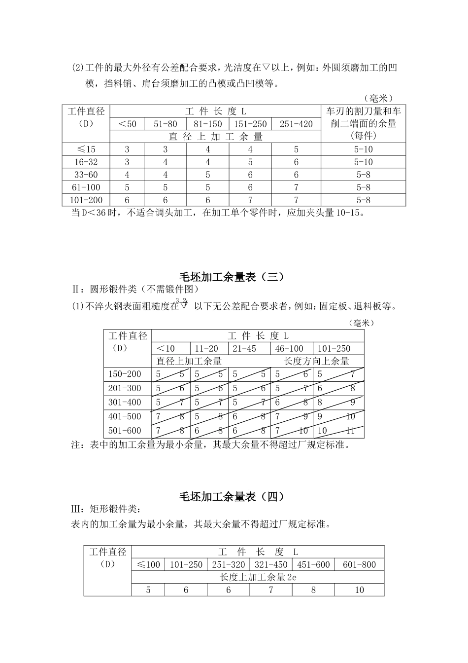
3.21.6机械加工余量标准25EQY—19-19991. 主题内容与适用范围本标准规定了磨削加工的加工余量。本标准适用于磨削各类材料时的加工余量。2. 技术内容加工余量表(一)厚度 4 以上的平面磨削余量(单面)平面长度平面宽度 200 以下平面宽度 200 以上小于 1000.3100-2500.45251-5000.50.6500-8000.60.65说明:1.二次平面磨削余量乘系数 1.52.三次平面磨削余量乘系数 23.厚度 4 以上者单面余量不小于 0.5-0.84.橡胶模平板单面余量不小于 0.7毛坯加工余量表(二)I:园棒类:(1)工件的最大外径无公差要求,光洁度在▽以下,例:不磨外圆的凹模带台肩的凸模、凹模、凸凹模以及推杆、推销、限制器、托杆、各种螺钉、螺栓、螺塞、螺帽外径必须滚花者。(毫米)工 件 直径(D)工 件 长 度 L车刃的割刀量和车削二端面的余量(每件)<7071-120121-200201-300301-450直 径 上 加 工 余 量≤32122345-1033-60233454-661-100344454-6101-200455564-6当 D<36 时并不适应于调头夹加工,在加工单个工件时,应在 L 上加夹头量10-15。3.2(2)工件的最大外径有公差配合要求,光洁度在▽以上,例如:外圆须磨加工的凹模,挡料销、肩台须磨加工的凸模或凸凹模等。 (毫米)工件直径(D)工 件 长 度 L车刃的割刀量和车削二端面的余量(每件)<5051-8081-150151-250251-420直 径 上 加 工 余 量≤15334455-1016-32344565-1033-60445665-861-100555675-8101-200666775-8当 D<36 时,不适合调头加工,在加工单个零件时,应加夹头量 10-15。毛坯加工余量表(三)Ⅱ:圆形锻件类(不需锻件图)(1)不淬火钢表面粗糙度在▽ 以下无公差配合要求者,例如:固定板、退料板等。(毫米)工件直径(D)工 件 长 度 L<1011-2021-4546-100101-250直径上加工余量 长度方向上余量150-2005 55 5 5 55 65 7201-3005 65 65 65 76 8301-4005 75 75 76 88 9401-5007 85 86 87 99 10501-6007 86 86 87 1010 11 注:表中的加工余量为最小余量,其最大余量不得超过厂规定标准。毛坯加工余量表(四)Ⅲ:矩形锻件类:表内的加工余量为最小余量,其最大余量不得超过厂规定标准。工件直径(D)工 件 长 度 L≤100101-250251-320321-450451-600601-800长度上加工余量 2e56678103.2工件截面上加工余量(2a=2b)≤1044556611-2544556626-5045567751-100556777101-200557788201-300677889301-450778899451-600889910...

1、当您付费下载文档后,您只拥有了使用权限,并不意味着购买了版权,文档只能用于自身使用,不得用于其他商业用途(如 [转卖]进行直接盈利或[编辑后售卖]进行间接盈利)。
2、本站所有内容均由合作方或网友上传,本站不对文档的完整性、权威性及其观点立场正确性做任何保证或承诺!文档内容仅供研究参考,付费前请自行鉴别。
3、如文档内容存在违规,或者侵犯商业秘密、侵犯著作权等,请点击“违规举报”。

碎片内容

机械加工余量标准

北斗星书店+ 关注
实名认证
内容提供者

热爱教学事业,对互联网知识分享很感兴趣

确认删除?
VIP
微信客服
  • 扫码咨询
会员Q群
  • 会员专属群点击这里加入QQ群
客服邮箱
回到顶部