电脑桌面
添加小米粒文库到电脑桌面
安装后可以在桌面快捷访问

机械加工余量标准详VIP免费

机械加工余量标准详_第1页
1/18
机械加工余量标准详_第2页
2/18
机械加工余量标准详_第3页
3/18
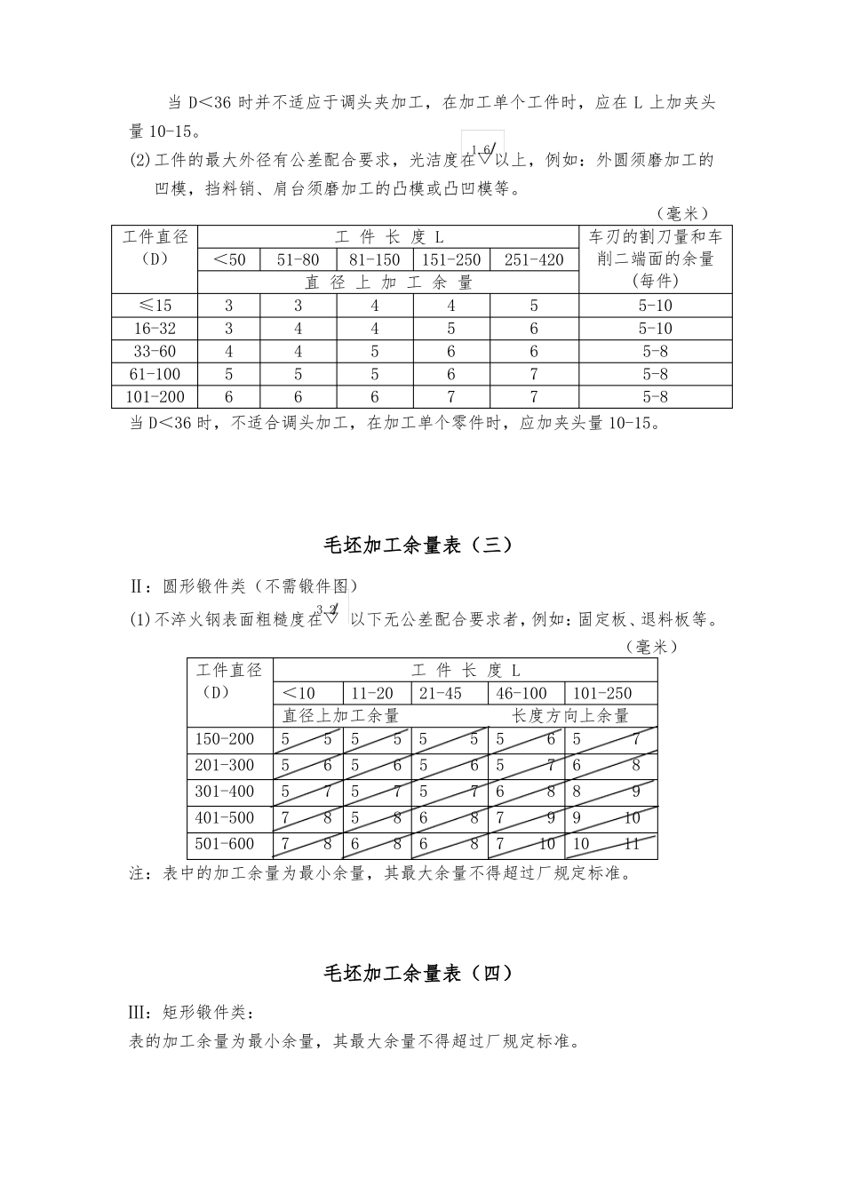
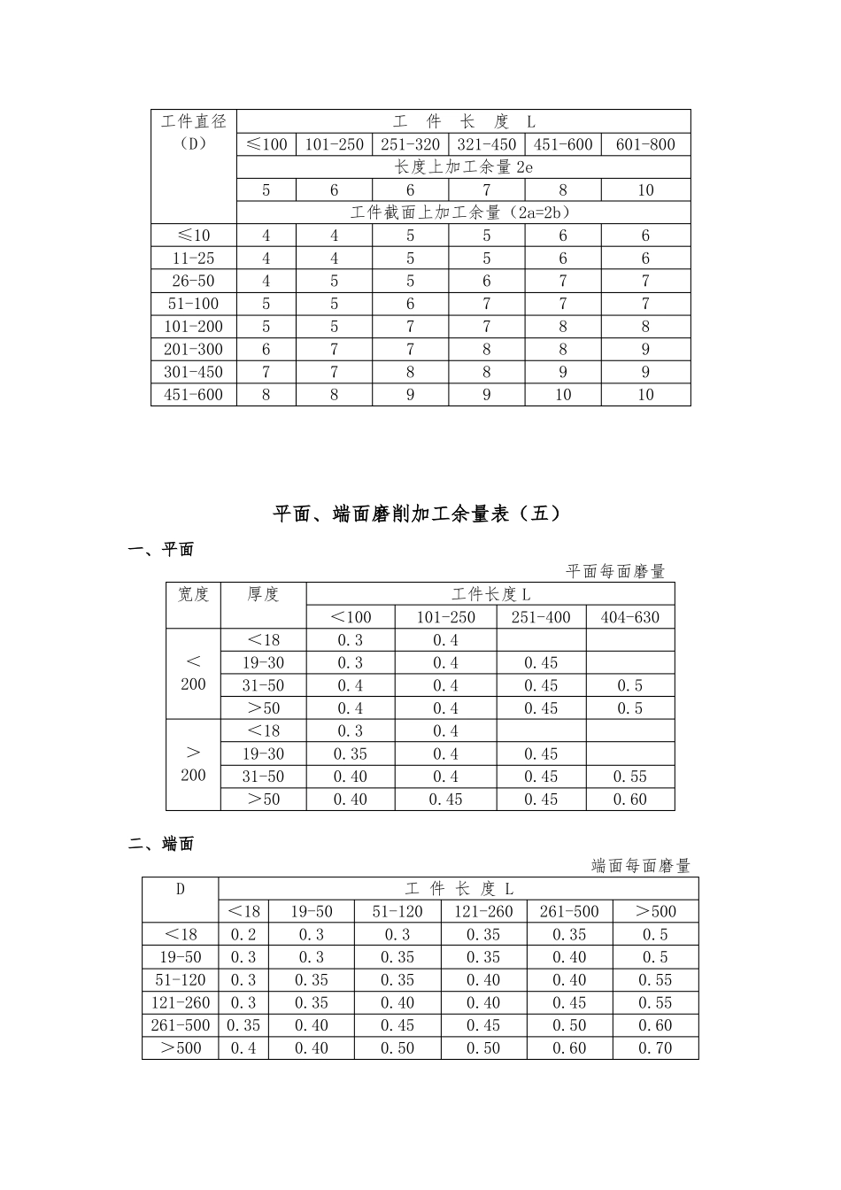
机械加工余量标准25EQY—19-19991.主题容与适用围本标准规定了磨削加工的加工余量。本标准适用于磨削各类材料时的加工余量。2.技术容加工余量表(一)厚度4以上的平面磨削余量(单面)平面长度平面宽度200以下平面宽度200以上小于1000.3100-2500.45251-5000.50.6500-8000.60.65说明:1.二次平面磨削余量乘系数1.52.三次平面磨削余量乘系数23.厚度4以上者单面余量不小于0.5-0.84.橡胶模平板单面余量不小于0.7毛坯加工余量表(二)I:园棒类:(1)工件的最大外径无公差要求,光洁度在▽以下,例:不磨外圆的凹模带台肩的凸模、凹模、凸凹模以及推杆、推销、限制器、托杆、各种螺钉、螺栓、螺塞、螺帽外径必须滚花者。(毫米)工件直工件长度L车刃的割刀量和车径(D)<7071-120121-200201-300301-450削二端面的余量(每件)直径上加工余量≤32122345-1033-60233454-661-100344454-6101-200455564-63.2当D<36时并不适应于调头夹加工,在加工单个工件时,应在L上加夹头量10-15。(2)工件的最大外径有公差配合要求,光洁度在▽以上,例如:外圆须磨加工的凹模,挡料销、肩台须磨加工的凸模或凸凹模等。(毫米)工件直径工件长度L车刃的割刀量和车(D)<5051-8081-150151-250251-420削二端面的余量(每件)直径上加工余量≤15334455-1016-32344565-1033-60445665-861-100555675-8101-200666775-8当D<36时,不适合调头加工,在加工单个零件时,应加夹头量10-15。1.6毛坯加工余量表(三)Ⅱ:圆形锻件类(不需锻件图)(1)不淬火钢表面粗糙度在▽以下无公差配合要求者,例如:固定板、退料板等。(毫米)工件直径工件长度L(D)<1011-2021-4546-100101-250直径上加工余量长度方向上余量150-2005555555657201-300301-400401-500501-600565656576857575768897858687991078686871010113.2注:表中的加工余量为最小余量,其最大余量不得超过厂规定标准。毛坯加工余量表(四)Ⅲ:矩形锻件类:表的加工余量为最小余量,其最大余量不得超过厂规定标准。工件直径(D)工件长度L≤100101-250251-320321-450451-600601-800长度上加工余量2e5667810工件截面上加工余量(2a=2b)44556644556645567755677755778867788977889988991010≤1011-2526-5051-100101-200201-300301-450451-600平面、端面磨削加工余量表(五)一、平面平面每面磨量宽度厚度工件长度L<100101-250251-400404-630<180.30.4<19-300.30.40.4520031-500.40.40.450.5>500.40.40.450.5<180.30.4>19-300.350.40.4520031-500.400.40.450.55>500.400.450.450.60二、端面端面每面磨量D工件长度L<1819-5051-120121-260261-500>500<180.20.30.30.350.350.519-500.30.30.350.350.400.551-1200.30.350.350.400.400.55121-2600.30.350.400.400.450.55261-5000.350.400.450.450.500.60>5000.40.400.500.500.600.70注:本表适用于淬火零件,不淬火零件应适当减少20-40%粗加工的表面粗糙度不应低于▽如需磨两次的零件,其磨量应适当增加10-20%3.2环形工件磨削加工余量表(六)工件直径mm6-1011-2021-3031-5051-8081-120121-180181-26035、45、50号钢外元留量孔留量0.25-0.500.30-0.350.30-0.550.40-0.450.30-0.550.50-0.600.30-0.550.60-0.700.35-0.600.80-0.900.35-0.801.00-1.200.50-0.901.20-1.400.60-1.001.40-1.60T8、T10A钢外元留量孔留量0.35-0.600.25-0.300.40-0.650.35-0.400.45-0.700.35-0.450.55-0.750.45-0.600.65-0.850.50-0.650.70-0.900.55-0.750.75-0.950.60-0.800.80-1.000.65-0.85Cr12MoV合金钢外元留量孔留量0.30-0.450.20-0.300.35-0.500.30-0.350.40-0.500.30-0.400.50-0.600.40-0.500.60-0.700.45-0.550.65-0.800.50-0.650.70-0.850.55-0.700.75-0.900.60-0.75注:φ50以下,壁厚10以上者,或长度为100-300者,用上限φ50-φ100,壁厚20以下者,或长度为200-500者,用上限φ100以上者,壁厚30以下者,或长度为300-600者,用上限长度超过以上界线者,上限乘以系数1.3加工粗糙度不低于▽,端面留磨量0.5φ6以下小孔研磨量表(七)材料钢45T10ACr12MoV注:本表只适用于淬火件应按孔的最小极限尺寸来留研磨量1.66.4直径上留研...

1、当您付费下载文档后,您只拥有了使用权限,并不意味着购买了版权,文档只能用于自身使用,不得用于其他商业用途(如 [转卖]进行直接盈利或[编辑后售卖]进行间接盈利)。
2、本站所有内容均由合作方或网友上传,本站不对文档的完整性、权威性及其观点立场正确性做任何保证或承诺!文档内容仅供研究参考,付费前请自行鉴别。
3、如文档内容存在违规,或者侵犯商业秘密、侵犯著作权等,请点击“违规举报”。

碎片内容

机械加工余量标准详

爱的疯狂+ 关注
实名认证
内容提供者

该用户很懒,什么也没介绍

确认删除?
VIP
微信客服
  • 扫码咨询
会员Q群
  • 会员专属群点击这里加入QQ群
客服邮箱
回到顶部