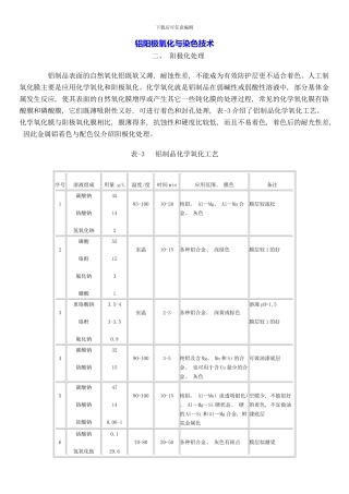
下载后可任意编辑铝阳极氧化与染色技术 二、 阳极化处理 铝制品表面的自然氧化铝既软又薄, 耐蚀性差, 不能成为有效防护层更不适合着色...
下载后可任意编辑铝合金阳极产品氧化工艺报告一、 铝合金制品的阳极氧化在工业和生活中的应用1、 防止铝制品的腐蚀2、 防护--装饰产品3...
下载后可任意编辑石家庄桥东污水处理厂三沟式氧化沟工艺设计12024 年 5 月 29 日下载后可任意编辑22024 年 5 月 29 日下载后可任...
下载后可任意编辑生物接触氧化工艺设计及计算12024 年 4 月 19 日下载后可任意编辑1 前言随着中国社会和经济的高速进展环境问题日益...
1 硫酸阳极氧化工艺技术1、工艺 :(1) 铝件→除油(碱洗)→清洗→中和(醋酸)→清洗→化学出光 (10s)→清洗→阳极氧化(30min ...
可行性研究报告矿业公司五氧化二钒生产废水处理工程建设项目2009-7-16 2 目录第一章总论 ................... 4一、项目概况 ...........
可行性研究报告矿业公司五氧化二钒生产废水处理工程建设项目2 目录第一章总论 ................... 4一、项目概况 ......................
下载后可任意编辑氧化锆质耐火材料讨论现状曹起( 西安建筑科技大学, 材料与矿资学院, 西安 710055) 摘要: 主要论述了氧化锆的结构和...
下载后可任意编辑洛阳香江万基铝业有限公司溶出车间三期吹扫方案批准: 审核: 拟制: 洛阳香江万基铝业有限公司 11 月 18 日下载后可...
下载后可任意编辑前言本论文经过对氧化石墨烯进行真空抽滤, 制备出了氧化石墨烯超滤分离膜。讨论了在压力驱动下, 不同厚度的氧化石墨烯分...
下载后可任意编辑氧化置换岗位操作规程一、岗位背景介绍氧化置换岗位主要是负责对金属表面进行氧化处理,并将一些物品放入氧化置换槽中进行...
下载后可任意编辑毕业设计( 论文) 材料之二( 1) 安徽工程大学本科毕业设计( 论文) 专 业: 环境工程 题 目: 弋江区白马新农村示...
下载后可任意编辑氧化沟工艺城市污水处理厂设计模板12024 年 4 月 19 日下载后可任意编辑武汉科技学院 毕业设计( 论文) 题目: 氧...
下载后可任意编辑氧化沟工艺城市污水处理厂设计概述模板12024 年 4 月 19 日下载后可任意编辑武汉科技学院 毕业设计( 论文) 题目:...
下载后可任意编辑氧化沟的起源氧化沟( Oxidation Ditch) 是一种活性污泥法工艺, 其曝气池呈封闭的沟渠形, 污水和活性污泥混合液在其中...
下载后可任意编辑第六章 氧化技术本 章 教 学 设 计工作任务经过本章的学习及本课程的实训, 完成以下两个方面的工作任务: 1.采纳气...
下载后可任意编辑铝及铝合金在大气中虽能自然形成一层氧化膜, 但膜薄( 40- 50A) 而疏松多孔, 为非晶态的、 不均匀也不连续的膜层, ...
甲醇氧化制甲醛原理及工艺流程1.反应原理制备甲醛的工艺主要有甲醇空气氧化法、烃类直接氧化法和二甲醚催化氧化法、以液化石油气为原料非催...
1 第八章生物氧化( 6 学时)第一节概述生物氧化的一般过程在葡萄糖的分解代谢中,1 分子葡萄糖共生成10 个 NADH和 2 个 FADH2. ...
. . 第六章生物氧化一、选择题【A1 型题】1. 体内 CO2 的生成是由A.代谢物脱氢产生 B.碳原子与氧原子直接化合产生C.有机酸脱羧产生...

