核与粒子物理实验教学平台技术参数一、采购数量:6台/套二、主要技术参数要求:1)虚拟核源信号发生器:1、要求脉冲幅度与时间符合真实随机...
航区划分及内河船舶参数Ⅱ类——近海航区:系指中国渤海、黄海及东海距岸或庇护地不超过200nmile、台湾海峡以及南海距岸不超过120nmile(台...
含参数函数单调性●基础知识总结和逻辑关系一、函数的单调性求可导函数单调区间的一般步骤和方法:1)确定函数的的定义区间;2)求,令,解此...
08版PKPM主要参数简介一:模型输入7.楼梯输入:抗震规范要求:对于有楼梯间的结构,计算时应考虑楼梯构件的影响(应输入楼梯模型)。7.楼梯...
压缩机相关的参数计算一、实际输气量(简称输气量)在一定工况下,单位时间内由吸气端输送到排气端的气体质量称为在该工矿下的压缩机质量输气...
第三章采购需求与技术参数一、采购设备数量及技术参数1、第一标段设备参数与要求(一)设备名称:直接数字化X线摄影系统(DR)(二)数量:4...
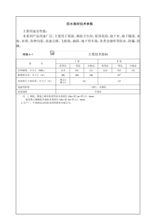
防水卷材技术参数主要用途及性能:本系列产品用途广泛,主要用于屋面、厕浴卫生间、屋顶花园、地下室、地下隧道、水池、水坝、各种沟渠、高...
100AY60离心油泵选型设计参数AY型离心油泵厂家制造标准AY型油泵概述:AY型系列离心油泵可用在石油精致、石油化工和化学工业及其它输送不含...
第一章设计出始参数第一节基本参数:起重量PQ=150.000(t)跨度S=20.000(m)左有效悬臂长ZS1=0.000(m)左悬臂总长ZS2=1.500(m)右有效悬臂长YS1=...
富士达电梯变频器参数表(泉州市浦西安置房)载重1050kg速度1.75F01:0E01:67C01:999P01:40H03:0F03:167E02:25C02:0P02:9H04:0F04:...
多媒体教学系统技术参数序号名称技术参数数量1投影系统(含安装及辅材)1、投影系统:RGB光阀式液晶投影系统;2、亮度≥5200流明(ISO);3、...
高变位齿轮几何计算(滚齿)104820-0.40.349065844414800.25π3.1415926齿顶高ha1=(ha*+x1)*m6ha2=(ha*+x2)*m14齿根高hf1=(ha*+C*-x1)*m16....
目录电永磁铁概述................................................................................2技术特点............................
矿业权评估参数确定指导意见目录第一章总则.............................................................................................
GB/T10228—2023目次前言..........................................................................................nI1范围.............
2017年台湾MOZO原奇菱医用显示器通行招标参数您好:当医院需要采购医用显示器的时候,请您将此参数提供给医院写入标书,带有五角星的为比较...
1、医用普通病床(手动床)技术参数要求(1)规格外形尺寸:2100×980mm;床面尺寸:1980×840mm;床面高度:460—730mm;背板倾斜:0―65...
1234G互操作系统间:空闲态:4G与3G间双向小区重选;4G与GSM间双向小区重选;连接态:4G与3G间双向R8RRC重定向;4G到GSM重定向,2G到4G小区...
华为LTE切换参数详解1.概述同频切换是基于A3,异頻切换是基于A2+A3或者A2+A4注:因为同频是一直测量的,所以只需要A3作为切换判决条件。异頻...
华为AR1220路由器配置参数实际应用实例解说一1.配置参数[GZ]discu[V200R001C00SPC200]//路由器软件版本,可从官方网站下载#sysnameGZ//路由...

