下载后可任意编辑铜炉渣选矿工程冶金门式起重机技术协议最终版1.0 引言该协议主要针对铜炉渣选矿工程中使用的门式起重机在技术方面的法律...
矿业公司选矿技术改造项目资金申请报告1 目录一、总论 ................................................................................
下载后可任意编辑目 录摘 要 .......................................... 3Abstract..................................................
下载后可任意编辑委托选矿加工合同 委托选矿加工合同 1 甲方:________________ 乙方:________________ 经甲乙双方友好协商,甲方将...
选矿车间转正、评定复习试题 一、填空题。 1.在连续操作的浓缩机中,矿浆沉淀过程分为澄清区、沉降区、过渡区、压缩区和耙子刮矿区。 2....
第二章 破碎流程计算 2 .1 新建选厂的规模及原矿基本性质 根据矿山概述自己总结 2 .1 .1 确定破碎车间工作制度 破碎车间工作制度...
丹凤县宏岩矿业有限公司 磨矿分级自动控制 系 统 技 术 方 案 设 计 单 位 : 洛 阳 政 和 矿 业 科 技 有 限 公 ...
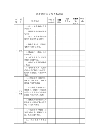
选矿系统安全检查标准表 序 号 项目 检查标准 事故(存在)隐患 整改 措施 整改 负责人 整改确认 负责人 赋值分数 一 管理 ...
浮选车间2 0 1 0 年技术比武理论培训 第一节 概述— 关于选矿 1、矿物是地壳中经过自然的物理化学作用与生物化学作用后,所生产的...
第一章:矿石的准备作业 1 .选矿学:是研究矿物分选的学问,是一门分离、富集、综合利用矿产资源反日技术科学。 2 .选矿:是利用矿物的...
选矿知识600 问. 作:牛福生 刘瑞芹 郑卫民 闫满志 煤炭工业出版社 2011 年 16 开 1 册 光盘:0 定价:89 元 优惠:78 元...
1 下垄钨业有限公司 选厂技术操作规程 2 选厂技术操作规程 一、 总则 ( 1) 本规程修订目的是为统一的操作,认真贯彻“精工细作...
选矿废水的处理方法 选矿废水包括选矿工艺排水、尾矿池溢流水和矿场排水。选矿工艺排水一般是与尾矿浆一起输送到尾矿池,统称为尾矿水;因...
选矿常用名词术语及计算公式 1 9、矿石品位:是指矿石中某种金属,非金属或其它有用组分含量的多少,一般用百分数表示, 有的用每吨矿石...
选矿工艺技术 1 选矿生产工艺流程 承担大红山铜矿选厂设计任的是昆明冶金设计研究院,根据《大红山1# 样选矿试验报告》的建议流程,提...
选矿工人三百问?第一章选矿基本概念第一节 选矿的目的和任务1、什么叫选矿?所谓选矿,是将有用矿物与脉石最大限度分开,从而获得高品位精...
1 选 矿 安 全 规 程 GB18152-2000 前 言 本 标 准 以 中 华 人 民 共 和 国 原 冶 金 工 业 部 1 9 8 8 ...
重力选矿习题 一、名词解释 重力选矿 分离粒度 面积当量直径 分级效率 容积浓度 冲程系数 干涉沉降 分配率 等降现象 自由沉降 ...
- 1 - 1.什么是矿石、矿物、岩石?三者关系如何? 岩石是组成地壳的天然矿物集合体。矿物就是在地壳中由于自然的物理化学作用或生物作用...
1 选矿基础知识问答 第一章 选矿基本概念 第一节 选矿的目的和任务 1、什么叫选矿? 所谓选矿,是将有用矿物与脉石最大限度分开,从...

