本科论文摘 要液化烃储罐区储存的物质大部分都是容易燃烧、容易爆炸和有毒性的。在安全生产活动中经常会因为工作人员的不安全行为或者储存...
I小型液化石油气企业速动资产管理存在的问题及对策分析——以遵化市明洋液化石油气有限责任公司为例摘 要 近几年来,国内有很多企业由于...
11 环 境 风 险 评 价11.1 评 价 原 则11.1.1评 价 目 的1. 结 合 本 工 程 主 要 建 设 容 , 分 析 生 产 ...
液化气体汽车罐车安全监察规程 第一章 总 则 第一条 为了适应国民经济的进展,加强液化气体汽车罐车(以下简称汽车罐车)的安全运行,...
分析篇一:1)人的不安全因素该液化石油气储备(充装)站注重对职工开展安全操作技能、自我防护技能与其它相关安全知识的培训,配备部分劳...
编号:----------液化石油气液化石油气储存项目安全现状评价报告------------2010 年 12 月 24 日编号:TDAP10190------液化石油气液...
液化石油气充装站事故应急救援预案指南YZ0209—2024国家质检总局特种设备事故调查处理中心前 言根据《中华人民共和国安全生产法》、《中华...
NBNB中 华 人 民 国 能 源 行 业 标中 华 人 民 国 能 源 行 业 标 准准NB/1001-2024液化天然气(LNG)汽车加气站设计与...
液化天然气(LNG)气化站运行操作手册清泰液化天然气编制二零零五年八月公司简介清泰液化天然气是一家致力于液化天然气(LNG)事业进展、集...
液化天然气(LNG)项目接收站工程 LNG 罐区施 工 方 案目录1. 工程概况 ...........................................................
九 丰 集 团液化石油气储配站营 运 手 册(讨论稿)九丰集团目 录1、液化石油气储配站概况介绍1. 1 液化石油气储配站的功能…………...
小型撬装式 LNG液化装置什么是行业讨论报告行业讨论是通过深化讨论某一行业进展动态、规模结构、竞争格局以及综合经济信息等,为企业自身...
50×104Nm3/d 天然气液化项目初步技术方案 重庆耐德工业股份有限公司2024.6目 录一、总论..............................................
《国际散装液化气体船舶构造与设备规则》修正案交通部关于《国际散装运输危险化学品船舶构造和设备规则》和《国际散装液化气体船舶构造与设...
丰建住文〔2024〕14 号关于开展建设工程施工现场液化石油气用户加装安全辅助设备设施消除安全隐患活动的通知各建设、施工、监理、劳务单位...
液化石油气(LPG)什么是行业讨论报告行业讨论是通过深化讨论某一行业进展动态、规模结构、竞争格局以及综合经济信息等,为企业自身进展或行...
BOG 压缩机在液化石油气基地中应用论文 摘要:介绍了在液化石油气基地用压缩机处理蒸发气时的工艺流程、压缩机容量的调节、辅助设备的自...
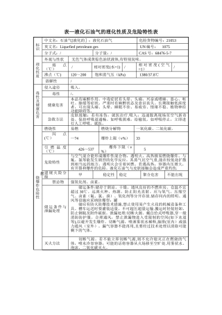
表—液化石油气的理化性质及危险特性表标识中文名:石油气[液化的];液化石油气危险货物编号:21053英文名:Liquefied petroleum ges U...
表— 液化天然气的理化性质及危险特性标识中文名:天然气[含甲烷,液化的];液化天然气危险货物编号:21008英文名:Liquefied natural g...
一、液化石油气基本常识 1二、液化石油气瓶及其附件安全使用常识 4三、液化石油气燃具安全使用常识 8四、管道液化石油气安装、维护与使...

