产品投料记录表产品名称: 规格: 生产日期(批次): 审核人:序号投料时间原辅料名称投料数量(g)原辅料生产单位原辅料生产日期或批次...
产后访视记录表姓名: 编号□□□-□□□□□随访日期年 月 日体温℃一般健康情况一般心理状况血压 / mmHg乳 房1 未见异常 2 异常...
产后 42 天健康检查记录表姓名: 编号□□□-□□□□□随访日期年 月 日分娩日期 年 月 日 出院日期 年 月 日一般健康情况一...
五街完小交通安全隐患排查记录表填报学校:五街完小 填报时间: 2025 年 3 月 7 日排查内容排查情况整改情况排查人小学生上下学乘坐...
DB15-42—2025交接检查记录C01—4—27-001工程名称新时代商业街西 A 座 2#楼移交单位名称(上道工序名称)基槽放线接受单位名称(下道...
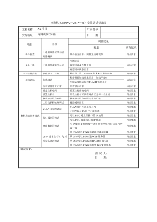
交换机(S3600V2—28TP—SI)安装调试记录表工程名称Xx 项目厂家督导安装地址内网机房 2#柜日 期项目子项调测记录要求实际记录硬件检查...
G2-33井室施工检验批质量验收记录表GB 50268-2025工程名称金湖县自来水公司 2025 年县城供水管网工程施工单位江苏新时空建设有限公司单...
“五病”调离记录表姓名性别年龄调离原因调离时间复工时间备注
保安巡视记录表巡察人: 职位: 时间: NO. 检查项目地 点情 况备 注1.室外公共地方1。1车辆停放情况1。1.1汽车1 。 1 。2摩托车...
云南省食品药品监督检查记录表受检单位名称证 号检查类别日常监督检查□ 专项检查□ 追踪检查□ 回访检查□ 有因检查□ 其他检查□检...
二氧化氯发生器运行记录表日期水压盐酸投加量(次/分钟)氯酸钠投加量(次/分钟)运行时间取样时间余氯量设备运行情况操作人员
工作面移交记录表工作面移交内容: 主体移交砌体移交单位名称接收单位名称移交部位移交日期移交具体内容:(根据不同分项工程制定,举例如...
二次供水设备检查保养记录表 年 月 日检查保养项目保养情况及处理情况二次供水管网、管阀连接紧密无渗漏,阀门加润滑油二次供水水箱牢固...
二次供水池(箱)清洗消毒记录表 2025 年 月 日水池(箱)名称蓄水量(M³)责任人排水时间8:00 至 9:30共 1。5 小时清洗消毒时间...
事故应急演练记录表(样本)主 题电梯事故救援演练指导员陈** 地点城市花园培训时间/课时20** 年**月**日参加人员:事故应急演练记...
表 1.3.4 事故应急救援演习记录表工程名称:演习参加人员:单位名称:演习所用设施和设备:演习时间: 自 月 日 时至 月 日 时 ...
书香校园活动记录表班级:三年级时间:2025 年 10 月 17 日地点:三年级教室参加人员:全班学生及班主任活动情况记录: 活动准备:每个...
书法 社团 活动记录表 内容钢笔书法基础知识指导老师李丽洁活动时间 第 1 周活动地点书画室参加人数10活动过程设计记录及反思一、检...
两碗镇防汛抗旱值班记录表日期: 星期:带班领导值班人员天气情况降雨量电话记录及处理情况气象预告水情电报灾情报告情况通报传达请示大事...
居民健康档案督导记录表项目督导内容档案管理是否有专职(兼)人负责,是否有制定村卫生室居民健康档案督导方案,缺 1 项扣 2 分。专柜设...

