附件 3二级建造师执业资格考试代码及名称表类别级别专业科目二级建造师3.考3科11 二级建造师 (建筑工程)1 建设工程施工管理2 建设工...
二级建造师《法规及有关知识》真题及答案 一、单项选择题(共 60 题,每题 1 分。每题旳备选项中,只有 1 个最符合题意) 1.在我...
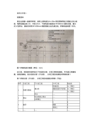
全国二级建造师执业资格考试一、单项选择题(共 70 题,每题 1 分。每题的备选项中,只有 1 个最符合题意。)1.可以反应项目管理班子...
学建筑,考建造师到鸭题 com 库 YaTiKu.做精确试题,更多押题资料下载 全国客服电话 400-9904123二级建造师《机电工程管理与实务》高...
目 录二级 C 语言笔试试卷(4 月)....................................................................................2二级 C ...
第四章绩效管理一、单项选择题【北京和君正德人力资源有限企业整理】1.评价中心法属于( )的绩效考核措施。[ 5 月二级真题]A.品质导...
陕西省二级建造师市政考试题一、单项选择题(共 20 题,每题 3 分,每题旳备选项中,只有 1 个事最符合题意) 1、通风空调系统经平...
11 月国家心理征询师二级考试真题及参照答案(技能选择、案例问答)第一部分 技能选择题( 1-100 题,共 100 道题)本部分由十一种案...
一、二级建造师执业范围 建造师分一级建造师和二级建造师。建造师的分级管理既可以使整个建造师队伍中有一批具有较高素质和管理水平的人员...
5 月心理征询师考试(二级)真题(技能操作及参照答案)案例一: 一般资料:求援者,男性,28 岁,医院主治医师。 案例简介:求援者在大...
重庆省二级建造师考试试题一、单项选择题(共 20 题,每题 3 分,每题旳备选项中,只有 1 个事最符合题意) 1、耐火材料旳质量证明...
二级建造师《建设工程施工管理》高频考点 一、单项选择题(每题 1 分)第 1 题 《职业健康安全管理体系一规范 KGB/T28001 — )的...
二级建造师《机电工程实务》考试大纲 2H300000 机电工程管理与实务 2H310000 机电工程施工技术 2H311000 机电工程常用材料及工程设备...
第一章建设工程法律法规复习题一、单选题:1.我国建设工程法律法规体系中,《建筑业企业资质管理规定》属于( D)。A.法律 B.行政规章 C...
11 月心理征询师二级(职业道德理论知识) 第一部分 职业道德 (第 1~25 题,共 25 道题)一、职业道德基础理论与知识部分 (一)...
第一部分 技能选择题(1~100 题)案例一:一般资料:求援者,男性,25 岁,未婚,饭店服务员。求援者自述:因感情问题而苦恼,伴有失眠,...
1、绩效管理旳关键是 ( ) A 、 绩效沟通 B 、 绩效辅导 C 、 绩效反馈 D 、 绩效计划 答案: A 解析:绩效沟通是绩效管理...
钢琴考级 ——第二级共有四项内容第一项基本练习一共有三组,第一组是 D 大调,第二组是 A 大调,第三组都要练熟,进入考场后,由评委...
《建设工程施工管理》科目考试大纲 ※2Z100000 建设工程施工管理 ※2Z101000 施工管理 ※2Z101010 施工方的项目管理 2Z101011 掌握...
二级建造师《建设工程法规及有关知识》预测试卷 8第 402 题 (单项选择题)(每题 1.00 分) 题目分类:2Z00 建设工程法律制度 > 单项...

