施工单位年月日合专业工长:项目专业质量检查合专业监理工程08150101001单位(子单位)工程名称绍兴学府新城一期工程一#楼分部(子分部)工...
梯 架 、 托 盘 和 槽 盒 安 装 工 程 施工方案 一 、 材 料 要 求 1 金 属 线 槽 、 桥 架 及 其 附 件 ...
1 变电站专用电缆槽盒 2 一、概述 随着我国经济的迅速发展,对城市美化、供电安全和敷设电缆的要求也日益提高,长期以来,敷设电缆均采...
吉林省 XX 电厂检修安装有限公司检修工程施工方案施 工 方 案 项目名称: XX 热电厂输煤系统电缆槽盒改进 工程编号:图纸编号:建...
建筑设备安装梯架、支架、托盘和槽盒安装分项工程施工技术(工艺、质量)交底卡GD3010109□□单位(子单位)工程名称商业、办公楼工程(琶...
3*梯架、托盘和槽盒安装工程施工方案一、材料要求1金属线槽、桥架及其附件:应采用经过镀锌处理的定型产品。其规格、型号应符合设计要求。...
高压电缆金属槽盒技术参数一、高压电缆金属槽盒及其附件应满足以下技术要求1.应遵循的质量标准JB/T10216《电控配电用电缆桥架》CECS3191《...
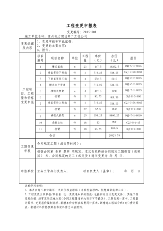
工程变更申报表变更编号:2015-001施工单位名称:贵州电力建设第二工程公司变更依据及内容1、变更申报和审批依据:2、变更的主要内容:3、...
变电站专用电缆槽盒1一、概述随着我国经济的迅速发展,对城市美化、供电安全和敷设电缆的要求也日益提高,长期以来,敷设电缆均采用电缆沟...
变电站专用电缆槽盒1一、概述随着我国经济的迅速发展,对城市美化、供电安全和敷设电缆的要求也日益提高,长期以来,敷设电缆均采用电缆沟...

