精品文档---下载后可任意编辑不同复垦机械压实对土壤物理特性影响的模拟讨论的开题报告讨论背景和意义:复垦是一种有效的土地改良方式,通...
检验日期天 气气 温粒料总重(g)砂总重(g)余砂重(g)锥体砂重(g)砂单位重(g)试坑体积(cm3)湿容重(g/cm3)盒 号 371391614盒+湿容重(g)564....
检测点数99检测点数95222.50124.46534.02131.68642.27141.17751.67650.95361.37460.82371.18870.73481.0680.6790.96690.62100.892100.58110...
压实度试验记录(灌砂法)
SYJC04-j251-4-0 归档编号:C2-3-2-2 土壤压实度试验报告 委托编号:gc-2012-0014 建设单位: 沈阳华夏新城建设发展有限公司 试验编...
环刀号环刀容积(cm3)环+湿土质量(g)环刀质量(g)湿土质量(g)湿密度(g/cm3)干密度(g/cm3)压实度盒号1#2#3#4#5#6#盒质量(g)63.9...
层数施工时间层厚距路槽深标高取土桩号 取点范围 填筑区域第1层2011.4.173014.31238.49993区第2层2011.4.174113.9238.90993区第3层2011.4...
序号检测日期施工路段层次压实度标准(%)检测点桩号实测压实度检测结果12010年8月28日HYK12+680-HYK12+75992区第1层92HYK12+700/HYK12+70594...
2.02750850灌砂前筒和砂质量(g)8500是-2.02600790标准砂密度(g/cm3)1.350是193634.89577.99532.74475.8456.9012.062662.55600.56561.71499....
试验表124合同段工程名称试验规程检测路段桩号材料类型结构层位置514212584769293578915309156391490614959146211491314216142076897256917...
施检表(21)≥93 层 次灌砂前筒+砂重(g)灌砂后筒+砂重(g)圆锥体砂重(g)9618361224195745209726948168437230.65221.85 226.76225.76242....
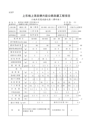
试表7承 包 人:C2-1监理单位:工程名称结构层次试样描述(g)(g)(g)(g)(cm 3)(g)(g/cm 3)123412341(g)60.9 63.9 60.9 ...
压实度灌砂法压实度试验记录表(试验例表)
(1)(2)(3)(4)(5)(6)(7)(8)(9)95959371785083853697772353292759(10)35.5735.5734.8234.2635.2136.1535.5535.2534.0534.8834.7723.3234.0123...
压 实 度 检 测 方 法 第 一 节 压 实 度 试 验 检 测 方 法 路 基 、 路 面 压 实 质 量 是 道 路 工 程...
序号检测日期桩号层次设计值(%)检测结果(%)点数备注 12015.11.30K0+240第一层93/422015.11.30K0+245第一层93/432015.11.30K0+280第一...
施检表(21)≥93层 次灌砂前筒+砂重(g)灌砂后筒+砂重(g)圆锥体砂重(g)13629260421365864413824147039572725237.56232.36 224.76228.3921...
压实度(环刀法)自动计算表格
精品文档---下载后可任意编辑B 组填料路基压实机理及动态监测的小波分析的开题报告一、讨论背景与意义填料路基是公路工程中常用的稳定材料...
~115.52项 目主 管复 核1.8151.8001.7731.787152.50150.8723.8138.51 146.5722.7107.50131.3010.91.8111.811100.299.497.9右15.6m左11....

