电脑桌面
添加小米粒文库到电脑桌面
安装后可以在桌面快捷访问

压实度自动计算

压实度自动计算_第1页
1/6
压实度自动计算_第2页
2/6
压实度自动计算_第3页
3/6
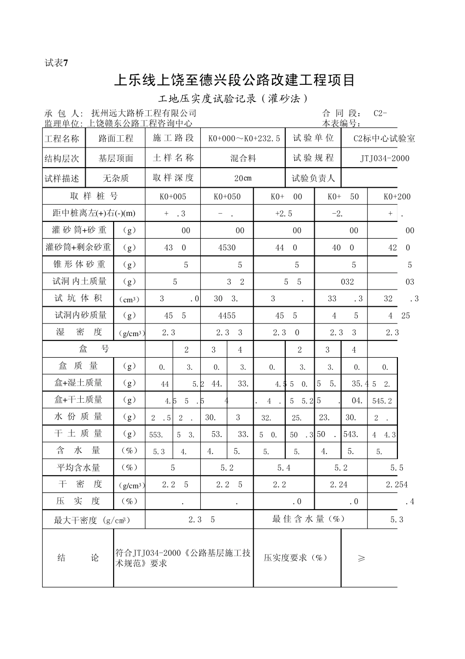
试表7承 包 人:C2-1监理单位:工程名称结构层次试样描述(g)(g)(g)(g)(cm 3)(g)(g/cm 3)123412341(g)60.9 63.9 60.9 63.9 60.963.9 63.9 60.9 60.9(g)644685.2744.8733.8674.5 590.9595.7635.4 572.8(g)614.5657.5 714697.8641.7565.2 571.8604.6545.2(g)29.527.7 30.83632.825.723.9 30.827.6(g)553.6 593.6653.1633.9580.8 501.3 507.9543.7 484.3(%)5.34.74.75.75.75.14.75.75.7(%)(g/cm 3)(%)≥ 97上乐线上饶至德兴段公路改建工程项目工地压实度试验记录(灌砂法)抚州远大路桥工程有限公司 合 同 段:混合料试 验 规 程上饶赣东公路工程咨询中心 本表编号:路面工程施 工 路 段K0+000~K0+232.5试 验 单 位C2标中心试验室K0+050K0+100JTJ034-2000无杂质取 样 深 度20㎝试验负责人基层顶面土 样 名 称K0+150K0+200距中桩离左(+)右(-)(m )+1.3-1.9+2.5-2.8+1.1取 样 桩 号K0+00540904260 灌 砂 筒+砂 重980098009800 锥 形 体 砂 重81581581598009800灌砂筒+剩余砂重4390453044103093.83177.1815815 试洞 内土质量758973727595803278033399.33281.3 试洞内砂质量45954455457548954725试 坑 体 积3191.02.3632.378盒 号盒 质 量 湿 密 度2.3782.3832.390含 水 量平均含水量55.2盒+湿土质量盒+干土质量水 份 质 量干 土 质 量5.45.25.5 干 密 度2.2652.2652.2682.2462.25497.097.4最大干密度 (g/cm3)2.315最 佳 含 水 量(%)5.3压 实 度97.897.898.0结 论符合JTJ034-2000《公路基层施工技术规范》要求压实度要求(%)承 包 人:C2-1监理单位:工程名称结构层次试样描述(g)(g)(g)(g)(cm 3)(g)(g/cm 3)12(g)60.9 63.9(g)740 762.6(g)707.4723.4(g)32.639.2(g)646.5659.5(%)5.16.0(%)(g/cm 3)(%)上乐线上饶至德兴段公路改建工程项目工地压实度试验记录(灌砂法)抚州远大路桥工程有限公司 合 同 段:试验人: 复核人: 监理: 试验日期:混合料试 验 规 程上饶赣东公路工程咨询中心 本表编号:路面工程施 工 路 段K0+000~K0+232.5试 验 单 位C2标中心试验室JTJ034-2000无杂质取 样 深 度20㎝试验负责人基层顶面土 样 名 称距中桩离左(+)右(-)(m )+1.3取 样 桩 号K0+232.5 灌 砂 筒+砂 重9800 锥 形 体 砂 重815灌砂筒+剩余砂重4530 试洞 内土质量7396 试洞内砂质量4455试 坑 体 积3093.8盒 号盒 质 量 湿 密 度2.391含 水 量平均含水量5.5盒+湿土质量盒+干土质量水 份 质 量干 土 质 量 干 密 度2.266压 实 度97.9最大干密度 (g/cm3)2.315最 佳 含 水 量(%)5.3≥ 97结 论0压实度要求(% )试验人: 复核人: 监理: 试验日期: 砂密度1.444285263.9736.1702.333.8638.45.3试验室-20000+200+1.1426098008157803281.347252.3785.52.25497.45.3 砂密度1.444285期:试验室-20005.3期:

1、当您付费下载文档后,您只拥有了使用权限,并不意味着购买了版权,文档只能用于自身使用,不得用于其他商业用途(如 [转卖]进行直接盈利或[编辑后售卖]进行间接盈利)。
2、本站所有内容均由合作方或网友上传,本站不对文档的完整性、权威性及其观点立场正确性做任何保证或承诺!文档内容仅供研究参考,付费前请自行鉴别。
3、如文档内容存在违规,或者侵犯商业秘密、侵犯著作权等,请点击“违规举报”。

碎片内容

压实度自动计算

您可能关注的文档

小辰9+ 关注
实名认证
内容提供者

出售各种资料和文档

确认删除?
VIP
微信客服
  • 扫码咨询
会员Q群
  • 会员专属群点击这里加入QQ群
客服邮箱
回到顶部