(首保:7500 公里/6 个月 二保:15000 公里/12 个月 间隔:15000 公里/12 个月)注:●更换 ○检查7500150003000045000600007500...
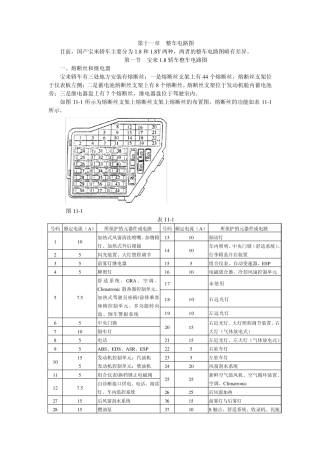
第十一章 整车电路图 目前,国产宝来轿车主要分为1.8 和1.8T 两种,两者的整车电路图略有差异。 第一节 宝来1.8 轿车整车电路图 一...
宝 来 是 长 春 一汽大众生产的紧凑轿车.在中国也有10多年的历史了,在这慢长 的10年多时间里,它给国人带来 了太多的方便,同时也暴露...
全新宝来绕车话术正前方 45 度先生/女士您好,现在摆在您面前的就是我们素有“驾驶者之车”美誉的全新宝来了,与前几代宝来相比,它拥有...
新宝来各位置的灯泡更换流畅今天我主要对前大灯、前转向灯、后备箱灯、后雾灯、后转向灯、室内前照明灯、室内后照明灯,如何更换灯泡来做个...
大众宝来空调
1 发动机抖,加不上速,EPC 灯亮,清除故障码后故障现象消失了,车正常了,但车主开了几天此现象又出现了 EPC 是电控节气门意思,EPC ...
你好!新宝来可以完美使用。转换线在淘宝有很多,收音机的 T16a/9 脚接 J519 的 T73a/20(CAN-H),T16a/10 脚接 J519 的 T73a/21...
新宝来保养手册
新宝来轿车保养手册
学习高宝来事迹心得体会 学习高宝来事迹心得体会。实现我们的价值观,我们的中国梦需要每个人在自己平凡的岗位上做出不平凡的成绩。 5 ...
小班数学活动:图形宝宝来排队目标:1、开展多种形式的图形分类活动,巩固幼儿对圆形、三角形、正方形的认识。2、初步培养幼儿从小到大或从...
小班数学活动:图形宝宝来铺路活动目标:1.复习认识圆形、三角形、正方形。2、在游戏活动中体验帮助别人的乐趣。活动准备:1.三角形、正...
美术活动:图形宝宝来跳舞活动目标:1、对图形绘画感兴趣,体验自主表现的快乐。2、尝试自主、大胆的表现图形宝宝跳舞的不同动作,乐于和同...
奥运演讲稿:让青春在宝来利来无悔的燃烧2020年奥运在即,但脑海中还是清晰得记着第一次在宝来利来周年庆典上登台演讲的那一刻,这一刻是那...
v1.0可编辑可修改1新宝来各位置的灯泡更换流畅今天我主要对前大灯、前转向灯、后备箱灯、后雾灯、后转向灯、室内前照明灯、室内后照明灯,...
学习高宝来事迹心得体会学习高宝来事迹心得体会:实现我们的价值观,我们的中国梦,需要每个人在自己平凡的岗位上做出不平凡的成绩。5月26...
此资料由网络收集而来,如有侵权请告知上传者立即删除。资料共分享,我们负责传递知识。学习高宝来事迹心得体会学习高宝来事迹心得体会:实...
新宝来已经采用新的匹配方法,你采用老宝来的方法会导致遥控器不能完成初始化的。正确的方法如下:1、在5S内连续开/关点火开关3次后,通常...
学习高宝来事迹心得体会学习高宝来事迹心得体会:实现我们的价值观,我们的中国梦,需要每个人在自己平凡的岗位上做出不平凡的成绩。5月26...

