电脑桌面
添加小米粒文库到电脑桌面
安装后可以在桌面快捷访问

22宝来1.8轿车整车电路图

22宝来1.8轿车整车电路图_第1页
1/25
22宝来1.8轿车整车电路图_第2页
2/25
22宝来1.8轿车整车电路图_第3页
3/25
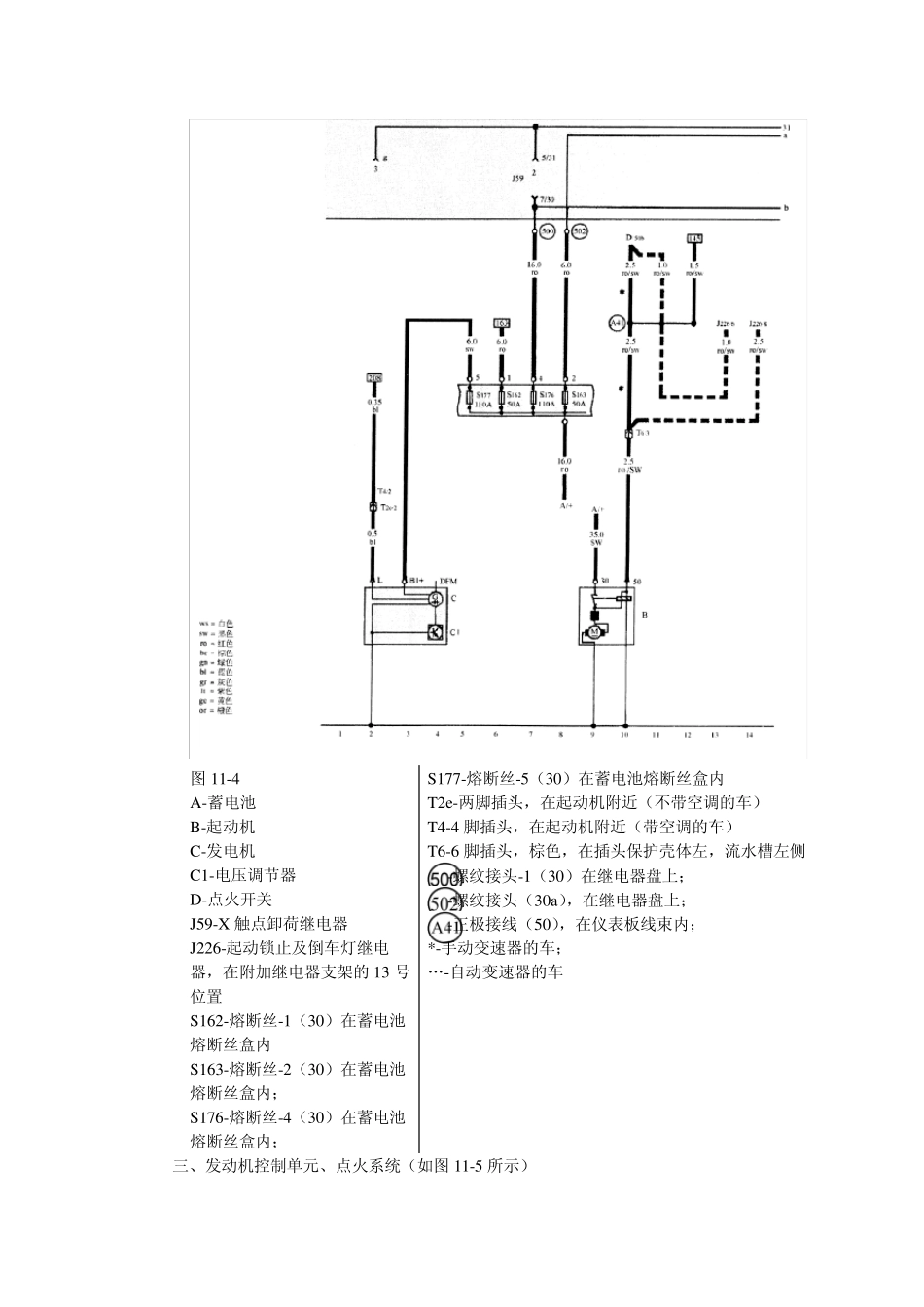
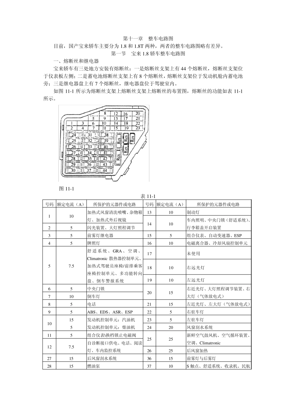
第十一章 整车电路图 目前,国产宝来轿车主要分为1.8 和1.8T 两种,两者的整车电路图略有差异。 第一节 宝来1.8 轿车整车电路图 一、熔断丝和继电器 宝来轿车有三处地方安装有熔断丝:一是熔断丝支架上有44 个熔断丝,熔断丝支架位于仪表板左侧;二是蓄电池熔断丝支架上有8 个熔断丝,熔断丝支架位于发动机舱内蓄电池旁;三是继电器盘上有7 个熔断丝,继电器盘位于驾驶室内。 如图11-1 所示为熔断丝支架上熔断丝支架上熔断丝的布置图,熔断丝的功能如表 11-1所示。 图11-1 表 11-1 号码 额定电流(A) 所保护的元器件或电路 号码 额定电流(A) 所保护的元器件或电路 1 10 加热式风窗清洗喷嘴、杂物箱灯、加热式外后视镜 13 10 制动灯 14 10 车内照明、中央门锁(舒适系统)、行李箱盖开启装置 2 5 闪光装置、大灯照程调节 3 5 前雾灯继电器 15 5 组合仪表、自动变速器、ESP 4 5 牌照灯 16 10 电磁离合器、冷却风扇控制单元 5 7.5 舒 适 系 统 、 GRA 、 空 调 、Climatronic 散热器控制单元、加热式驾驶员座椅/前排乘客座椅控制单元、多功能转向盘、倒车警报系统 17 未使用 18 10 右远光灯 19 10 左远光灯 6 5 中央门锁 20 15 右近光灯、大灯照程调节装置、右大灯(气体放电式) 7 10 倒车灯 8 5 电话 21 15 左近光灯、左大灯(气体放电式) 9 5 ABS、EDS、ASR、ESP 22 5 右驻车灯 10 15 5 发动机控制单元:汽油机 发动机控制单元:柴油机 23 5 左驻车灯 24 20 风窗刮水系统 11 5 组合仪表\换档锁止电磁阀 25 25 新鲜空气鼓风机、空气循环装置、空调、Climatronic 12 7.5 自诊断接口供电、电话、阅读灯、车内监控系统 26 25 后风窗加热 27 15 后风窗刮水系统 36 15 前雾灯与后雾灯 28 15 燃油泵 37 10 S 触点、舒适系统、收录机、民航系统 29 15 10 发动机控制装置:汽油机 发动机控制装置:柴油机 38 15 行李箱灯、舒适系统、中央门锁、油箱盖开启装置、行李箱盖开启装置 30 20 滑动车顶 39 15 警报装置 31 20 5 自动变速器、制动助力器控制单元四轮驱动装置 40 20 双音喇叭 41 15 点烟器 32 10 30 喷油器:汽油机 发动机控制装置:柴油机 42 25 收音机、导航系统、数字音响功放、TV 调谐器 33 20 大灯清洗装置 43 10 发动机控制系统 34 10 发动机控制装置 44 15...

1、当您付费下载文档后,您只拥有了使用权限,并不意味着购买了版权,文档只能用于自身使用,不得用于其他商业用途(如 [转卖]进行直接盈利或[编辑后售卖]进行间接盈利)。
2、本站所有内容均由合作方或网友上传,本站不对文档的完整性、权威性及其观点立场正确性做任何保证或承诺!文档内容仅供研究参考,付费前请自行鉴别。
3、如文档内容存在违规,或者侵犯商业秘密、侵犯著作权等,请点击“违规举报”。

碎片内容

22宝来1.8轿车整车电路图

您可能关注的文档

确认删除?
VIP
微信客服
  • 扫码咨询
会员Q群
  • 会员专属群点击这里加入QQ群
客服邮箱
回到顶部