《公路水运工程“平安施工场地"考核评价标准》(试 行) 1 为强化公路水运工程安全生产管理,法律规范从业行为,落实安全责任,深化推动“...
“平安施工场地"考核评价1 为强化工程项目安全生产管理,法律规范从业行为,落实安全责任,深化推动“平安施工场地"建设活动,有序开展“平...
德清临杭物流园区Ⅱ区码头作业区工程码头工程“平安施工场地”活动总结浙江德清升华临杭物流有限公司德清临杭物流园区Ⅱ区码头作业区工程码...
“平安施工场地”创建活动、全面落实“安全生产标准化”动员大会汇报材料各位领导、同仁:今日我们在这里召开“平安施工场地"创建活动、全...
重庆三环高速公路合川至长寿段HC02 标段(K16+931~K24+522。617)“平安施工场地”考核评价制度编制:审核:审批:中交隧道局长合高速二...
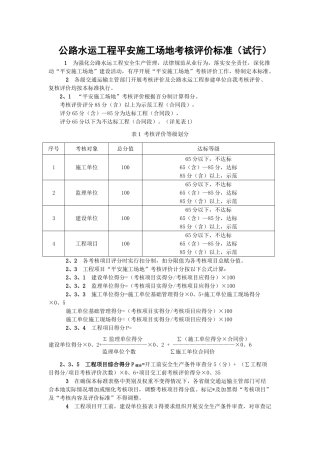
公路水运工程平安施工场地考核评价标准(试行) 1 为强化公路水运工程安全生产管理,法律规范从业行为,落实安全责任,深化推动“平安施...
“平安施工场地”考核评价 1 为强化工程项目安全生产管理,法律规范从业行为,落实安全责任,深化推动“平安施工场地”建设活动,有序开...
“平安施工场地”建设活动实施方案一、指导思想和工作目标指导思想:以科学进展观为指导,贯彻安全第一、预防为主、综合治理的方针,坚持抓...
论“平安施工场地”建设的四个重要环节在交通运输部、省交通运输厅的坚强领导和大力支持下,福州沈海复线高速 XXXX 有限公司始终坚持“以...
“平安施工场地”考核评价制度为严格贯彻落实交通运输部《关于开展公路水运工程“平安施工场地”考核评价工作的通知》(交质监发〔679〕号...
京藏高速公路改扩建工程平罗至四十里店段 ZJ9 合同段“平安工地、品质工程”建设方案 1贵京藏高速公路改扩建工程平罗至四十里店段 ZJ9...
( QS-03 标段) K9+500~ K11+500 “平安工地”建设活动实施方案 湖南常德路桥建设有限公司 佛山市清龙线至龙高路公路路基、桥涵工...
精品文档---下载后可任意编辑 南昌至上栗高速公路工程工程“平安施工场地〞建设监理实施方案 编制 赵静华 审批 张 博 北京中鑫伟业...
第 1 页精品文档---下载后可任意编辑创建“平安施工场地”以及“双基”活动阶段性活动总结 第一篇:创建“平安施工场地”以及“双基”活...
1 公路水运工程平安工地考核评价标准(试行) 1 为强化公路水运工程安全生产管理,规范从业行为,落实安全责任,深入推进“平安工地”建...
1 公路水运工程平安工地考核评价标准(试行) 1 为 强 化 公 路 水 运 工 程 安 全 生 产 管 理 , 规 范 从 业 行...
公路水运工程“平安工地”考核标准交质监发[2012]679号
下载后可任意编辑论“平安施工场地”建设的四个关键环节在交通运输部、省交通运输厅的坚强领导和大力支持下,福州沈海复线高速公路有限公司...
目 录 一、工程概况 .............................................................................. 2 二、组织健全 ..............
下载后可任意编辑湖北省公路水运工程“平安施工场地”创建标准为贯彻落实党中央、国务院、交通运输部和省委、省政府关于加强安全生产工作的...

