第1页共4页编号:时间:2021年x月x日书山有路勤为径,学海无涯苦作舟页码:第1页共4页1.目的:规范公司利器管理,使公司生产过程中利器的使...
关于印发《北京市建设工程现场施工安全监督工作规定》的通知2009-12-21京建施〔2009〕838号各区、县建委,经济技术开发区建设局,各集团、...
第1页共162页编号:时间:2021年x月x日书山有路勤为径,学海无涯苦作舟页码:第1页共162页xx市药品监督管理局职工住宅建设工程施工组织设计...
精品感谢下载载市场监督管理行政处罚文书格式范本精品感谢下载载总体说明本行政处罚文书格式范本,由国家市场监督管理总局拟定。各省级市场...
第1页共39页编号:时间:2021年x月x日书山有路勤为径,学海无涯苦作舟页码:第1页共39页附表1中华人民共和国药品监督行政执法文书案件移送...
整理.安全生产监督管理体系批准:审核:编制:中国水利水电第十工程局有限公司龙昆沟清污排涝工程一期EPC总承包部二0一九年八月整理.安全生...
北仑区建筑工程质量监督站(房屋建筑工程)监督告知书说明:1、建设、监理、施工、质监站各执一份2、质监站一份存入监督档案签收:建设单位...
黄石市特种设备检验检测所作业指导文件文件编号HSTJ-C056-2009页码第1页共30页主题起重机械安装改造重大维修监督检验细则版次第五版第0次修...
第1页共6页编号:时间:2021年x月x日书山有路勤为径,学海无涯苦作舟页码:第1页共6页凉山食品药品监督管理局信息公开指南根据《中华人民共...
第1页共7页编号:时间:2021年x月x日书山有路勤为径,学海无涯苦作舟页码:第1页共7页北京市药品监督管理局怀柔分局政务公开目录类别:职能...
中国石油化工集团公司安全生产监督管理制度(2004))易燃、可燃液体防静电安全规定第一条易燃、可燃液体防静电系指在易燃、可燃液体的装卸...
宜春市特种设备监督检验中心指导文件YCTJ-CG306-2011标题起重机安装改造重大维修监督检验细则第1页共66页第C版第0次修改1目的为了贯彻执行...
中华人民共和国保健食品监督行政执法文书举报登记表()举登〔〕号举报人:联系方式:联系地址及邮编:举报形式:时间:举报内容:记录人:...
第1页共13页编号:时间:2021年x月x日书山有路勤为径,学海无涯苦作舟页码:第1页共13页保健食品生产企业日常监督现场检查工作指南一、适用...
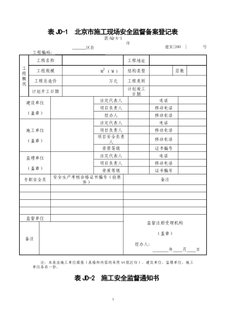
表JD-1北京市施工现场安全监督备案登记表表AQ-A-1市区县工程编码:工程概况工程名称工程地址工程规模M2(M)结构类型层数工程总造价万元工程...
中华人民共和国保健食品化妆品监督行政执法文书举报登记表()举登〔〕号举报人:联系方式:联系地址及邮编:举报形式:时间:举报内容:记...
第1页共146页编号:时间:2021年x月x日书山有路勤为径,学海无涯苦作舟页码:第1页共146页临桂区食品药品监督管理局权力清单(共291项)序...
政府采购内部监督管理制度.docx
宝岛优品—倾心为你打造精品文档宝岛优品—倾心为你打造精品文档医疗器械监督管理条例具体内容医疗器械监督管理条例具体内容发布时间:2020...
中国共产党纪律检查机关监督执纪工作规则(试行)试题判断题(共50题,每题2分,满分100分)1.2017年1月8日,中国共产党纪律检查机关监督执...

