分包单位商务管理制度为加强对分公司项目商务管理,使项目商务管理工作法律规范化、标准化、常态化、的根据总公司项目管理手册及公司项目达...
分包单位资格报审表工程名称:编号:监理单位 发 包 人 我证明分包单位 法人代表 是有经验,有能力的,能胜任承担下述工程,可以保证...
分包单位用水用电协议书本工程总包范围内的分包单位 ,自 年 月 日已进驻现场进行正式施工,为统一现场临时用水用电管理,确保施工用水...
分包单位的安全、文明施工管理办法一、施工安全管理1、施工过程中项目经理每周 1 次对所有施工人员进场安全教育,并建立安全教育记录,体...
关于国际工程单位工程成本的分析和计算 在国际工程承揽过程中,投标报价与工程承接的成败休戚相关,而单位成本的分析和计算又是其中决定性...
关于匹、大卡、KW 等设备单位概念解释1. 匹 1 匹(HP)=2500W 严格来讲是 2499W,这是日本人规 ǖ?也是根据能效比EER 计算出来的.此匹...
共用热控安装单位报验申请表工程名称:共用热控安装 编号:1-1 致:煤炭工业部济南设计讨论院工程建设监理公司 (监理单位) 我单位已完...
附件 5 公路工程参建单位工作总结报告第一部分 公路工程项目执行报告一、概况 (一)建设依据。 (二)建设规模及主要技术指标。 (...
工 程 名 称:××× kV 变电站 工程电气装置安装全 站 电 缆 施 工单位工程竣工资料 编制单位: 编制日期: 全站电缆 单位...
XX 一期 XX 主体工程分包进场须知编 制: 审 批: 年 月 日目录一、进场管理二、技术管理三、工期管理四、安全文明管理五、材料进...
优质服务单位创建活动指导方案为 了 全 面 贯 彻 落 实 区 创 先 [2025]4 号 文 件 精 神 , 更好 地 服 务 群 众...
xxxxxxxxxxx 产业基地建设进展项目(一期)项目管理单位招标文件招 标 单 位 :广州 xxxxxx 有限公司 招标代理机构:广州 xxxxxx...
事业型单位企业化转型思考事业型单位企业化转型思考 摘要:随着社会的进步和进展,传统的事业型单位管理体制已经无法适应社会的进展和需求...
争创示范单位活动方案为 扎 实 做 好 依 法 行 政 示 范 单 位 创 建 工 作 , 进 一步 提 高 依 法 行 政 工 ...
招 标 文 件(商务文件)项目名称:乌鲁木齐市属****单位网络工程采购项目编号:****乌鲁木齐市政府采购中心二○○五年十一月二十九日投...
招 标 文 件(商务文件)项目名称:乌鲁木齐市属****单位网络工程采购项目编号:WZCG202501012乌鲁木齐市政府采购中心二○○五年十一月...
某中厚板工程单位工程、子单位工程预划分表单位工程编号单位工程名称子单位工程编号子单位工程名称备注ZB-某中厚板工程1ZB-1主厂房及板坯库...
某公司 3500mm 中厚板工程单位工程、子单位工程预划分表序号单位工程子单位工程采纳标准内 容编 号名 称编 号名 称1ZB-0板坯库建筑Z...
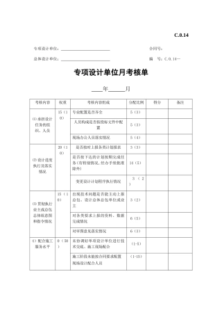
C.0.14专项设计单位: 合同号: 总体设计单位: 编 号:C.0.14— 专项设计单位月考核单 年 月考核内容权重考核内容组成分配比例得分...
十、不锈钢管单位重量表热轧不锈钢管(1Cr18Ni9Ti)每米重量表公称直径(外径×壁厚)(毫米)每米重量(公斤)公称直径(外径×壁厚)(毫米)每米...

